К началу документа
Evanda
На предыдущую страницуНа следующую страницу
Главная страница GMDEЗагрузить нединамическое оглавлениеЗагрузить динамическое оглавлениеПомощь

РАЗДЕЛ 1E

ДВИГАТЕЛЬ (ЭЛЕКТРООБОРУДОВАНИЕ ДВИГАТЕЛЯ)

G141E01
Показать иллюстрациюПеревод текста в иллюстрациях


ЭЛЕКТРООБОРУДОВАНИЕ ДВИГАТЕЛЯ - ПРОВОД ЗАЖИГАНИЯ (151)

ОПИСАНИЕ ОПЕРАЦИИ
КОД ОПЕРАЦИИ
МОДЕЛЬ
s
n
l
2.0D
2.5X
1
. ПРОВОДА, СВЕЧА ЗАЖИГАНИЯ - ЗАМЕНА (ОДНОЙ ИЛИ ДВУХ)
.
.
.
.
.
sohc
1510100
0.2
-
-
-
dohc
1510200
0.2
0.2
0.2
-
. ПРОВОДА, СВЕЧА ЗАЖИГАНИЯ - ЗАМЕНА (ВСЕХ)
.
.
.
.
.
sohc
1510400
0.2
-
-
-
dohc
1510500
0.2
0.2
0.1
-
2
. СВЕЧИ, ЗАЖИГАНИЯ - ЗАМЕНА (ОДНОЙ ИЛИ ДВУХ)
.
.
.
.
.
sohc
1510800
0.2
-
-
-
dohc
1510900
0.3
0.3
0.2
0.3
. СВЕЧИ, ЗАЖИГАНИЯ - ЗАМЕНА (ВСЕХ)
.
.
.
.
.
sohc
1511100
0.3
-
-
-
dohc
1511200
0.3
0.3
0.3
0.4
3
. КАТУШКА, ЭЛЕКТРОННОЕ УПРАВЛЕНИЕ ЗАЖИГАНИЕМ - ЗАМЕНА
.
.
.
.
.
sohc
1511300
0.2
-
-
-
dohc
1511400
0.2
0.3
0.3
0.2
4
. АДАПТЕР, КАТУШКА И/ИЛИ ПРОКЛАДКА - ЗАМЕНА
.
.
.
.
.
sohc
1511600
0.3
-
-
-
dohc
1511700
0.4
0.5
0.5
-
s : aveo/kalos/barina, n : nubira/lacetti/forenza/optra/viva, l : evanda/epica

G141E02
Показать иллюстрациюПеревод текста в иллюстрациях


ЭЛЕКТРООБОРУДОВАНИЕ ДВИГАТЕЛЯ - ГЕНЕРАТОР В СБОРЕ (154)

ОПИСАНИЕ ОПЕРАЦИИ
КОД ОПЕРАЦИИ
МОДЕЛЬ
s
n
l
2.0D
2.5X
1
. ШКИВ И/ИЛИ ВЕНТИЛЯТОР, ГЕНЕРАТОР - ЗАМЕНА
.
.
.
.
.
sohc
1540100
0.3
-
-
-
dohc
1540200
1.1
0.8
0.3
0.7
2
. ПОДШИПНИК, ЗАДНИЙ, ГЕНЕРАТОР - ЗАМЕНА
.
.
.
.
.
sohc
1540500
0,9
-
-
-
dohc
1540600
1.6
1,2
0,9
0,9
3
. ВЫПРЯМИТЕЛЬ, ГЕНЕРАТОР - ПРОВЕРКА И ЗАМЕНА
.
.
.
.
.
sohc
1541300
0.8
-
-
-
dohc
1541400
1.9
1.5
0.8
0.8
4
. ГЕНЕРАТОР В СБОРЕ - ЗАМЕНА
.
.
.
.
.
sohc
1541700
0.6
-
-
-
dohc
1541800
1.1
0.7
0.6
0.6
5
. СТАТОР, ГЕНЕРАТОР - ЗАМЕНА
.
.
.
.
.
sohc
1542100
0,9
-
-
-
dohc
1542200
1.3
1.3
0,9
0,9
6
. КАРКАС И ПОДШИПНИК - ЗАМЕНА
1542400
0,9
1.1
-
0.8
7
. РЕГУЛЯТОР, ГЕНЕРАТОР - ЗАМЕНА
.
.
.
.
.
sohc
1542600
0.8
-
-
-
dohc
1542700
1.9
1.5
0.8
0.8
8
. КРОНШТЕЙН, КРЕПЛЕНИЕ ГЕНЕРАТОРА - ЗАМЕНА
.
.
.
.
.
sohc
1544100
0.6
-
-
-
dohc
1544200
0.6
0.7
0.6
2.1
9
. СЕРЬГА, ГЕНЕРАТОР - ЗАМЕНА
.
.
.
.
.
sohc
1544500
0.3
-
-
-
dohc
1544600
0.3
0.4
0.3
-
s : aveo/kalos/barina, n : nubira/lacetti/forenza/optra/viva, l : evanda/epica

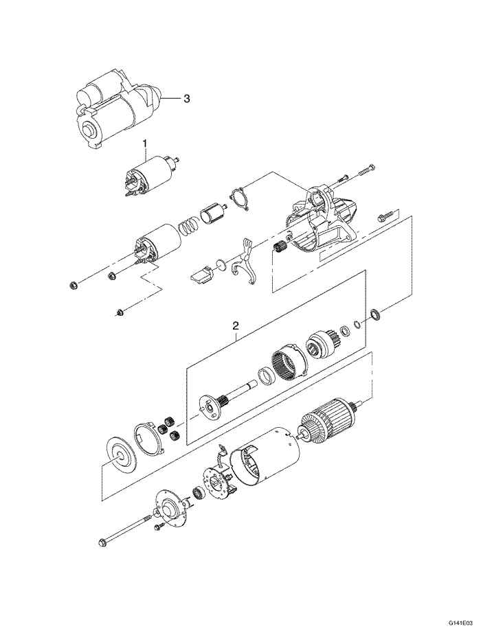
G141E03
Показать иллюстрациюПеревод текста в иллюстрациях


ЭЛЕКТРООБОРУДОВАНИЕ ДВИГАТЕЛЯ - СТАРТЕР (156)

ОПИСАНИЕ ОПЕРАЦИИ
КОД ОПЕРАЦИИ
МОДЕЛЬ
s
n
l
2.0D
2.5X
1
. СОЛЕНОИД, СТАРТЕР - ЗАМЕНА
.
.
.
.
.
sohc
1560100
0,9
-
-
-
dohc
1560200
0,9
0.8
0.8
0.8
. СОЛЕНОИД, СТАРТЕР (ПРАВОСТОРОННЕЕ УПРАВЛЕНИЕ, АКПП) - ЗАМЕНА
.
.
.
.
.
dohc
1560300
-
2.0
-
-
2
. ПРИВОД В СБОРЕ, СТАРТЕР - ЗАМЕНА
.
.
.
.
.
sohc
1560400
0.7
-
-
-
dohc
1560500
0.7
0.6
0.6
0.6
. ПРИВОД В СБОРЕ, СТАРТЕР (ПРАВОСТОРОННЕЕ УПРАВЛЕНИЕ, АКПП) - ЗАМЕНА
.
.
.
.
.
dohc
1560600
-
1.8
-
-
3
. МОТОР В СБОРЕ, СТАРТЕР - ЗАМЕНА
.
.
.
.
.
sohc
1560800
0.6
-
-
-
dohc
1560900
0.6
0.5
0.5
0.5
. МОТОР В СБОРЕ, СТАРТЕР (ПРАВОСТОРОННЕЕ УПРАВЛЕНИЕ, АКПП) - ЗАМЕНА
.
.
.
.
.
dohc
1561100
-
1.7
-
-
s : aveo/kalos/barina, n : nubira/lacetti/forenza/optra/viva, l : evanda/epica

LTA1E04
Показать иллюстрациюПеревод текста в иллюстрациях


ЭЛЕКТРООБОРУДОВАНИЕ ДВИГАТЕЛЯ - АККУМУЛЯТОРНАЯ БАТАРЕЯ (157)

ОПИСАНИЕ ОПЕРАЦИИ
КОД ОПЕРАЦИИ
МОДЕЛЬ
s
n
l
2.0D
2.5X
1
. АККУМУЛЯТОР
.
.
.
.
.
Зарядка и проверка
1570200
0.3
0.3
0.3
0.3
Замена
1570300
0.3
0.2
0.2
0.2
2
. КРЕПЛЕНИЕ И/ИЛИ БОЛТЫ, АККУМУЛЯТОРНАЯ БАТАРЕЯ - ЗАМЕНА
1570500
0.2
0.2
0.2
0.2
3
. КРЫШКА, КЛЕММЫ АККУМУЛЯТОРНОЙ БАТАРЕИ (ОДНА ИЛИ ДВЕ) - ЗАМЕНА
1570900
0.2
0.2
0.2
0.2
4
. ОПОРА, АККУМУЛЯТОРНАЯ БАТАРЕЯ - ЗАМЕНА
1571100
0.3
0.3
0.3
0.3
s : aveo/kalos/barina, n : nubira/lacetti/forenza/optra/viva, l : evanda/epica

G141E05
Показать иллюстрациюПеревод текста в иллюстрациях


ЭЛЕКТРООБОРУДОВАНИЕ ДВИГАТЕЛЯ - ПРЕДОХРАНИТЕЛИ И РЕЛЕ (158)

ОПИСАНИЕ ОПЕРАЦИИ
КОД ОПЕРАЦИИ
МОДЕЛЬ
s
n
l
2.0D
2.5X
1
. РЕЛЕ - ЗАМЕНА
.
.
.
.
.
Вентилятор охлаждения двигателя
1580100
0.2
0.2
0.2
0.2
Противотуманная фара
1580200
0.2
0.2
0.2
0.2
Звуковой сигнал
1580300
0.2
0.2
0.2
0.2
Топливный насос
1580400
0.2
0.2
0.2
0.2
Включение (АБС)
1580500
0.2
0.2
0.2
0.2
Электровентилятор
1580600
0.2
0.2
0.2
0.2
Отключение компрессора
1580700
0.2
0.2
0.2
0.2
Электровентилятор конденсатора
1580800
0.2
0.2
0.2
0.2
Электромотор стеклоочистителей ветрового стекла, таймер
1580900
0.2
0.5
0.2
0.2
Фара
1581100
0.2
0.2
0.2
0.2
Обогрев заднего стекла
1581300
0.2
0.2
0.2
0.2
Прочие реле
1581500
0.2
0.2
0.2
0.2
2
. РЕЛЕ - ЗАМЕНА
.
.
.
.
.
Указатель поворота
1582100
0.2
0.2
0.2
0.2
3
. КРЫШКА, БЛОК ПРЕДОХРАНИТЕЛЕЙ - ЗАМЕНА
1582300
0.2
0.2
0.2
0.2
4
. КОРОБКА, РЕЛЕ И ПРЕДОХРАНИТЕЛИ - ЗАМЕНА
1582700
-
0.6
0.6
-
5
. ГЛАВНЫЙ ПРЕДОХРАНИТЕЛЬ - ЗАМЕНА
1583500
-
0.2
0.2
0.2
6
. ПРЕДОХРАНИТЕЛЬ - ЗАМЕНА
1583700
0.2
0.2
0.2
0.2
7
. АВТОМАТИЧЕСКИЙ ВЫКЛЮЧАТЕЛЬ - ЗАМЕНА
1583800
-
0.2
0.2
0.2
8
. ДИОД КОНДИЦИОНЕРА - ЗАМЕНА
1583900
0.2
0.2
0.2
0.2
9
. БЛОК, АВТОМАТИЧЕСКИЙ ДВЕРНОЙ ЗАМОК - ЗАМЕНА
1584200
0.3
0.3
-
-
10
. МОДУЛЬ, ЗВУКОВАЯ СИГНАЛИЗАЦИЯ - ЗАМЕНА
1584400
0.3
0.3
-
-
. МОДУЛЬ, ЛАМПЫ ДНЕВНОГО СВЕТА ФАР - ЗАМЕНА
1584500
0.3
0.6
0.3
0.3
11
. БЛОК, БЛОКИРОВКА КЛЮЧА - ЗАМЕНА
1584700
0.2
0.2
0.2
-
12
. МОДУЛЬ, СКЛАДЫВАЮЩЕЕСЯ ЗЕРКАЛО - ЗАМЕНА
1584800
-
-
0.3
0.3
s : aveo/kalos/barina, n : nubira/lacetti/forenza/optra/viva, l : evanda/epica
На предыдущую страницуНа следующую страницу


https://vnx.su/ 🛠 Руководства по ремонту и эксплуатации для автомобилей

Поиск по сайту

Остались вопросы или пожелания? Пишите на почту: support@vnx.su

Карта Сайта