К началу документа
Evanda
На предыдущую страницуНа следующую страницу
Главная страница GMDEЗагрузить нединамическое оглавлениеЗагрузить динамическое оглавлениеПомощь



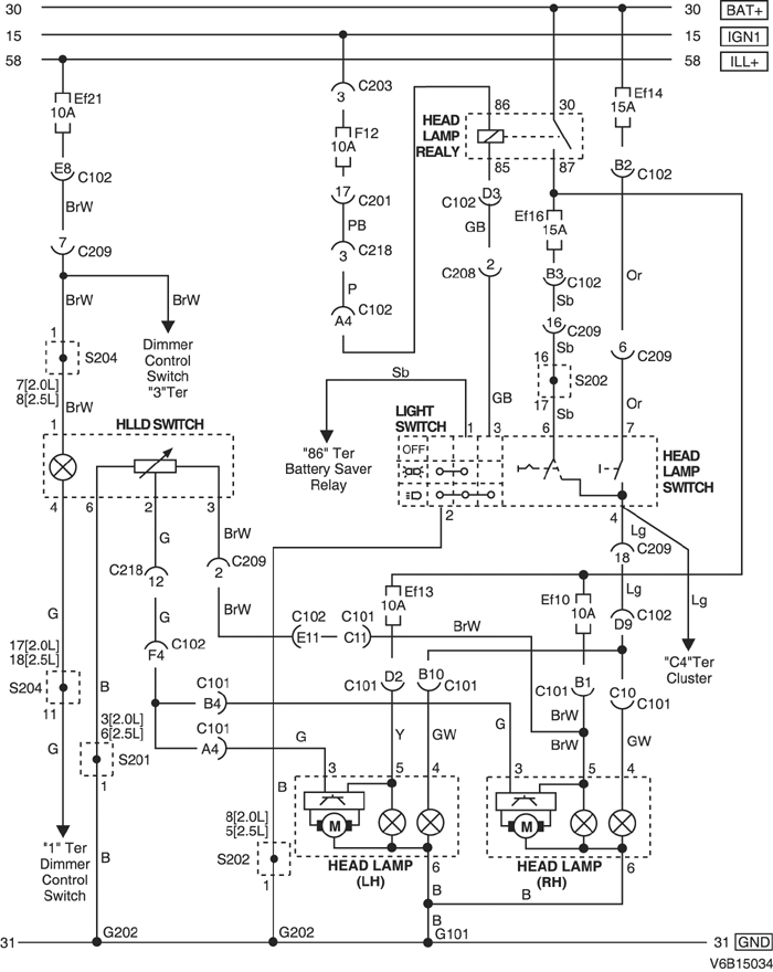
9. ЦЕПЬ ФАР, КОРРЕКТОРА ФАР

V6B15034.png
Показать иллюстрациюПеревод текста в иллюстрациях


а. ИНФОРМАЦИЯ О РАЗЪЁМЕ

№ РАЗЪЁМА
(№ И ЦВЕТ КОНТАКТА)
СОЕДИНИТЕЛЬНЫЙ ЖГУТ ПРОВОДОВПОЛОЖЕНИЕ РАЗЪЁМА
С101 (контакт 68, серый) Блок предохранителей в моторном отсеке - передняя часть Блок предохранителей в моторном отсеке
C102 (контакт 68, коричневый) Блок предохранителей в моторном отсеке - кузов Блок предохранителей в моторном отсеке
С201 (контакт 22, белый) Блок предохранителей на приборной панели - приборная панель БЛОК ПРЕДОХРАНИТЕЛЕЙ НА ПРИБОРНОЙ ПАНЕЛИ
С203 (контакт 3, серый) Блок предохранителей на приборной панели - приборная панель БЛОК ПРЕДОХРАНИТЕЛЕЙ НА ПРИБОРНОЙ ПАНЕЛИ
С208 (контакт 16, желтый) Приборная панель - кузов Нижняя часть пространства для ног водителя
С209 (контакт 22, белый) Приборная панель - кузов Нижняя часть пространства для ног водителя
С218 (контакт 18, белый) Приборная панель - кузов Нижняя часть пространства для ног пассажира
S201 (оранжев.) Приборная панель За коробкой реле приборной панели
S202 (оранжев.) Приборная панель Верхняя часть пространства для ног водителя с правой стороны
S204 (красн.) Приборная панель За прикуривателем с левой стороны
G102 ПЕРЕДНЯЯ ЧАСТЬ За правой фарой
G202 Приборная панель За прикуривателем с левой стороны

б. УСЛОВНОЕ ОБОЗНАЧЕНИЕ & И НАХОЖДЕНИЕ НОМЕРА КОНТАКТА

V5B1P039.png
Показать иллюстрациюПеревод текста в иллюстрациях


г. КОНТАКТНАЯ КОЛОДКА

s201 (ОРАНЖЕВ.) : 2.0L

V5B1S001.png
Показать иллюстрациюПеревод текста в иллюстрациях


s201 (ОРАНЖЕВ.) : 2.5L

V6B1S001.png
Показать иллюстрациюПеревод текста в иллюстрациях


s202 (ОРАНЖЕВ.) : 2.0L

V5B1S003.png
Показать иллюстрациюПеревод текста в иллюстрациях


s202 (ОРАНЖЕВ.) : 2.5L

V6B1S002.png
Показать иллюстрациюПеревод текста в иллюстрациях


s204 (КРАСН.) : 2.0L

V5B1S007.png
Показать иллюстрациюПеревод текста в иллюстрациях


s204 (КРАСН.) : 2.5L

V6B1S004.png
Показать иллюстрациюПеревод текста в иллюстрациях


На предыдущую страницуНа следующую страницу


https://vnx.su/ 🛠 Руководства по ремонту и эксплуатации для автомобилей

Поиск по сайту

Остались вопросы или пожелания? Пишите на почту: support@vnx.su

Карта Сайта