К началу документа
Evanda
На предыдущую страницуНа следующую страницу
Главная страница GMDEЗагрузить нединамическое оглавлениеЗагрузить динамическое оглавлениеПомощь



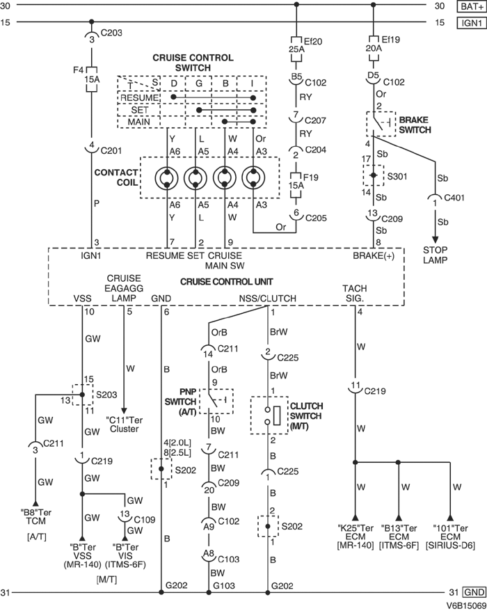
27. ЦЕПЬ СИСТЕМЫ ПОДДЕРЖАНИЯ СКОРОСТИ

V6B15069.png
Показать иллюстрациюПеревод текста в иллюстрациях


а. ИНФОРМАЦИЯ О РАЗЪЁМЕ

№ РАЗЪЁМА
(№ И ЦВЕТ КОНТАКТА)
СОЕДИНИТЕЛЬНЫЙ ЖГУТ ПРОВОДОВПОЛОЖЕНИЕ РАЗЪЁМА
C102 (контакт 68, коричневый) Блок предохранителей в моторном отсеке - кузов Блок предохранителей в моторном отсеке
С103 (контакт 68, черный) Блок предохранителей в моторном отсеке - двигатель Блок предохранителей в моторном отсеке
С201 (контакт 22, белый) Блок предохранителей на приборной панели - приборная панель БЛОК ПРЕДОХРАНИТЕЛЕЙ НА ПРИБОРНОЙ ПАНЕЛИ
С203 (контакт 3, серый) Блок предохранителей на приборной панели - приборная панель БЛОК ПРЕДОХРАНИТЕЛЕЙ НА ПРИБОРНОЙ ПАНЕЛИ
С204 (контакт 4, белый) Блок предохранителей на приборной панели - приборная панель БЛОК ПРЕДОХРАНИТЕЛЕЙ НА ПРИБОРНОЙ ПАНЕЛИ
С205 (контакт 18, белый) Блок предохранителей на приборной панели - приборная панель БЛОК ПРЕДОХРАНИТЕЛЕЙ НА ПРИБОРНОЙ ПАНЕЛИ
С207 (контакт 16, белый) Приборная панель - кузов Нижняя часть пространства для ног водителя
С209 (контакт 22, белый) Приборная панель - кузов Нижняя часть пространства для ног водителя
С211 (контакт 22, белый) Приборная панель - контроллер КПП Нижняя часть пространства для ног водителя
С219 (контакт 16, белый) Двигатель - приборная панель (MR-140) Нижняя часть пространства для ног пассажира
С225 (контакт 4, белый) Сцепление - приборная панель Нижняя часть пространства для ног водителя
С401 (контакт 8, белый) Кузов - багажный отсек За задним фонарем с левой стороны
S202 (оранжев.) Приборная панель Верхняя часть пространства для ног водителя с правой стороны
S203 (оранжев.) Приборная панель За аудиосистемой с правой стороны
S301 (бесцветн.) Кузов За комбинацией приборов с правой стороны
G103 Двигатель Под генератором
G202 Приборная панель За прикуривателем с левой стороны

б. УСЛОВНОЕ ОБОЗНАЧЕНИЕ & И НАХОЖДЕНИЕ НОМЕРА КОНТАКТА

V5B1P082.png
Показать иллюстрациюПеревод текста в иллюстрациях


в. РАСПОЛОЖЕНИЕ РАЗЪЁМОВ И СОЕДИНЕНИЙ МАССЫ

V3B12020.png
Показать иллюстрациюПеревод текста в иллюстрациях


г. КОНТАКТНАЯ КОЛОДКА

s202 (ОРАНЖЕВ.) : 2.0L

V5B1S003.png
Показать иллюстрациюПеревод текста в иллюстрациях


s202 (ОРАНЖЕВ.) : 2.5L

V6B1S002.png
Показать иллюстрациюПеревод текста в иллюстрациях


s203 (ОРАНЖЕВ.) : 2.0L

V5B1S005.png
Показать иллюстрациюПеревод текста в иллюстрациях


s203 (ОРАНЖЕВ.) : 2.5L

V6B1S003.png
Показать иллюстрациюПеревод текста в иллюстрациях


На предыдущую страницуНа следующую страницу


https://vnx.su/ 🛠 Руководства по ремонту и эксплуатации для автомобилей

Поиск по сайту

Остались вопросы или пожелания? Пишите на почту: support@vnx.su

Карта Сайта