К началу документа
Evanda
На предыдущую страницуНа следующую страницу
Главная страница GMDEЗагрузить нединамическое оглавлениеЗагрузить динамическое оглавлениеПомощь



17. КОМБИНАЦИЯ ПРИБОРОВ

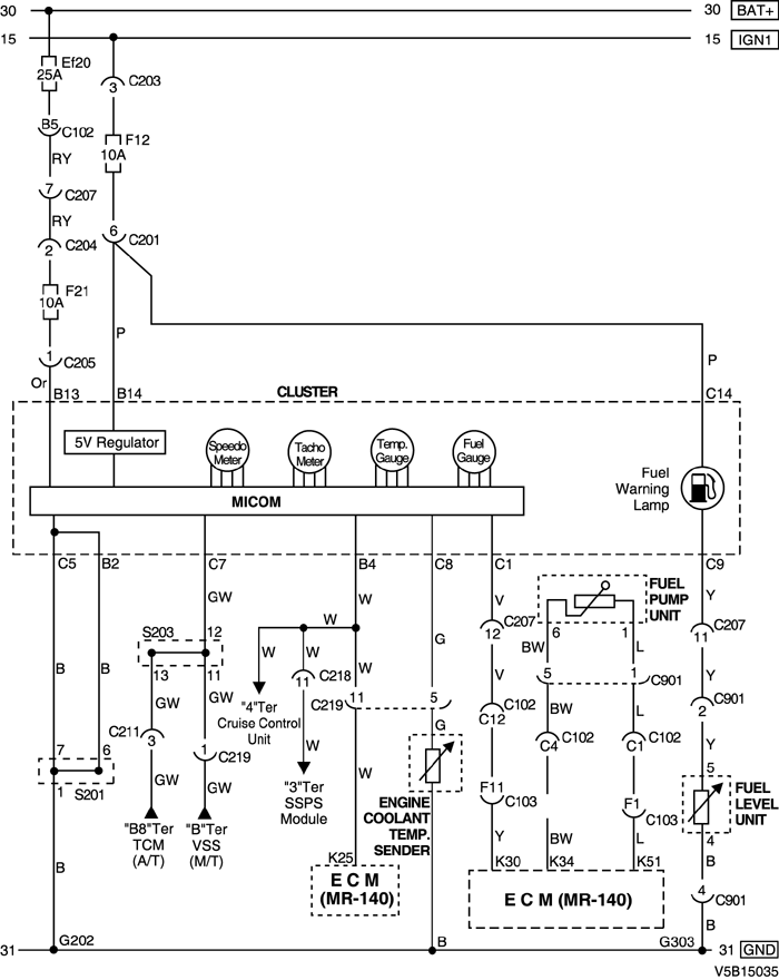
1) ЦЕПЬ СПИДОМЕТРА, ТАХОМЕТРА, УКАЗАТЕЛЯ ТЕМПЕРАТУРЫ, УКАЗАТЕЛЯ УРОВНЯ ТОПЛИВА И КОНТРОЛЬНОЙ ЛАМПЫ РЕЗЕРВА ТОПЛИВА : mr - 140

V5B15035.png
Показать иллюстрациюПеревод текста в иллюстрациях


а. ИНФОРМАЦИЯ О РАЗЪЁМЕ

№ РАЗЪЁМА
(№ И ЦВЕТ КОНТАКТА)
СОЕДИНИТЕЛЬНЫЙ ЖГУТ ПРОВОДОВПОЛОЖЕНИЕ РАЗЪЁМА
C102 (контакт 68, коричневый) Блок предохранителей в моторном отсеке - кузов Блок предохранителей в моторном отсеке
С103 (контакт 68, черный) Блок предохранителей в моторном отсеке - двигатель Блок предохранителей в моторном отсеке
С201 (контакт 22, белый) Блок предохранителей на приборной панели - приборная панель БЛОК ПРЕДОХРАНИТЕЛЕЙ НА ПРИБОРНОЙ ПАНЕЛИ
С203 (контакт 3, серый) Блок предохранителей на приборной панели - приборная панель БЛОК ПРЕДОХРАНИТЕЛЕЙ НА ПРИБОРНОЙ ПАНЕЛИ
С204 (контакт 4, белый) Блок предохранителей на приборной панели - приборная панель БЛОК ПРЕДОХРАНИТЕЛЕЙ НА ПРИБОРНОЙ ПАНЕЛИ
С205 (контакт 3, белый) Блок предохранителей на приборной панели - приборная панель БЛОК ПРЕДОХРАНИТЕЛЕЙ НА ПРИБОРНОЙ ПАНЕЛИ
С207 (контакт 16, белый) Приборная панель - кузов Нижняя часть пространства для ног водителя
С211 (контакт 22, белый) Приборная панель - контроллер КПП Нижняя часть пространства для ног водителя
С218 (контакт 18, белый) Приборная панель - кузов Нижняя часть пространства для ног пассажира
С219 (контакт 16, белый) Двигатель - приборная панель (MR-140) Нижняя часть пространства для ног пассажира
С901 (контакт 6, черный) Кузов - топливный насос Под задним сиденьем
S201 (оранжев.) Приборная панель За коробкой реле приборной панели
S203 (оранжев.) Приборная панель За аудиосистемой с правой стороны
G202 Приборная панель За прикуривателем с левой стороны

б. УСЛОВНОЕ ОБОЗНАЧЕНИЕ & И НАХОЖДЕНИЕ НОМЕРА КОНТАКТА

V5B1P057.png
Показать иллюстрациюПеревод текста в иллюстрациях


в. РАСПОЛОЖЕНИЕ РАЗЪЁМОВ И СОЕДИНЕНИЙ МАССЫ

V3B12020.png
Показать иллюстрациюПеревод текста в иллюстрациях


г. КОНТАКТНАЯ КОЛОДКА

s201 (ОРАНЖЕВ.) : 2.0L

V5B1S001.png
Показать иллюстрациюПеревод текста в иллюстрациях


s203 (ОРАНЖЕВ.) : 2.0L

V5B1S005.png
Показать иллюстрациюПеревод текста в иллюстрациях


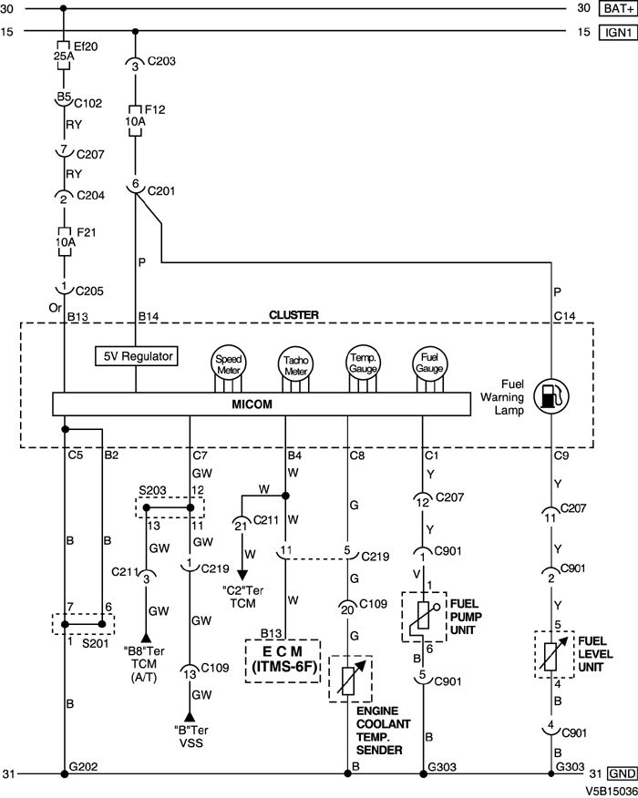
2) ЦЕПЬ СПИДОМЕТРА, ТАХОМЕТРА, УКАЗАТЕЛЯ ТЕМПЕРАТУРЫ, УКАЗАТЕЛЯ УРОВНЯ ТОПЛИВА И КОНТРОЛЬНОЙ ЛАМПЫ РЕЗЕРВА ТОПЛИВА : itms - 6f

V5B15036.png
Показать иллюстрациюПеревод текста в иллюстрациях


а. ИНФОРМАЦИЯ О РАЗЪЁМЕ

№ РАЗЪЁМА
(№ И ЦВЕТ КОНТАКТА)
СОЕДИНИТЕЛЬНЫЙ ЖГУТ ПРОВОДОВПОЛОЖЕНИЕ РАЗЪЁМА
C102 (контакт 68, коричневый) Блок предохранителей в моторном отсеке - кузов Блок предохранителей в моторном отсеке
С109 (контакт 38, черный) Двигатель - контроллер ЭСУД Над щитком передка с правой стороны в моторном отсеке
С201 (контакт 22, белый) Блок предохранителей на приборной панели - приборная панель БЛОК ПРЕДОХРАНИТЕЛЕЙ НА ПРИБОРНОЙ ПАНЕЛИ
С203 (контакт 3, серый) Блок предохранителей на приборной панели - приборная панель БЛОК ПРЕДОХРАНИТЕЛЕЙ НА ПРИБОРНОЙ ПАНЕЛИ
С204 (контакт 4, белый) Блок предохранителей на приборной панели - приборная панель БЛОК ПРЕДОХРАНИТЕЛЕЙ НА ПРИБОРНОЙ ПАНЕЛИ
С205 (контакт 3, белый) Блок предохранителей на приборной панели - приборная панель БЛОК ПРЕДОХРАНИТЕЛЕЙ НА ПРИБОРНОЙ ПАНЕЛИ
С207 (контакт 16, белый) Приборная панель - кузов Нижняя часть пространства для ног водителя
С211 (контакт 22, белый) Приборная панель - контроллер КПП Нижняя часть пространства для ног водителя
С219 (контакт 16, белый) Контроллер ЭСУД - приборная панель(ITMS-6F) Нижняя часть пространства для ног пассажира
С901 (контакт 6, черный) Кузов - топливный насос Под задним сиденьем
S101 (черн.) Контроллер ЭСУД За впускным коллектором
S201 (оранжев.) Приборная панель За коробкой реле приборной панели
S203 (оранжев.) Приборная панель За аудиосистемой с правой стороны
G202 Приборная панель За прикуривателем с левой стороны
G303 Кузов Под правой задней стойкой с левой стороны

б. УСЛОВНОЕ ОБОЗНАЧЕНИЕ & И НАХОЖДЕНИЕ НОМЕРА КОНТАКТА

V5B1P058.png
Показать иллюстрациюПеревод текста в иллюстрациях


в. РАСПОЛОЖЕНИЕ РАЗЪЁМОВ И СОЕДИНЕНИЙ МАССЫ

V3B12020.png
Показать иллюстрациюПеревод текста в иллюстрациях


г. КОНТАКТНАЯ КОЛОДКА

s201 (ОРАНЖЕВ.) : 2.0L

V5B1S001.png
Показать иллюстрациюПеревод текста в иллюстрациях


s203 (ОРАНЖЕВ.) : 2.0L

V5B1S005.png
Показать иллюстрациюПеревод текста в иллюстрациях


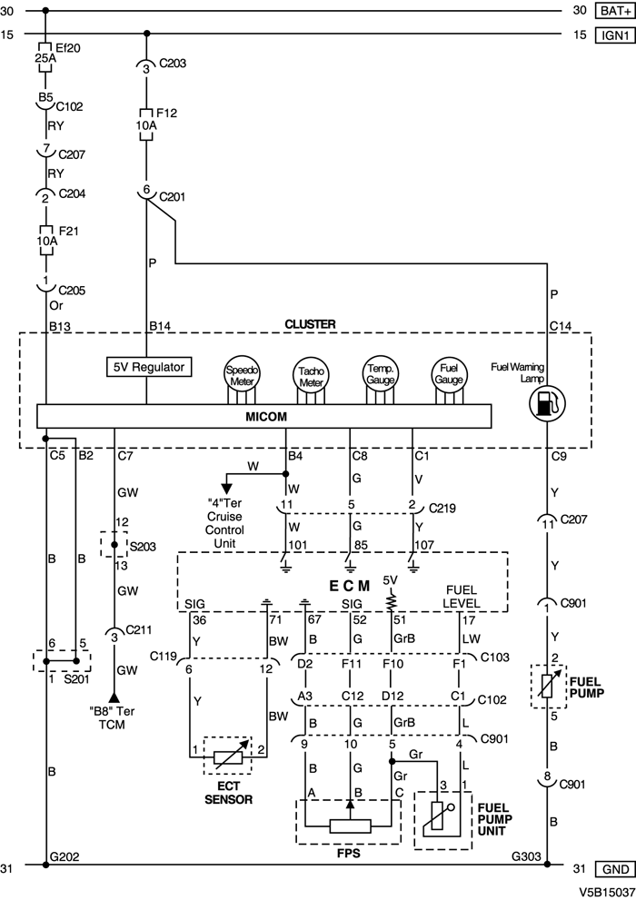
3) ЦЕПЬ СПИДОМЕТРА, ТАХОМЕТРА, УКАЗАТЕЛЯ ТЕМПЕРАТУРЫ, УКАЗАТЕЛЯ УРОВНЯ ТОПЛИВА : sirius - d6

V5B15037.png
Показать иллюстрациюПеревод текста в иллюстрациях


а. ИНФОРМАЦИЯ О РАЗЪЁМЕ

№ РАЗЪЁМА
(№ И ЦВЕТ КОНТАКТА)
СОЕДИНИТЕЛЬНЫЙ ЖГУТ ПРОВОДОВПОЛОЖЕНИЕ РАЗЪЁМА
C102 (контакт 68, коричневый) Блок предохранителей в моторном отсеке - кузов Блок предохранителей в моторном отсеке
С103 (контакт 68, черный) Блок предохранителей в моторном отсеке - двигатель Блок предохранителей в моторном отсеке
С201 (контакт 22, белый) Блок предохранителей на приборной панели - приборная панель БЛОК ПРЕДОХРАНИТЕЛЕЙ НА ПРИБОРНОЙ ПАНЕЛИ
С203 (контакт 3, серый) Блок предохранителей на приборной панели - приборная панель БЛОК ПРЕДОХРАНИТЕЛЕЙ НА ПРИБОРНОЙ ПАНЕЛИ
С204 (контакт 4, белый) Блок предохранителей на приборной панели - приборная панель БЛОК ПРЕДОХРАНИТЕЛЕЙ НА ПРИБОРНОЙ ПАНЕЛИ
С205 (контакт 3, белый) Блок предохранителей на приборной панели - приборная панель БЛОК ПРЕДОХРАНИТЕЛЕЙ НА ПРИБОРНОЙ ПАНЕЛИ
С207 (контакт 16, белый) Приборная панель - кузов Нижняя часть пространства для ног водителя
С211 (контакт 22, белый) Приборная панель - контроллер КПП Нижняя часть пространства для ног водителя
С218 (контакт 18, белый) Приборная панель - кузов Нижняя часть пространства для ног пассажира
С219 (контакт 16, белый) Двигатель - приборная панель (MR-140) Нижняя часть пространства для ног пассажира
С901 (контакт 6, черный) Кузов - топливный насос Под задним сиденьем
S201 (оранжев.) Приборная панель За коробкой реле приборной панели
S203 (оранжев.) Приборная панель За аудиосистемой с правой стороны
G202 Приборная панель За прикуривателем с левой стороны

б. УСЛОВНОЕ ОБОЗНАЧЕНИЕ & И НАХОЖДЕНИЕ НОМЕРА КОНТАКТА

V5B1P059.png
Показать иллюстрациюПеревод текста в иллюстрациях


в. РАСПОЛОЖЕНИЕ РАЗЪЁМОВ И СОЕДИНЕНИЙ МАССЫ

V3C32002.png
Показать иллюстрациюПеревод текста в иллюстрациях


V3B32002.png
Показать иллюстрациюПеревод текста в иллюстрациях


г. КОНТАКТНАЯ КОЛОДКА

s201 (ОРАНЖЕВ.) : 2.5L

V6B1S001.png
Показать иллюстрациюПеревод текста в иллюстрациях


s203 (ОРАНЖЕВ.) : 2.5L

V6B1S003.png
Показать иллюстрациюПеревод текста в иллюстрациях


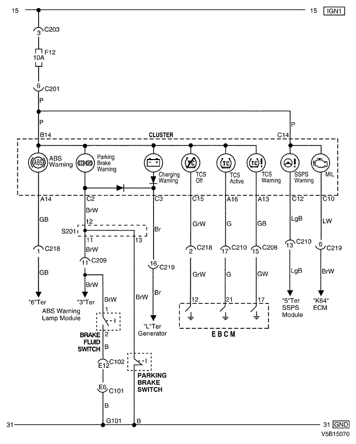
4) ЦЕПЬ КОНТРОЛЬНЫХ ЛАМП (АБС, СТОЯНОЧНОГО ТОРМОЗА, ЗАРЯДКИ, СИСТЕМЫ УПРАВЛЕНИЯ ТЯГОЙ, РУЛЕВОГО МЕХАНИЗМА С ГИДРОУСИЛИТЕЛЕМ, ОБЕСПЕЧИВАЮЩИМ ПЕРЕМЕННОЕ УСИЛЕНИЕ В ЗАВИСИМОСТИ ОТ СКОРОСТИ, ИНДИКАЦИИ НЕИСПРАВНОСТИ) И АКТИВНОЙ ЛАМПЫ СИСТЕМЫ УПРАВЛЕНИЯ ТЯГОЙ : mr - 140 & sirius - d6

V5B15070.png
Показать иллюстрациюПеревод текста в иллюстрациях


а. ИНФОРМАЦИЯ О РАЗЪЁМЕ

№ РАЗЪЁМА
(№ И ЦВЕТ КОНТАКТА)
СОЕДИНИТЕЛЬНЫЙ ЖГУТ ПРОВОДОВПОЛОЖЕНИЕ РАЗЪЁМА
С101 (контакт 68, серый) Блок предохранителей в моторном отсеке - передняя часть Блок предохранителей в моторном отсеке
C102 (контакт 68, коричневый) Блок предохранителей в моторном отсеке - кузов Блок предохранителей в моторном отсеке
С201 (контакт 22, белый) Блок предохранителей на приборной панели - приборная панель БЛОК ПРЕДОХРАНИТЕЛЕЙ НА ПРИБОРНОЙ ПАНЕЛИ
С203 (контакт 3, серый) Блок предохранителей на приборной панели - приборная панель БЛОК ПРЕДОХРАНИТЕЛЕЙ НА ПРИБОРНОЙ ПАНЕЛИ
С208 (контакт 16, желтый) Приборная панель - кузов Нижняя часть пространства для ног водителя
С209 (контакт 22, белый) Приборная панель - кузов Нижняя часть пространства для ног водителя
С210 (контакт 23, белый) Приборная панель - кузов Нижняя часть пространства для ног водителя
С218 (контакт 18, белый) Приборная панель - кузов Нижняя часть пространства для ног пассажира
С219 (контакт 16, белый) Двигатель - приборная панель (MR-140) Нижняя часть пространства для ног пассажира
S201 (оранжев.) Приборная панель За коробкой реле приборной панели
G101 ПЕРЕДНЯЯ ЧАСТЬ За левой фарой

б. УСЛОВНОЕ ОБОЗНАЧЕНИЕ & И НАХОЖДЕНИЕ НОМЕРА КОНТАКТА

V5B1P060.png
Показать иллюстрациюПеревод текста в иллюстрациях


в. РАСПОЛОЖЕНИЕ РАЗЪЁМОВ И СОЕДИНЕНИЙ МАССЫ

V3B12020.png
Показать иллюстрациюПеревод текста в иллюстрациях


г. КОНТАКТНАЯ КОЛОДКА

s201 (ОРАНЖЕВ.) : 2.0L

V5B1S001.png
Показать иллюстрациюПеревод текста в иллюстрациях


s201 (ОРАНЖЕВ.) : 2.5L

V6B1S001.png
Показать иллюстрациюПеревод текста в иллюстрациях


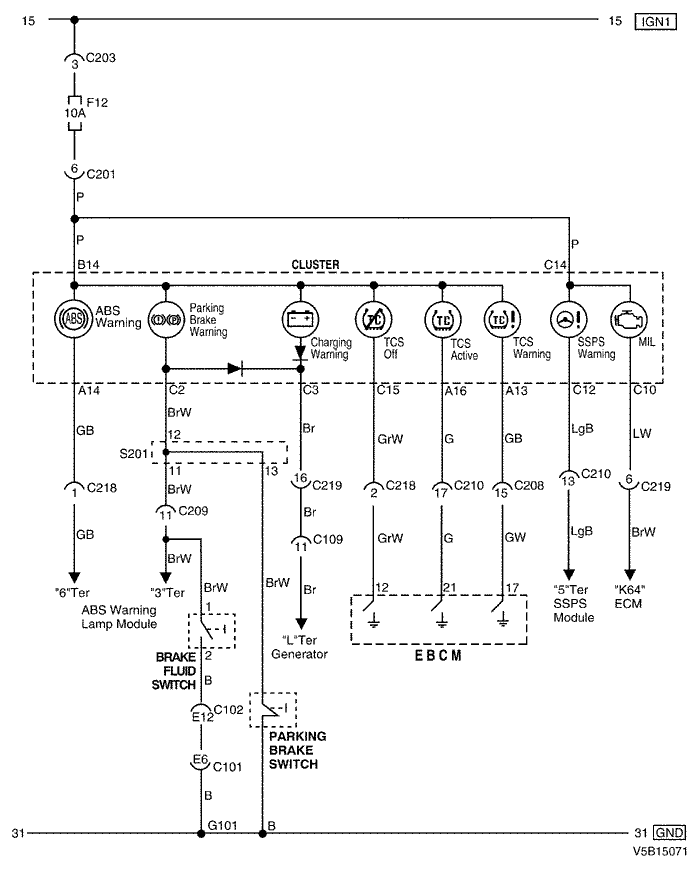
5) ЦЕПЬ КОНТРОЛЬНЫХ ЛАМП (АБС, СТОЯНОЧНОГО ТОРМОЗА, ЗАРЯДКИ, СИСТЕМЫ УПРАВЛЕНИЯ ТЯГОЙ, РУЛЕВОГО МЕХАНИЗМА С ГИДРОУСИЛИТЕЛЕМ, ОБЕСПЕЧИВАЮЩИМ ПЕРЕМЕННОЕ УСИЛЕНИЕ В ЗАВИСИМОСТИ ОТ СКОРОСТИ, ИНДИКАЦИИ НЕИСПРАВНОСТИ) И АКТИВНОЙ ЛАМПЫ СИСТЕМЫ УПРАВЛЕНИЯ ТЯГОЙ : itms - 6f

V5B15071.png
Показать иллюстрациюПеревод текста в иллюстрациях


а. ИНФОРМАЦИЯ О РАЗЪЁМЕ

№ РАЗЪЁМА
(№ И ЦВЕТ КОНТАКТА)
СОЕДИНИТЕЛЬНЫЙ ЖГУТ ПРОВОДОВПОЛОЖЕНИЕ РАЗЪЁМА
С101 (контакт 68, серый) Блок предохранителей в моторном отсеке - передняя часть Блок предохранителей в моторном отсеке
C102 (контакт 68, коричневый) Блок предохранителей в моторном отсеке - кузов Блок предохранителей в моторном отсеке
С109 (контакт 38, черный) Двигатель - контроллер ЭСУД Над щитком передка с правой стороны в моторном отсеке
С201 (контакт 22, белый) Блок предохранителей на приборной панели - приборная панель БЛОК ПРЕДОХРАНИТЕЛЕЙ НА ПРИБОРНОЙ ПАНЕЛИ
С203 (контакт 3, серый) Блок предохранителей на приборной панели - приборная панель БЛОК ПРЕДОХРАНИТЕЛЕЙ НА ПРИБОРНОЙ ПАНЕЛИ
С208 (контакт 16, желтый) Приборная панель - кузов Нижняя часть пространства для ног водителя
С209 (контакт 22, белый) Приборная панель - кузов Нижняя часть пространства для ног водителя
С210 (контакт 23, белый) Приборная панель - кузов Нижняя часть пространства для ног водителя
С218 (контакт 18, белый) Приборная панель - кузов Нижняя часть пространства для ног пассажира
С219 (контакт 16, белый) Контроллер ЭСУД - приборная панель(ITMS-6F) Нижняя часть пространства для ног пассажира
S201 (оранжев.) Приборная панель За коробкой реле приборной панели
G101 ПЕРЕДНЯЯ ЧАСТЬ За левой фарой

б. УСЛОВНОЕ ОБОЗНАЧЕНИЕ & И НАХОЖДЕНИЕ НОМЕРА КОНТАКТА

V5B1P061.png
Показать иллюстрациюПеревод текста в иллюстрациях


в. РАСПОЛОЖЕНИЕ РАЗЪЁМОВ И СОЕДИНЕНИЙ МАССЫ

V3B12020.png
Показать иллюстрациюПеревод текста в иллюстрациях


г. КОНТАКТНАЯ КОЛОДКА

s201 (ОРАНЖЕВ.) : 2.0L

V5B1S001.png
Показать иллюстрациюПеревод текста в иллюстрациях


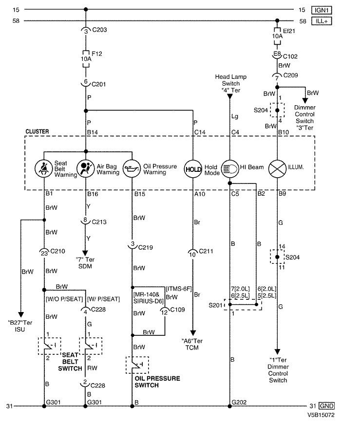
6) ЦЕПЬ ЛАМПЫ ПОДСВЕТКИ, КОНТРОЛЬНЫХ ЛАМП (РЕМНЕЙ БЕЗОПАСНОСТИ, ПОДУШКИ БЕЗОПАСНОСТИ, ДАВЛЕНИЯ МАСЛА), РЕЖИМА ПОДДЕРЖАНИЯ И ДАЛЬНЕГО СВЕТА ФАР

V5B15072.png
Показать иллюстрациюПеревод текста в иллюстрациях


а. ИНФОРМАЦИЯ О РАЗЪЁМЕ

№ РАЗЪЁМА
(№ И ЦВЕТ КОНТАКТА)
СОЕДИНИТЕЛЬНЫЙ ЖГУТ ПРОВОДОВПОЛОЖЕНИЕ РАЗЪЁМА
C102 (контакт 68, коричневый) Блок предохранителей в моторном отсеке - кузов Блок предохранителей в моторном отсеке
С109 (контакт 38, черный) Двигатель - контроллер ЭСУД Над щитком передка с правой стороны в моторном отсеке
С201 (контакт 22, белый) Блок предохранителей на приборной панели - приборная панель БЛОК ПРЕДОХРАНИТЕЛЕЙ НА ПРИБОРНОЙ ПАНЕЛИ
С203 (контакт 3, серый) Блок предохранителей на приборной панели - приборная панель БЛОК ПРЕДОХРАНИТЕЛЕЙ НА ПРИБОРНОЙ ПАНЕЛИ
С209 (контакт 22, белый) Приборная панель - кузов Нижняя часть пространства для ног водителя
С210 (контакт 23, белый) Приборная панель - кузов Нижняя часть пространства для ног водителя
С211 (контакт 22, белый) Приборная панель - контроллер КПП Нижняя часть пространства для ног водителя
С213 (контакт 8, белый) Подушка безопасности - приборная панель За цифровыми часами
С219 (контакт 16, белый) Двигатель - приборная панель (MR-140) Нижняя часть пространства для ног пассажира
С219 (контакт 16, белый) Контроллер ЭСУД - приборная панель(ITMS-6F) Нижняя часть пространства для ног пассажира
S201 (оранжев.) Приборная панель За коробкой реле приборной панели
S204 (красн.) Приборная панель За прикуривателем с левой стороны
G202 Приборная панель За прикуривателем с левой стороны
G301 Кузов Под панелью пола кузова при поперечине со стороны водителя

б. УСЛОВНОЕ ОБОЗНАЧЕНИЕ & И НАХОЖДЕНИЕ НОМЕРА КОНТАКТА

V5B1P062.png
Показать иллюстрациюПеревод текста в иллюстрациях


в. РАСПОЛОЖЕНИЕ РАЗЪЁМОВ И СОЕДИНЕНИЙ МАССЫ

V3B12020.png
Показать иллюстрациюПеревод текста в иллюстрациях


г. КОНТАКТНАЯ КОЛОДКА

s201 (ОРАНЖЕВ.) : 2.0L

V5B1S001.png
Показать иллюстрациюПеревод текста в иллюстрациях


s201 (ОРАНЖЕВ.) : 2.5L

V6B1S001.png
Показать иллюстрациюПеревод текста в иллюстрациях


s204 (КРАСН.) : 2.0L

V5B1S007.png
Показать иллюстрациюПеревод текста в иллюстрациях


s204 (КРАСН.) : 2.5L

V6B1S004.png
Показать иллюстрациюПеревод текста в иллюстрациях


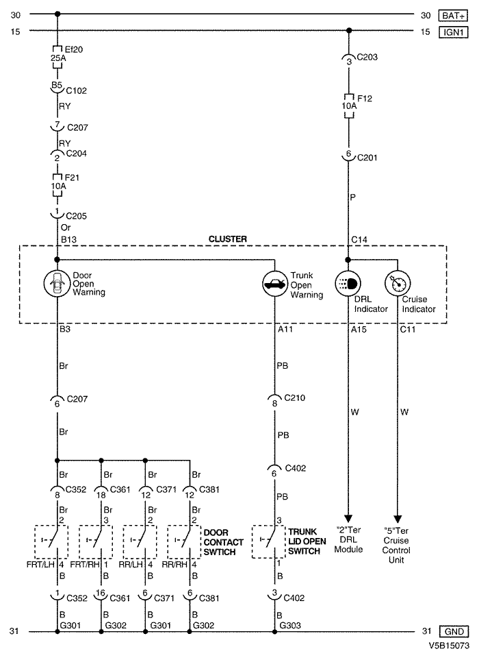
7) ЦЕПЬ КОНТРОЛЬНОЙ ЛАМПЫ (ОТКРЫТОЙ ДВЕРИ И БАГАЖНИКА) И ИНДИКАТОРА (ПРЕДУПРЕДИТЕЛЬНОГО СВЕТА ФАР И СИСТЕМЫ ПОДДЕРЖАНИЯ СКОРОСТИ)

V5B15073.png
Показать иллюстрациюПеревод текста в иллюстрациях


а. ИНФОРМАЦИЯ О РАЗЪЁМЕ

№ РАЗЪЁМА
(№ И ЦВЕТ КОНТАКТА)
СОЕДИНИТЕЛЬНЫЙ ЖГУТ ПРОВОДОВПОЛОЖЕНИЕ РАЗЪЁМА
C102 (контакт 68, коричневый) Блок предохранителей в моторном отсеке - кузов Блок предохранителей в моторном отсеке
С201 (контакт 22, белый) Блок предохранителей на приборной панели - приборная панель БЛОК ПРЕДОХРАНИТЕЛЕЙ НА ПРИБОРНОЙ ПАНЕЛИ
С203 (контакт 3, серый) Блок предохранителей на приборной панели - приборная панель БЛОК ПРЕДОХРАНИТЕЛЕЙ НА ПРИБОРНОЙ ПАНЕЛИ
С204 (контакт 4, белый) Блок предохранителей на приборной панели - приборная панель БЛОК ПРЕДОХРАНИТЕЛЕЙ НА ПРИБОРНОЙ ПАНЕЛИ
С205 (контакт 3, белый) Блок предохранителей на приборной панели - приборная панель БЛОК ПРЕДОХРАНИТЕЛЕЙ НА ПРИБОРНОЙ ПАНЕЛИ
С207 (контакт 16, белый) Приборная панель - кузов Нижняя часть пространства для ног водителя
С210 (контакт 23, белый) Приборная панель - кузов Нижняя часть пространства для ног водителя
С352 (контакт 18, белый) Кузов - передняя дверь, левая Под передней стойкой со стороны водителя
С361 (контакт 18, белый) Кузов - передняя дверь, правая Под передней стойкой со стороны переднего пассажира
С371 (контакт 21, белый) Задняя дверь, левая Под левой средней стойкой
С381 (контакт 21, белый) Задняя дверь, правая Под правой средней стойкой
С402 (контакт 6, белый) Кузов - крышка багажника Нижняя часть задней панели с левой стороны
G301 Кузов Под панелью пола кузова при поперечине со стороны водителя
G302 Кузов Под панелью пола кузова при поперечине со стороны переднего пассажира
G303 Кузов Под правой задней стойкой с левой стороны

б. УСЛОВНОЕ ОБОЗНАЧЕНИЕ & И НАХОЖДЕНИЕ НОМЕРА КОНТАКТА

V5B1P063.png
Показать иллюстрациюПеревод текста в иллюстрациях


в. РАСПОЛОЖЕНИЕ РАЗЪЁМОВ И СОЕДИНЕНИЙ МАССЫ

V3C32002.png
Показать иллюстрациюПеревод текста в иллюстрациях


V3B32014.png
Показать иллюстрациюПеревод текста в иллюстрациях


V3B32004.png
Показать иллюстрациюПеревод текста в иллюстрациях


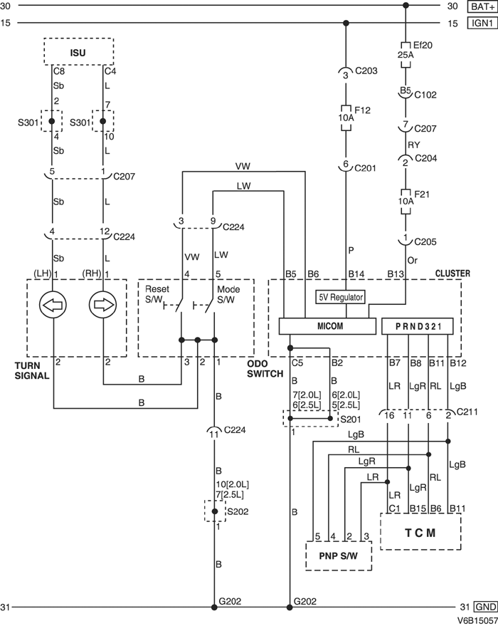
8) ЦЕПЬ УКАЗАТЕЛЕЙ ПОВОРОТА, ПЕРЕКЛЮЧАТЕЛЯ СЧЕТЧИКА ПРОБЕГА И ПЕРЕКЛЮЧАТЕЛЯ ПАРКОВКИ/НЕЙТРАЛИ

V6B15057.png
Показать иллюстрациюПеревод текста в иллюстрациях


а. ИНФОРМАЦИЯ О РАЗЪЁМЕ

№ РАЗЪЁМА
(№ И ЦВЕТ КОНТАКТА)
СОЕДИНИТЕЛЬНЫЙ ЖГУТ ПРОВОДОВПОЛОЖЕНИЕ РАЗЪЁМА
C102 (контакт 68, коричневый) Блок предохранителей в моторном отсеке - кузов Блок предохранителей в моторном отсеке
С201 (контакт 22, белый) Блок предохранителей на приборной панели - приборная панель БЛОК ПРЕДОХРАНИТЕЛЕЙ НА ПРИБОРНОЙ ПАНЕЛИ
С203 (контакт 3, серый) Блок предохранителей на приборной панели - приборная панель БЛОК ПРЕДОХРАНИТЕЛЕЙ НА ПРИБОРНОЙ ПАНЕЛИ
С204 (контакт 4, белый) Блок предохранителей на приборной панели - приборная панель БЛОК ПРЕДОХРАНИТЕЛЕЙ НА ПРИБОРНОЙ ПАНЕЛИ
С205 (контакт 3, белый) Блок предохранителей на приборной панели - приборная панель БЛОК ПРЕДОХРАНИТЕЛЕЙ НА ПРИБОРНОЙ ПАНЕЛИ
С207 (контакт 16, белый) Приборная панель - кузов Нижняя часть пространства для ног водителя
С211 (контакт 22, белый) Приборная панель - контроллер КПП Нижняя часть пространства для ног водителя
С224 (контакт 14, белый) Приборная панель - счетчик пробега за одну поездку За корпусом комбинации приборов
S201 (оранжев.) Приборная панель За коробкой реле приборной панели
S202 (оранжев.) Приборная панель Верхняя часть пространства для ног водителя с правой стороны
S301 (бесцветн.) Кузов За комбинацией приборов с правой стороны
G202 Приборная панель За прикуривателем с левой стороны

б. УСЛОВНОЕ ОБОЗНАЧЕНИЕ & И НАХОЖДЕНИЕ НОМЕРА КОНТАКТА

V5B1P064.png
Показать иллюстрациюПеревод текста в иллюстрациях


г. КОНТАКТНАЯ КОЛОДКА

s201 (ОРАНЖЕВ.) : 2.0L

V5B1S001.png
Показать иллюстрациюПеревод текста в иллюстрациях


s201 (ОРАНЖЕВ.) : 2.5L

V6B1S001.png
Показать иллюстрациюПеревод текста в иллюстрациях


s202 (ОРАНЖЕВ.) : 2.0L

V5B1S003.png
Показать иллюстрациюПеревод текста в иллюстрациях


s202 (ОРАНЖЕВ.) : 2.5L

V6B1S002.png
Показать иллюстрациюПеревод текста в иллюстрациях


s301 (БЕСЦВЕТН.) : 2.0L

V6B1S005.png
Показать иллюстрациюПеревод текста в иллюстрациях


s301 (БЕСЦВЕТН.) : 2.5L

V6B1S006.png
Показать иллюстрациюПеревод текста в иллюстрациях


На предыдущую страницуНа следующую страницу


https://vnx.su/ 🛠 Руководства по ремонту и эксплуатации для автомобилей

Поиск по сайту

Остались вопросы или пожелания? Пишите на почту: support@vnx.su

Карта Сайта