К началу документа
Evanda
На предыдущую страницуНа следующую страницу
Главная страница GMDEЗагрузить нединамическое оглавлениеЗагрузить динамическое оглавлениеПомощь




РАЗДЕЛ 3

ЭЛЕКТРИЧЕСКАЯ СХЕМА ИСТОЧНИКОВ ЭЛЕКТРОПИТАНИЯ



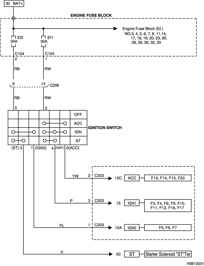
1. ЦЕПЬ ЗАМКА ЗАЖИГАНИЯ

V6B13001.png
Показать иллюстрациюПеревод текста в иллюстрациях




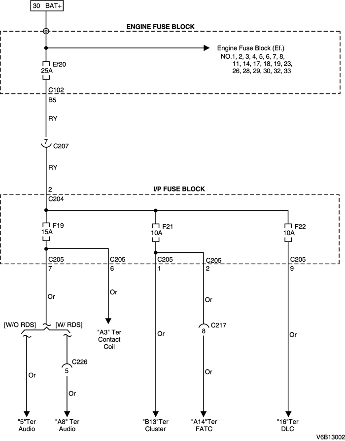
2. КЛЕММА 30 "BAT+" ЦЕПИ ЭЛЕКТРОПИТАНИЯ (БЛОК ПРЕДОХРАНИТЕЛЕЙ НА ПРИБОРНОЙ ПАНЕЛИ)

V6B13002.png
Показать иллюстрациюПеревод текста в иллюстрациях




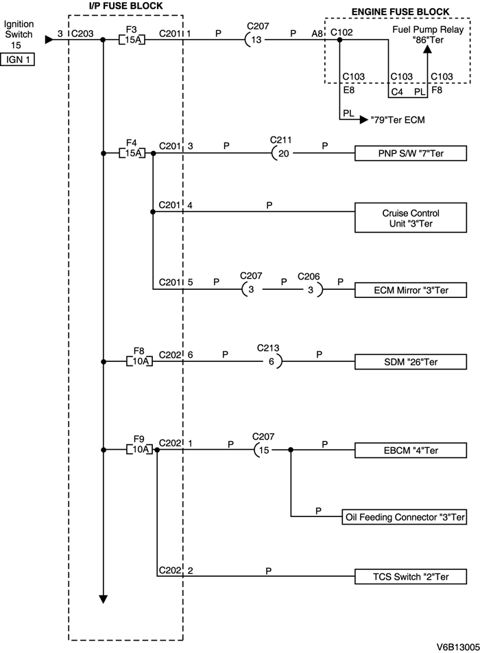
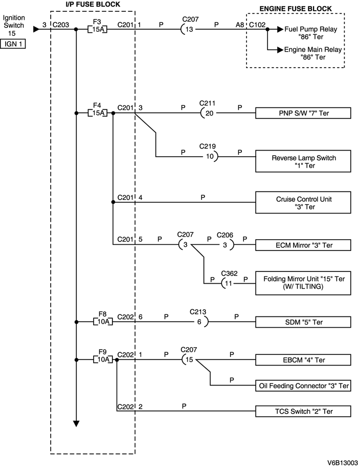
3. КЛЕММА 15 "IGN1" ЦЕПИ ЭЛЕКТРОПИТАНИЯ (БЛОК ПРЕДОХРАНИТЕЛЕЙ НА ПРИБОРНОЙ ПАНЕЛИ)

1) 2.0L DOHC

V6B13003.png
Показать иллюстрациюПеревод текста в иллюстрациях


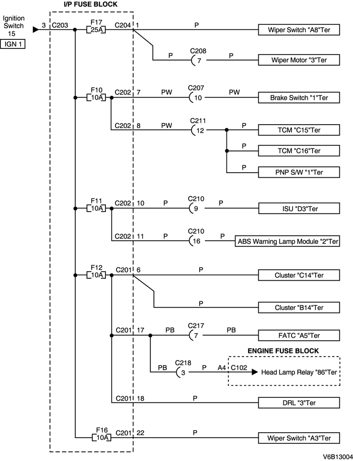
V6B13004.png
Показать иллюстрациюПеревод текста в иллюстрациях


2) 2.5L DOHC

V6B13005.png
Показать иллюстрациюПеревод текста в иллюстрациях


V6B13004.png
Показать иллюстрациюПеревод текста в иллюстрациях




4. КЛЕММА 15A "IGN2" ЦЕПИ ЭЛЕКТРОПИТАНИЯ (БЛОК ПРЕДОХРАНИТЕЛЕЙ НА ПРИБОРНОЙ ПАНЕЛИ)

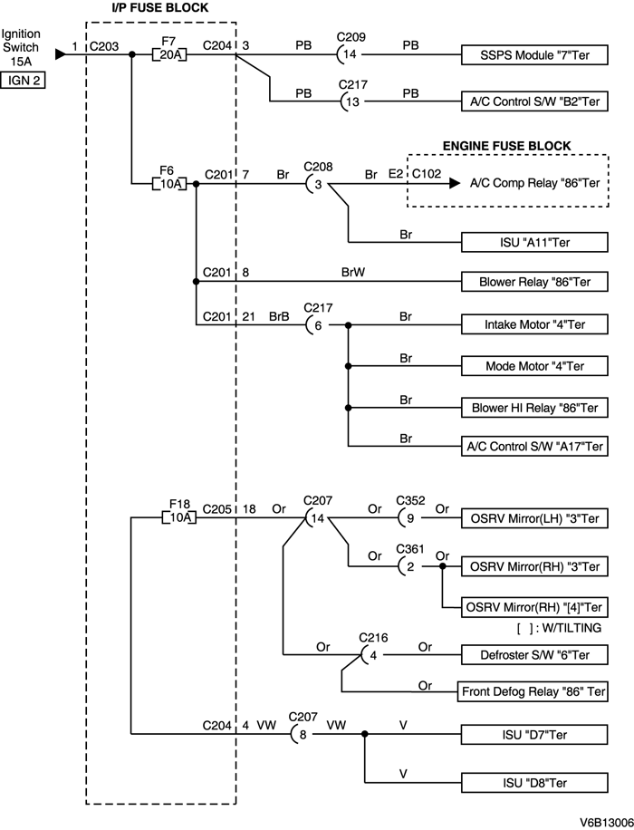
V6B13006.png
Показать иллюстрациюПеревод текста в иллюстрациях




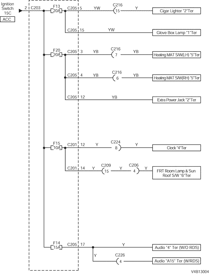
5. КЛЕММА 15С "ACC" ЦЕПИ ЭЛЕКТРОПИТАНИЯ (БЛОК ПРЕДОХРАНИТЕЛЕЙ НА ПРИБОРНОЙ ПАНЕЛИ)

V4B13004.png
Показать иллюстрациюПеревод текста в иллюстрациях




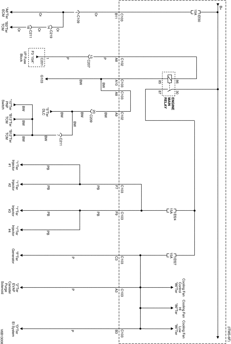
6. ЦЕПЬ ПРЕДОХРАНИТЕЛЕЙ И РЕЛЕ В МОТОРНОМ ОТСЕКЕ

1) 2.0L DOHC

V6B13007.png
Показать иллюстрациюПеревод текста в иллюстрациях


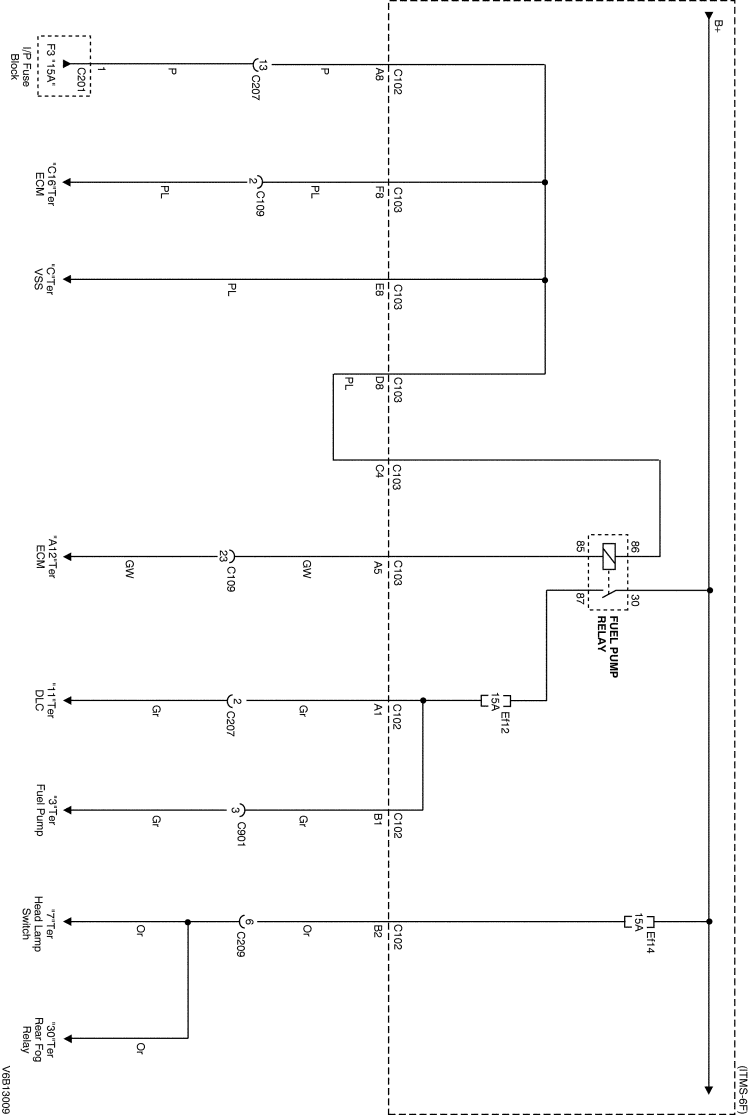
V5B13009.png
Показать иллюстрациюПеревод текста в иллюстрациях


V6B13008.png
Показать иллюстрациюПеревод текста в иллюстрациях


V5B13011.png
Показать иллюстрациюПеревод текста в иллюстрациях


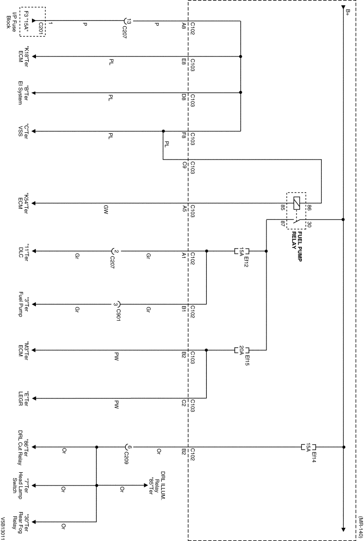
V6B13009.png
Показать иллюстрациюПеревод текста в иллюстрациях


V6B13010.png
Показать иллюстрациюПеревод текста в иллюстрациях


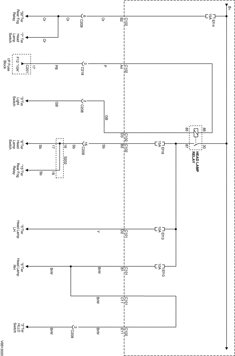
V6B13011.png
Показать иллюстрациюПеревод текста в иллюстрациях


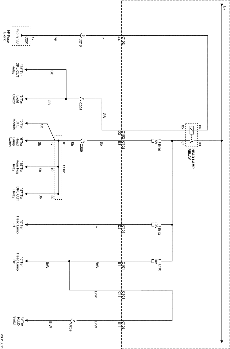
V6B13012.png
Показать иллюстрациюПеревод текста в иллюстрациях


V6B13013.png
Показать иллюстрациюПеревод текста в иллюстрациях


V6B13014.png
Показать иллюстрациюПеревод текста в иллюстрациях


V6B13015.png
Показать иллюстрациюПеревод текста в иллюстрациях


V6B13016.png
Показать иллюстрациюПеревод текста в иллюстрациях


V3B13013.png
Показать иллюстрациюПеревод текста в иллюстрациях


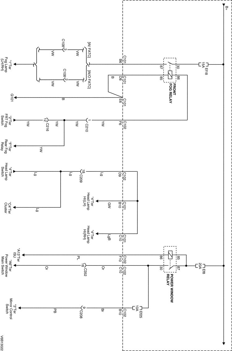
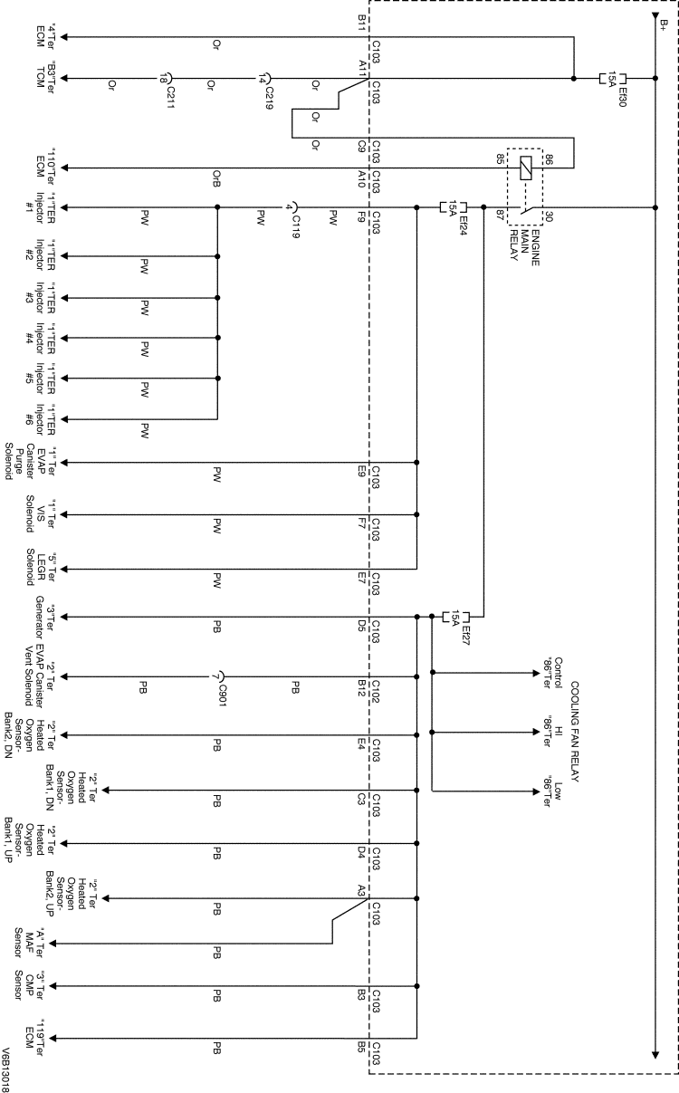
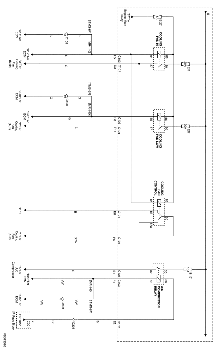
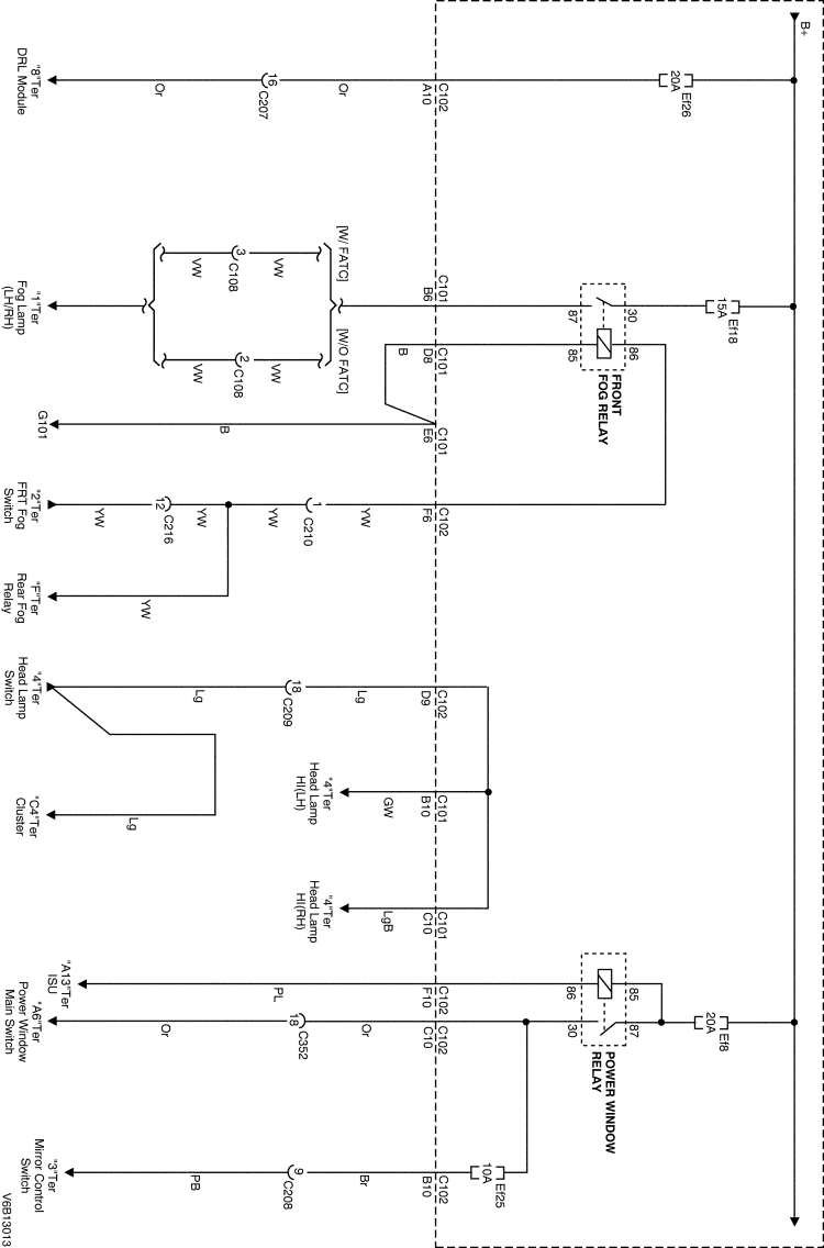
2) 2.5L DOHC

V6B13017.png
Показать иллюстрациюПеревод текста в иллюстрациях


V6B13018.png
Показать иллюстрациюПеревод текста в иллюстрациях


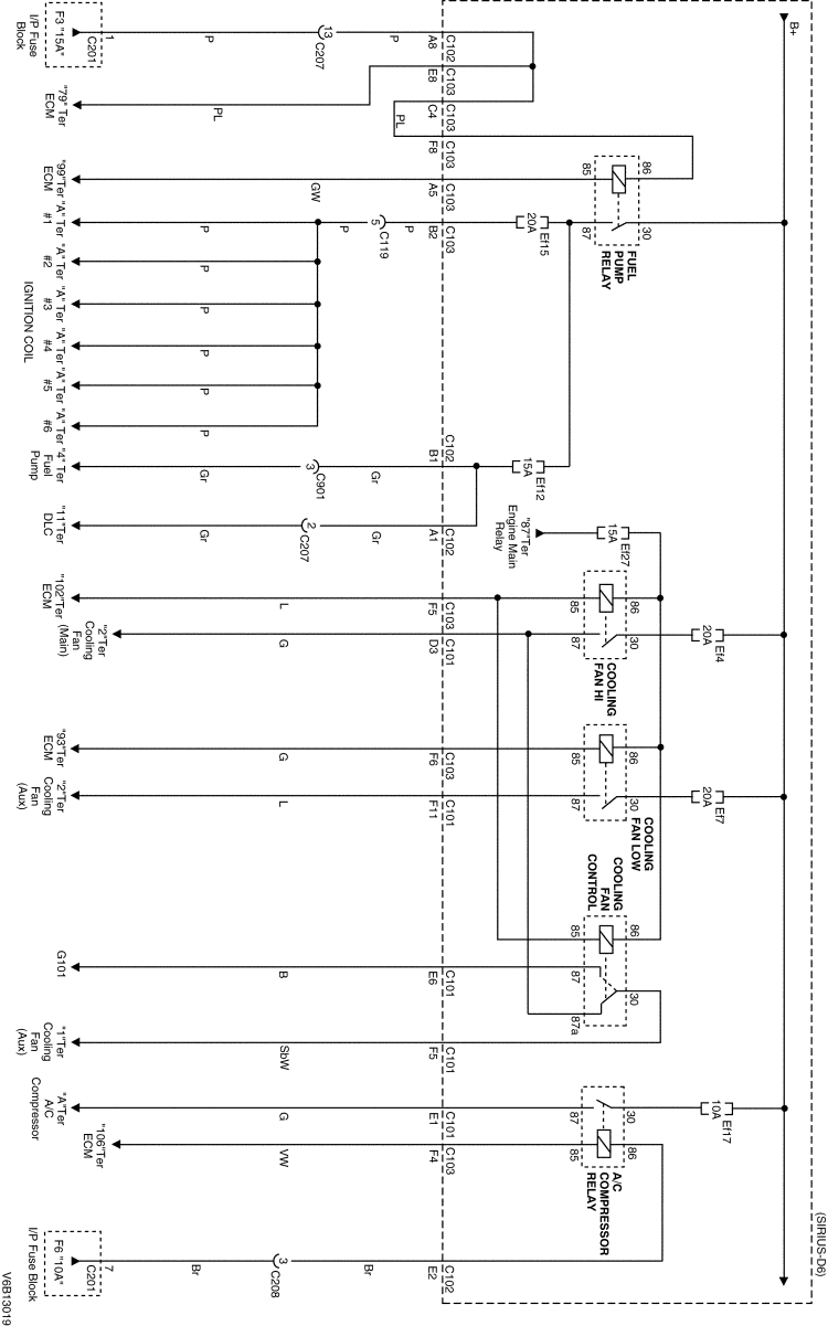
V6B13019.png
Показать иллюстрациюПеревод текста в иллюстрациях


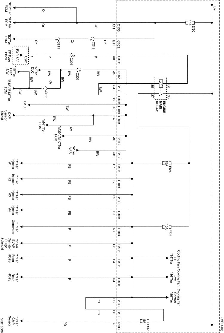
V6B13020.png
Показать иллюстрациюПеревод текста в иллюстрациях


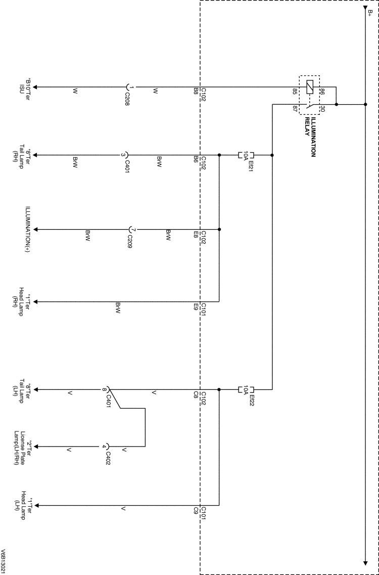
V6B13021.png
Показать иллюстрациюПеревод текста в иллюстрациях


V6B13022.png
Показать иллюстрациюПеревод текста в иллюстрациях


V6B13023.png
Показать иллюстрациюПеревод текста в иллюстрациях


V6B13024.png
Показать иллюстрациюПеревод текста в иллюстрациях


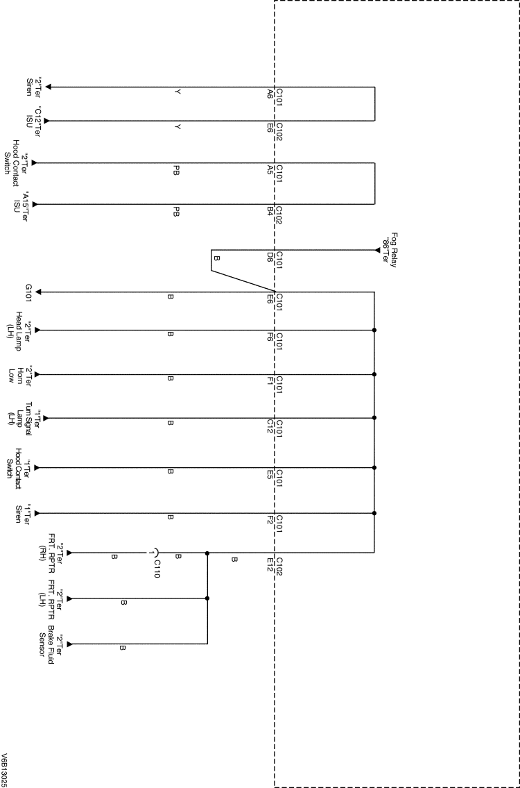
V6B13025.png
Показать иллюстрациюПеревод текста в иллюстрациях


V6B13026.png
Показать иллюстрациюПеревод текста в иллюстрациях


На предыдущую страницуНа следующую страницу


https://vnx.su/ 🛠 Руководства по ремонту и эксплуатации для автомобилей

Поиск по сайту

Остались вопросы или пожелания? Пишите на почту: support@vnx.su

Карта Сайта