К началу документа
Tacuma
На предыдущую страницуНа следующую страницу
Главная страница GMDEЗагрузить нединамическое оглавлениеЗагрузить динамическое оглавлениеПомощь

РАЗДЕЛ 9P

Двери.

Внимание! Отсоедините провод от отрицательного вывода аккумулятора, прежде чем снимать или устанавливать какие-либо электрические устройства, а также в ситуации, когда есть возможность касания оголенных электрических контактов каким-либо инструментом или приспособлением. Отсоединение этого провода позволяет избежать травм и повреждения оборудования автомобиля. Кроме того, если не указано иное, зажигание должно находиться в положении LOCK.

ОПИСАНИЕ И РАБОТА

ФИКСАТОР ЗАМКА ДВЕРИ.

Фиксаторы замка передних и задних дверей состоят из фиксатора с двумя винтами, вворачиваемыми в плавающую сетчатую пластину в средних и задних стойках. Дверь закрепляется в закрытом положении, когда вилка дверного замка освобождается и приходит в зацепление с фиксатором.

ЗАМОК ЗАДНЕЙ ДВЕРИ С БЛОКИРОВКОЙ ОТ ДЕТЕЙ

Замки задних дверей с блокировкой от детей помогают предотвращать открытие задних дверей автомобиля изнутри пассажирами, особенно детьми.
Для включения блокировки переместите рычажки для обеих задних дверей в положение фиксации. Затем закрыть обе двери. Пассажиры, сидящие сзади, не смогут открыть двери изнутри автомобиля.
Чтобы разблокировать замок задней двери с блокировкой от детей, разблокируйте дверь изнутри и затем откройте ее снаружи. Переместить рычаг в положение "открыто". Теперь задняя дверь будет работать нормально.

ДВЕРНЫЕ ЗАМКИ С ЭЛЕКТРОПРИВОДОМ.

В дверных замках с электроприводом используется электромагнитный клапан (соленоид), который содержится в каждом дверном замке. Дверные замки приводятся в действие с помощью привода на внутренней ручке двери или с помощью цилиндра замка, находящегося только на водительской двери. Когда водительская дверь запирается или отпирается с помощью привода или цилиндра замка, то соответствующим образом запираются или отпираются и все остальные двери.

ЭЛЕКТРИЧЕСКИЕ СТЕКЛОПОДЪЕМНИКИ

Электрические стеклоподъемники управляются с помощью электрических переключателей и работают от мотора на каждом стеклоподъемнике. На каждой двери есть переключатель для управления соответствующим стеклоподъемником, а на водительской двери есть четыре переключателя для управления всеми стеклоподъемниками автомобиля. Стекла опускаются путем опускания переключателя и поднимаются путем подъема переключателя. Стекло перестает двигаться при отпускании переключателя или когда стекло полностью открыто или закрыто.
Окно двери водителя управляется автоматически. При нажатии и отпускании переключателя стекло двери водителя начинает опускаться. Стекло останавливается при повторном срабатывании переключателя или когда оно будет полностью открыто. Если поднять и отпустить переключатель, стекло начинает подниматься и останавливается только при повторном срабатывании переключателя или когда оно будет полностью открыто.
На двери водителя также есть кнопка, при нажатии которой отключается управление стеклоподъемниками передней двери пассажира и задней двери.

ДИАГНОСТИЧЕСКАЯ ИНФОРМАЦИЯ И ПРОЦЕДУРЫ

ДВЕРНЫЕ ЗАМКИ С ЭЛЕКТРОПРИВОДОМ.

Дверные замки с электроприводом не работают ни на одной двери

ШагОперацияЗначенияДаНет
1
Проверить предохранитель ef6, f7.
Перегорел ли предохранитель ef6 или f7?
-
Перейдите на Шаг 2
Перейдите на Шаг 3
2
  1. Проверьте на предмет короткого замыкания и при необходимости устраните его.
  2. Заменить предохранитель ef6, f7.
Ремонт закончен?
-
Система в норме
-
3
Проверить напряжение на предохранителе ef6, f7.
Равно ли напряжение указанному значению?
11~14 В
Перейдите на Шаг 5
Перейдите на Шаг 4
4
Устранить разрыв цепи подачи электропитания на предохранитель ef6, f7.
Ремонт закончен?
-
Система в норме
-
5
Проверить напряжение на выводе 5 (ОРЖ) разъема реле замка двери.
Равно ли напряжение указанному значению?
11~14 В
Перейдите на Шаг 7
Перейдите на Шаг 6
6
Устранить разрыв цепи между предохранителем ef6, f7 и выводом 5 (ОРЖ) разъема реле замка двери.
Ремонт закончен?
-
Система в норме
-
7
С помощью омметра проверить целостность цепи между выводом 8 (ЧЕР) разъема реле двери и массой.
Показывает ли омметр указанное значение?
≈ 0 Ом
Перейдите на Шаг 9
Перейдите на Шаг 8
8
Устранить разрыв цепи между выводом 8 (ЧЕР) разъема реле двери и массой.
Ремонт закончен?
-
Система в норме
-
9
  1. Отсоединить разъем реле замка двери.
  2. Подключить провод с предохранителем к положительному выводу батареи.
  3. Подключить второй провод-перемычку к массе.
  4. Подключить перемычку от положительного вывода к выводу 2 (БЕЛ) разъема реле замка двери.
  5. Подключить перемычку от массы к выводу 3 (ТЕМ СИН) разъема реле замка двери.
  6. Поменять перемычки местами, так чтобы перемычка от положительного вывода была подключена к выводу 3 (ТЕМ СИН), а перемычка от массы - к проводу 2 (БЕЛ).
Происходит ли открывание и закрывание замков дверей при подключении питания и массы к выводам 2 и 3 разъема реле замка двери?
-
Перейдите на Шаг 11
Перейдите на Шаг 10
10
Устранить разрыв цепи между разъемом реле замка двери и s301.
Ремонт закончен?
-
Система в норме
-
11
  1. Подключить питание к двери водителя.
  2. Отсоединить разъем замка двери, расположенный над замком (замок имеет три разъема; проверить правильность разъема по схеме.)
  3. С помощью омметра проверить целостность цепи между выводом 2 (ЧЕР) переключателя реле двери и массой.
Показывает ли омметр указанное значение?
≈ 0 Ом
Перейдите на Шаг 13
Перейдите на Шаг 12
12
Устранить разрыв цепи между выводом 2 (ЧЕР) разъема переключателя переднего левого центрального замка и массой.
Ремонт закончен?
-
Система в норме
-
13
  1. Убедиться, что разъем реле замка двери подключен.
  2. Коснуться подключенным к массе проводом вывода 1 (ЗЕЛ/ТЕМ ЗЕЛ) отсоединенного разъема переднего левого центрального замка.
  3. Убрать подключенный к массе провод и коснуться им вывода 3 (СВ ЗЕЛ) отсоединенного разъема переключателя замка двери.
Происходит ли закрывание и открывание замков дверей при попеременном подключении к массе выводов 3 и 1?
-
Перейдите на Шаг 14
Перейдите на Шаг 15
14
  1. Убедитесь, что все запорные стержни замков соединены с замком двери водителя.
  2. Если отсоединенных стержней нет, замените замок двери водителя переключателем замка двери в сборе. (Не путайте замок двери с личинкой замка. Замок двери имеет три разъема: переключатель замка, соленоид замка, контактный выключатель двери. проверить правильность разъема по схеме.)
Ремонт закончен?
-
Система в норме
-
15
С помощью омметра проверить целостность цепи между выводом 1 (ЗЕЛ/ТЕМ ЗЕЛ) отсоединенного разъема переднего левого центрального замка и выводом 6 (СЕР) разъема реле замка двери.
Показывает ли омметр указанное значение?
≈ 0 Ом
Перейдите на Шаг 17
Перейдите на Шаг 16
16
Устранить разрыв СЕР провода.
Ремонт закончен?
-
Система в норме
-
17
С помощью омметра проверить целостность цепи между выводом 3 (СВ ЗЕЛ) отсоединенного разъема переднего левого центрального замка и выводом 4 (СВ ЗЕЛ) разъема реле замка двери.
Показывает ли омметр указанное значение?
≈ 0 Ом
Перейти на Шаг 19
Перейти на Шаг 18
18
Устранить разрыв СВ ЗЕЛ провода.
Ремонт закончен?
-
Система в норме
-

ЭЛЕКТРИЧЕСКИЕ СТЕКЛОПОДЪЕМНИКИ

Не работают электрические стеклоподъемники

ШагОперацияЗначенияДаНет
1
  1. Убедитесь, что переключатель блокировки окон на двери водителя не установлен в положение блокировки.
  2. Проверьте каждый электрический стеклоподъемник.
Работает ли какой-либо из стеклоподъемников?
-
Перейдите на Шаг 7
Перейдите на Шаг 2
2
  1. На двери водителя удалить винт крепления узла зеркала с электроприводом и переключателя электрического стеклоподъемника.
  2. Поднять переключатель электрического стеклоподъемника, чтобы открыть доступ к разъему.
  3. Установите зажигание в положение on.
  4. Проверить напряжение на выводе 10 (СВ ЗЕЛ) переключателя электрического стеклоподъемника.
Равно ли напряжение указанному значению?
11~14 В
Перейдите на Шаг 4
Перейдите на Шаг 3
3
Устранить разрыв цепи подачи питания на переключатель электрического стеклоподъемника двери водителя.
Ремонт закончен?
-
Система в норме
-
4
С помощью омметра проверить целостность цепи между массой и выводом 4 (ЧЕР) разъема переключателя электрического стеклоподъемника двери водителя.
Показывает ли омметр указанное значение?
≈ 0 Ом
Перейдите на Шаг 6
Перейдите на Шаг 5
5
Устранить разрыв цепи между массой и выводом 4 (ЧЕР) переключателя электрического стеклоподъемника двери водителя.
Ремонт закончен?
-
Система в норме
-
6
Заменить переключатель электрического стеклоподъемника двери водителя.
Ремонт закончен?
-
Система в норме
-
7
  1. Снять панель обивки двери, на которой не работает электрический стеклоподъемник.
  2. Подключить провод с предохранителем к положительному выводу батареи.
  3. Подключить второй провод-перемычку к отрицательному выводу батареи.
  4. Отсоединить двухпроводной разъем, которым электродвигатель стеклоподъемника подключен к жгуту.
  5. Подключить перемычку от отрицательного вывода батареи к одному из выводов двухпроводного разъема.
  6. Коснуться проводом от положительного вывода батареи второго вывода двухпроводного разъема.
  7. Поменять провода местами.
Поднимается ли стекло, когда электродвигатель подключен напрямую к батарее, и опускается ли при смене полярности подключения?
-
Перейдите на Шаг 9
Перейдите на Шаг 8
8
Заменить мотор стеклоподъемника.
Ремонт закончен?
-
Система в норме
-
9
Проверить работу стеклоподъемников.
Не работает стеклоподъемник окна водителя?
-
Перейдите на Шаг 10
Перейдите на Шаг 11
10
Заменить переключатель электрического стеклоподъемника двери водителя.
Ремонт закончен?
-
Система в норме
-
11
  1. Убедитесь, что переключатель блокировки окон на двери водителя не установлен в положение блокировки.
  2. Установите зажигание в положение on.
  3. Проверить вольтметром напряжение на выводе 5 (КОР/БЕЛ) разъема переключателя электрического стеклоподъемника двери водителя.
Равно ли напряжение указанному значению?
11~14 В
Перейдите на Шаг 12
Перейдите на Шаг 10
12
  1. Убедитесь, что переключатель блокировки окон на двери водителя не установлен в положение блокировки.
  2. Установите зажигание в положение on.
  3. Проверить напряжение на выводе 5 (КОР/БЕЛ) разъема переключателя электрического стеклоподъемника неработающего окна.
Равно ли напряжение указанному значению?
11~14 В
Перейдите на Шаг 14
Перейдите на Шаг 13
13
Устранить разрыв провода (КОР/БЕЛ) между переключателем стеклоподъемника и переключателем стеклоподъемника двери водителя.
Ремонт закончен?
-
Система в норме
-
14
  1. С помощью омметра проверить целостность цепи между массой и выводом 3 переключателя стеклоподъемника неработающего окна.
  2. С помощью омметра проверить целостность цепи между массой и выводом 4 переключателя стеклоподъемника неработающего окна.
Показывает ли омметр заданное значение при обеих проверках?
≈ 0 Ом
Перейдите на Шаг 15
Перейдите на Шаг 16
15
Заменить переключатель электрического стеклоподъемника.
Ремонт закончен?
-
Система в норме
-
16
Если при проверке на шаге 15 оказалось, что один из проверенных проводов переключателя стеклоподъемника не связан с массой, проверить омметром целостность этого провода между переключателем стеклоподъемника и переключателем стеклоподъемника двери водителя.
Показывает ли омметр указанное значение?
≈ 0 Ом
Перейдите на Шаг 17
Перейти на Шаг 18
17
Заменить переключатель стеклоподъемника неработающего окна.
Ремонт закончен?
-
Система в норме
-
18
Устранить разрыв цепи между переключателем стеклоподъемника и переключателем стеклоподъемника двери водителя.
Ремонт закончен?
-
Система в норме
-

Система,в которой не работают только передние электрические стеклоподъемники , один или оба стеклоподъемника.

Внимание! Если питание на моторы стеклоподъемников подается непосредственно от аккумуляторной батареи с помощью перемычек, то убедитесь в том, что одна из перемычек содержит плавкий предохранитель. Если случайно перемычки соприкоснутся, предохранитель защитит от искрения и возгорания от внезапного нагрева разъема.

ШагОперацияЗначенияДаНет
1
  1. Установите зажигание в положение on.
  2. Попытайтесь поработать с обоими электрическими стеклоподъемниками.
Работает ли какой-нибудь из стеклоподъемников?
-
Перейти на Шаг 18
Перейдите на Шаг 2
2
Визуально осмотреть соединение на двойном переключателе электрического стеклоподъемника.
Электрический разъем правильно соединен с переключателем?
-
Перейдите на Шаг 4
Перейдите на Шаг 3
3
Правильно подключить электрический разъем к двойному переключателю электрического стеклоподъемника.
Ремонт закончен?
-
Система в норме
-
4
  1. Отсоединить электрический разъем от двойного переключателя электрического стеклоподъемника.
  2. Установите зажигание в положение on.
  3. Проверить напряжение на клемме 4 и 5 на разъеме главного переключателя электрического стеклоподъемника.
Равно ли напряжение указанному значению?
11~14 В
Перейдите на Шаг 16
Перейдите на Шаг 5
5
Проверить предохранители ef9.
Перегорел ли один из этих предохранителей?
-
Перейдите на Шаг 6
Перейдите на Шаг 7
6
  1. Проверьте на предмет короткого замыкания и при необходимости отремонтируйте.
  2. Заменить сгоревший(ие) предохранитель(и).
Ремонт закончен?
-
Система в норме
-
7
  1. Установите зажигание в положение on.
  2. Проверить напряжения на предохранителях ef6.
Равны ли напряжения указанному значению?
11~14 В
Перейдите на Шаг 9
Перейдите на Шаг 8
8
Отремонтировать источник подачи питания на предохранитель, который не показывал напряжение батареи при включенном зажигании.
Ремонт закончен?
-
Система в норме
-
9
  1. Снять реле питания.
  2. Установите зажигание в положение on.
  3. Проверить напряжение на клемме 30 и 85 патрона реле электрического стеклоподъемника. (Клеммы патрона реле могут иметь маркировку на нижней части реле.)
Вольтметр показывает установленное значение на клеммах 30 и 85?
11~14 В
Перейдите на Шаг 11
Перейдите на Шаг 10
10
Отремонтировать разомкнутую цепь между предохранителями и реле электрического стеклоподъемника.
Ремонт закончен?
-
Система в норме
-
11
Оставив реле электрического стеклоподъемника снятым, с помощью омметра проверить сопротивление между массой и клеммой 85 патрона реле электрического стеклоподъемника.
Показывает ли омметр указанное значение?
≈ 0 Ом
Перейдите на Шаг 13
Перейдите на Шаг 12
12
Отремонтировать разомкнутую цепь между массой и клеммой 85 патрона реле электрического стеклоподъемника.
Ремонт закончен?
-
Система в норме
-
13
  1. Временно поставьте хорошее реле вместо реле электрического стеклоподъемника.
  2. Попытайтесь поработать с электрическими стеклоподъемниками.
Электрические стеклоподъемники работают с подменным реле?
-
Перейдите на Шаг 14
Перейдите на Шаг 15
14
  1. Установить заменявшее реле на место.
  2. Заменить исходное реле электрического стеклоподъемника.
Ремонт закончен?
-
Система в норме
-
15
Устранить разрыв цепи между выводом 30 гнезда реле электрического стеклоподъемника и выводом 10 двойного переключателя электрического стеклоподъемника.
Ремонт закончен?
-
Система в норме
-
16
При отключенном двойном переключателе электрического стеклоподъемника с помощью омметра проверить сопротивление между массой и выводом 4 разъема двойного переключателя электрического стеклоподъемника.
Равно ли сопротивление указанному значению?
≈ 0 Ом
Перейти на Шаг 18
Перейдите на Шаг 17
17
Устранить разрыв цепи между массой и выводом 4 разъема двойного переключателя стеклоподъемника.
Ремонт закончен?
-
Система в норме
-
18
  1. Снять панель обивки двери, на которой установлен неработающий электрический стеклоподъемник.
  2. Переместить аккумуляторную батарею поближе к двери так, чтобы мотор стеклоподъемника мог питаться непосредственно от батареи с помощью проволочных перемычек.
  3. Отсоединить двухштырьковый соединитель мотора стеклоподъемника в двери.

Важно: Чтобы избежать перегорания предохранителя в проводной перемычке, не прикасайтесь одновременно к обеим перемычкам.

  1. Закрепить проводную перемычку между отрицательной клеммой батареи и одной из клемм в двухштырьковом разъеме мотора стеклоподъемника.
  2. Закрепить проводную перемычку между положительной клеммой батареи и оставшейся клеммой в двухштырьковом разъеме мотора стеклоподъемника. Пока мотор не окажется в конце своего хода, стеклоподъемник должен двигаться с прикрепленными перемычками.
  3. Чтобы переместить стекло в обратном направлении, нужно поменять соединения проводных соединений на разъеме мотора электрического двигателя.
Электрический стеклоподъемник работает в обоих направлениях, если мотор приводится в работу непосредственно от батареи?
-
Перейти на Шаг 20
Перейти на Шаг 19
19
Заменить мотор стеклоподъемника.
Ремонт закончен?
-
Система в норме
-
20
  1. Перед присоединением двухштырькового разъема мотора стеклоподъемника подключить омметр между клеммами, чтобы проверить сопротивление мотора.
  2. Снять показание омметра для сопротивления мотора.
  3. Присоединить разъем мотора и установить панель обивки двери.
  4. Отсоединить электрический разъем от двойного переключателя электрического стеклоподъемника.
  5. На разъеме двойного переключателя электрического стеклоподъемника с помощью омметра проверить сопротивление между клеммами , которые ведут к мотору, проверенному во время шаг 15
Сопротивление на разъеме переключателя приблизительно равно сопротивлению, которое ранее было измерено на разъеме мотора?
-
Перейдите на Шаг 22
Перейдите на Шаг 21
21
Отремонтировать разомкнутую цепь между мотором стеклоподъемника и переключателем стеклоподъемника.
Ремонт закончен?
-
Система в норме
-
22
Заменить переключатель электрического стеклоподъемника.
Ремонт закончен?
-
Система в норме
-

Система с передними и задними электрическими стеклоподъемниками, при этом один или оба передних стеклоподъемника не работают.

Внимание! Если питание на моторы стеклоподъемников подается непосредственно от аккумуляторной батареи с помощью перемычек, то убедитесь в том, что одна из перемычек содержит плавкий предохранитель. Если случайно перемычки соприкоснутся, предохранитель защитит от искрения и возгорания от внезапного нагрева разъема.

ШагОперацияЗначенияДаНет
1
  1. Установите зажигание в положение on.
  2. Попытайтесь поработать с каждым передним электрическим стеклоподъемником.
Работает ли какой-нибудь из стеклоподъемников?
-
Перейти на Шаг 18
Перейдите на Шаг 2
2
Визуально проверить соединение на главном переключателе электрического стеклоподъемника.
Электрический разъем правильно соединен с главным переключателем?
-
Перейдите на Шаг 4
Перейдите на Шаг 3
3
Правильно прикрепить электрический разъем к главному переключателю электрического стеклоподъемника.
Ремонт закончен?
-
Система в норме
-
4
  1. Отсоединить электрический разъем от главного переключателя электрического стеклоподъемника.
  2. Установите зажигание в положение on.
  3. Проверить напряжение на клемме 3 и 10 на разъеме главного переключателя электрического стеклоподъемника.
Равно ли напряжение указанному значению?
11~14 В
Перейдите на Шаг 16
Перейдите на Шаг 5
5
Проверить предохранители ef9.
Перегорел ли один из этих предохранителей?
-
Перейдите на Шаг 6
Перейдите на Шаг 7
6
  1. Проверьте на предмет короткого замыкания и при необходимости отремонтируйте.
  2. Заменить сгоревший(ие) предохранитель(и).
Ремонт закончен?
-
Система в норме
-
7
  1. Установите зажигание в положение on.
  2. Проверить напряжения на предохранителях ef9.
Равны ли напряжения указанному значению?
11~14 В
Перейдите на Шаг 9
Перейдите на Шаг 8
8
Отремонтировать источник подачи питания на предохранитель, который не показывал напряжение батареи при включенном зажигании.
Ремонт окончен?
-
Система в норме
-
9
  1. Снять реле электрического стеклоподъемника.
  2. Установите зажигание в положение on.
  3. Проверить напряжение на клемме 30 и 86 патрона реле электрического стеклоподъемника. (Клеммы патрона реле могут иметь маркировку на нижней части реле.)
Показывает ли вольтметр указанное значение?
11~14 В
Перейдите на Шаг 11
Перейдите на Шаг 10
10
Отремонтировать разомкнутую цепь между предохранителями и реле электрического стеклоподъемника.
Ремонт закончен?
-
Система в норме
-
11
Оставив реле электрического стеклоподъемника снятым, с помощью омметра проверить сопротивление между массой и клеммой 85 патрона реле электрического стеклоподъемника.
Показывает ли омметр указанное значение?
≈ 0 Ом
Перейдите на Шаг 13
Перейдите на Шаг 12
12
Отремонтировать разомкнутую цепь между массой и клеммой 85 патрона реле электрического стеклоподъемника.
Ремонт закончен?
-
Система в норме
-
13
  1. Временно поставьте хорошее реле вместо реле электрического стеклоподъемника.
  2. Попытайтесь поработать с электрическими стеклоподъемниками.
Электрические стеклоподъемники работают с подменным реле?
-
Перейдите на Шаг 14
Перейдите на Шаг 15
14
  1. Установить заменявшее реле на место.
  2. Заменить исходное реле электрического стеклоподъемника.
Ремонт закончен?
-
Система в норме
-
15
Устранить разрыв цепи выводом 30 гнезда реле электрического стеклоподъемника и выводами 3 и 10 переключателя электрического стеклоподъемника.
Ремонт закончен?
-
Система в норме
-
16
При отключенном главном переключателе электрического стеклоподъемника с помощью омметра проверить сопротивление между массой и выводом 3 разъема двойного переключателя электрического стеклоподъемника.
Равно ли сопротивление указанному значению?
≈ 0 Ом
Перейти на Шаг 18
Перейдите на Шаг 17
17
Устранить разрыв цепи между массой и выводом 3 разъема главного переключателя стеклоподъемника.
Ремонт закончен?
-
Система в норме
-
18
  1. Снять панель обивки передней двери, на которой установлен неработающий электрический стеклоподъемник.
  2. Переместить аккумуляторную батарею поближе к двери так, чтобы мотор стеклоподъемника мог питаться непосредственно от батареи с помощью проволочных перемычек.
  3. Отсоединить двухштырьковый соединитель мотора стеклоподъемника в двери.

Важно: Чтобы избежать перегорания предохранителя в проводной перемычке, не прикасайтесь одновременно к обеим перемычкам.

  1. Закрепить проводную перемычку между отрицательной клеммой батареи и одной из клемм в двухштырьковом разъеме мотора стеклоподъемника.
  2. Закрепить проводную перемычку между положительной клеммой батареи и оставшейся клеммой в двухштырьковом разъеме мотора стеклоподъемника. Пока мотор не окажется в конце своего хода, стеклоподъемник должен двигаться с прикрепленными перемычками.
  3. Чтобы переместить стекло в обратном направлении, нужно поменять соединения проводных соединений на разъеме мотора электрического двигателя.
Электрический стеклоподъемник работает в обоих направлениях, если мотор приводится в работу непосредственно от батареи?
-
Перейти на Шаг 20
Перейти на Шаг 19
19
Заменить мотор стеклоподъемника.
Ремонт закончен?
-
Система в норме
-
20
  1. Перед присоединением двухштырькового разъема мотора стеклоподъемника подключить омметр между клеммами, чтобы проверить сопротивление мотора.
  2. Снять показание омметра для сопротивления мотора.
  3. Присоединить разъем мотора и установить панель обивки двери.
  4. Отсоединить электрический разъем от переключателя электрического стеклоподъемника.
  5. На разъеме главного переключателя электрического стеклоподъемника с помощью омметра проверить сопротивление между клеммами и клеммами, которые ведут к мотору, проверенному во время шаг 15
Сопротивление на разъеме главного переключателя приблизительно равно сопротивлению, которое ранее было измерено на разъеме мотора?
-
Перейдите на Шаг 22
Перейдите на Шаг 21
21
Отремонтировать разомкнутую цепь между мотором стеклоподъемника и переключателем стеклоподъемника.
Ремонт закончен?
-
Система в норме
-
22
Заменить переключатель электрического стеклоподъемника.
Ремонт закончен?
-
Система в норме
-

Система с передними и задними электрическими стеклоподъемниками, при этом один или оба задних стеклоподъемника не работают.

Внимание! Если питание на моторы стеклоподъемников подается непосредственно от аккумуляторной батареи с помощью перемычек, то убедитесь в том, что одна из перемычек содержит плавкий предохранитель. Если случайно перемычки соприкоснутся, предохранитель защитит от искрения и возгорания от внезапного нагрева разъема.

ШагОперацияЗначенияДаНет
1
  1. Установите зажигание в положение on.
  2. Проверьте, не установлен ли главный переключатель электрического стеклоподъемника в положение блокировки стеклоподъемника.
Работает ли хотя бы одни из задних стеклоподъемников?
-
Перейти на Шаг 18
Перейдите на Шаг 2
2
Визуально проверить соединение на главном переключателе электрического стеклоподъемника.
Электрический разъем правильно соединен с главным переключателем?
-
Перейдите на Шаг 4
Перейдите на Шаг 3
3
Правильно прикрепить электрический разъем к главному переключателю электрического стеклоподъемника.
Ремонт закончен?
-
Система в норме
-
4
  1. Отсоединить электрический разъем от главного переключателя электрического стеклоподъемника.
  2. Установите зажигание в положение on.
  3. Проверить напряжение на клемме 3 и 10 на разъеме главного переключателя электрического стеклоподъемника.
Равно ли напряжение указанному значению?
11~14 В
Перейдите на Шаг 16
Перейдите на Шаг 5
5
Проверить предохранители ef9.
Перегорел ли один из этих предохранителей?
-
Перейдите на Шаг 6
Перейдите на Шаг 7
6
  1. Проверьте на предмет короткого замыкания и при необходимости отремонтируйте.
  2. Заменить сгоревший(ие) предохранитель(и).
Ремонт закончен?
-
Система в норме
-
7
  1. Установите зажигание в положение on.
  2. Проверить напряжения на предохранителях ef9.
Равны ли напряжения указанному значению?
11~14 В
Перейдите на Шаг 9
Перейдите на Шаг 8
8
Отремонтировать источник подачи питания на предохранитель, который не показывал напряжение батареи при включенном зажигании.
Ремонт закончен?
-
Система в норме
-
9
  1. Установите зажигание в положение on.
  2. Снять реле электрического стеклоподъемника.
  3. Проверить напряжение на клемме 30 и 86 патрона реле электрического стеклоподъемника. (Клеммы патрона реле могут иметь маркировку на нижней части реле.)
Показывает ли вольтметр указанное значение?
11~14 В
Перейдите на Шаг 11
Перейдите на Шаг 10
10
Отремонтировать разомкнутую цепь между предохранителями и реле электрического стеклоподъемника.
Ремонт закончен?
-
Система в норме
-
11
Оставив реле электрического стеклоподъемника снятым, с помощью омметра проверить сопротивление между массой и клеммой 85 патрона реле электрического стеклоподъемника.
Показывает ли омметр указанное значение?
≈ 0 Ом
Перейдите на Шаг 13
Перейдите на Шаг 12
12
Отремонтировать разомкнутую цепь между массой и клеммой 85 патрона реле электрического стеклоподъемника.
Ремонт закончен?
-
Система в норме
-
13
  1. Временно поставьте хорошее реле вместо реле электрического стеклоподъемника.
  2. Попытайтесь поработать с электрическими стеклоподъемниками.
Электрические стеклоподъемники работают с подменным реле?
-
Перейдите на Шаг 14
Перейдите на Шаг 15
14
  1. Установить заменявшее реле на место.
  2. Заменить исходное реле электрического стеклоподъемника.
Ремонт закончен?
-
Система в норме
-
15
Отремонтировать разомкнутую цепь между клеммой 87 патрона реле электрического стеклоподъемника и клеммой 3 и 10 главного переключателя электрического стеклоподъемника.
Ремонт закончен?
-
Система в норме
-
16
При отключенном главном переключателе электрического стеклоподъемника с помощью омметра проверить сопротивление между массой и выводом 3 разъема главного переключателя электрического стеклоподъемника.
Равно ли сопротивление указанному значению?
≈ 0 Ом
Перейти на Шаг 18
Перейдите на Шаг 17
17
Устранить разрыв цепи между массой и выводом 3 разъема переключателя электрического стеклоподъемника.
Ремонт закончен?
-
Система в норме
-
18
  1. Снять панель обивки задней двери, на которой установлен неработающий электрический стеклоподъемник.
  2. Переместить аккумуляторную батарею поближе к двери так, чтобы мотор стеклоподъемника мог питаться непосредственно от батареи с помощью проволочных перемычек.
  3. Отсоединить двухштырьковый соединитель мотора стеклоподъемника в двери.

Важно: Чтобы избежать перегорания предохранителя в проводной перемычке, не прикасайтесь одновременно к обеим перемычкам.

  1. Закрепить проводную перемычку между отрицательной клеммой батареи и одной из клемм в двухштырьковом разъеме мотора стеклоподъемника.
  2. Закрепить проводную перемычку между положительной клеммой батареи и оставшейся клеммой в двухштырьковом разъеме мотора электрического стеклоподъемника. Пока мотор не окажется в конце своего хода, электрический стеклоподъемник должен двигаться с прикрепленными перемычками.
  3. Чтобы переместить электрический стеклоподъемник в обратном направлении, нужно поменять соединения проводных перемычек на разъеме мотора электрического двигателя.
Электрический стеклоподъемник работает в обоих направлениях, если мотор приводится в работу непосредственно от батареи?
-
Перейти на Шаг 20
Перейти на Шаг 19
19
Заменить мотор электрического стеклоподъемника.
Ремонт закончен?
-
Система в норме
-
20
  1. Проверить, выключен ли блокиратор стеклоподъемника на главном переключателе.
  2. Установите зажигание в положеµµние on.
  3. На разъеме переключателя заднего стеклоподъемника проверить напряжение на клемме 1.
Равно ли напряжение указанному значению?
11~14 В
Перейдите на Шаг 21
Перейдите на Шаг 29
21
  1. На двухштырьковом разъеме мотора электрического стеклоподъемника с помощью омметра измерить сопротивление мотора электрического стеклоподъемника. Снять показание сопротивления.
  2. Присоединить двухштырьковый разъем мотора электрического стеклоподъемника.
  3. Отсоединить разъем переключателя заднего стеклоподъемника.
  4. С помощью омметра измерить сопротивление между клеммами 2 и 6 разъема переключателя заднего стеклоподъемника.
Сопротивление, измеренное на разъеме переключателя заднего стеклоподъемника, равно сопротивлению, измеренному ранее на разъеме мотора заднего стеклоподъемника?
-
Перейдите на Шаг 23
Перейдите на Шаг 22
22
Отремонтировать разомкнутую цепь между переключателем заднего стеклоподъемника и разъемом мотора заднего стеклоподъемника.
Ремонт закончен?
-
Система в норме
-
23
  1. Снять переключатель заднего стеклоподъемника для испытаний.
  2. Соединить омметр между клеммами 4 и 2 переключателя заднего стеклоподъемника и снять показания омметра.
  3. Соединить омметр между клеммами 11 и 6 переключателя заднего стеклоподъемника и снять показания омметра.
Показывает ли вольтметр указанное значение при обоих испытаниях?
≈ 0 Ом
Перейдите на Шаг 25
Перейдите на Шаг 24
24
Заменить переключатель заднего электрического стеклоподъемника.
Ремонт закончен?
-
Система в норме
-
25
  1. Сняв переключатель заднего стеклоподъемника для проверки, подключить омметр между выводами 2 и 5 и установить переключатель в положение down. Снять показания омметра.
  2. Подключить омметр между выводами 8 и 2, установить переключатель в положение up и снять показания омметра.
Показывает ли вольтметр указанное значение при обоих испытаниях?
≈ 0 Ом
Перейдите на Шаг 26
Перейдите на Шаг 24
26
  1. Присоединить разъем переключателя заднего стеклоподъемника.
  2. Отсоединить электрический разъем от главного переключателя электрического стеклоподъемника.
  3. С помощью омметра измерить сопротивление на главном переключателе электрического стеклоподъемника между выводами 12 и 14, если вы проверяете левый задний стеклоподъемник, или выводами 13 и 11, если вы проверяете правый задний стеклоподъемник.
Сопротивление равно значению, полученному ранее на разъеме мотора?
-
Перейдите на Шаг 28
Перейдите на Шаг 27
27
Отремонтировать разомкнутую цепь между главным переключателем электрического стеклоподъемника и переключателем заднего стеклоподъемника.
Ремонт закончен?
-
Система в норме
-
28
Заменить главный переключатель электрического стеклоподъемника.
Ремонт закончен?
-
Система в норме
-
29
  1. Снять главный переключатель электрического стеклоподъемника, но не отсоединять электрический разъем.
  2. Проверить, выключен ли блокиратор стеклоподъемника.
  3. Установите зажигание в положение on.
  4. Проверить напряжение на выводе 5 главного переключателя электрического стеклоподъемника.
Равно ли напряжение указанному значению?
11~14 В
Перейдите на Шаг 27
Перейти на Шаг 18

ИНСТРУКЦИИ ПО РЕМОНТУ

РАБОТЫ НА АВТОМОБИЛЕ



UAA9L250
Показать иллюстрациюПеревод текста в иллюстрациях


НАПРАВЛЯЮЩАЯ СТЕКЛА ПЕРЕДНЕЙ/ЗАДНЕЙ ДВЕРИ

Процедура снятия и установки

  1. Снять наружное зеркало заднего вида. См. раздел 9L, Стекла и зеркала.
  2. Снять панель обивки двери. См. Раздел 9G, Облицовка салона.
  3. Снять наружный молдинг желобка.


  4. UAA9P020
    Показать иллюстрациюПеревод текста в иллюстрациях


  5. Снять направляющую стекла.
  6. Установка производится в порядке, обратном снятию.


UAA9P030
Показать иллюстрациюПеревод текста в иллюстрациях


ФИКСАТОР ЗАМКА ДВЕРИ.

Процедура снятия и установки

  1. Снять винты.
  2. Замечания по установке
    Момент затяжки
    24 Н•м (18 lb-ft)

    Примечание: Непосредственный контакт разнородных металлов может привести к быстрой коррозии. Во избежание преждевременной коррозии используйте надлежащий крепеж.

  3. Снять фиксатор замка двери.
  4. Установка производится в порядке, обратном снятию.


UAA9P040
Показать иллюстрациюПеревод текста в иллюстрациях


РЕГУЛИРОВКА ФИКСАТОРА ЗАМКА ДВЕРИ.

Фиксатор замка двери состоит из фиксатора с двумя винтами, которые ввинчиваются в секционную плавающую пластину сепаратора, расположенную в соответствующей стойке кузова. Эта плавающая пластина сепаратора позволяет легко регулировать фиксатор внутрь-наружу или вверх-вниз. Дверь блокируется в закрытом положении, когда вилка дверного замка освобождается и приводит к зацеплению с фиксатором.

Примечание: Фиксатор замка двери является важной крепежной деталью, которая может оказывать влияние на работу жизненно значимых компонентов и систем и может вызывать расходы, связанные с капитальным ремонтом. Если необходима замена,то фиксатор замка двери должен быть заменен на фиксатор с таким же номером детали или аналогичный. Не пользоваться для замены деталью более низкого качества или подменной деталью. Указанные значения крутящего момента должны использоваться во время повторной сборки, чтобы обеспечить надлежащее крепление детали.



B109P005
Показать иллюстрациюПеревод текста в иллюстрациях


Регулировка вверх/вниз или внутрь/наружу

    Регулировка фиксатора замка в направлениях вверх/вниз или внутрь/наружу может потребоваться по ряду причин: при повреждении автомобиля в результате столкновения, при установке нового уплотнителя двери, при жалобах клиента на чрезмерный шум ветра, при плохом открывании или закрывании двери. Чтобы отрегулировать фиксатор двери в направлении вверх/вниз или внутрь/наружу, выполнить следующие действия:
  1. Дверь должна быть выровнена надлежащим образом.
  2. Ослабить винты фиксатора.
  3. Плавающая сетчатая пластина может быть слегка подвинута с помощью кончиков винтов фиксатора. Передвинуть плавающую сетчатую пластину в нужное положение.
  4. Примечание: Чтобы не повредить секционную плавающую пластину сепаратора, важно использовать вращающийся надфиль с плоской головкой. Винты фиксатора и секционированная сетчатая пластина являются важными крепежными деталями, которые могут оказывать влияние на работу жизненно значимых компонентов и систем.

  5. Если для надлежащей регулировки необходимо переместить плавающую пластину сепаратора на расстояние, превышающее возможное, то использовать ручную электродрель и 3/8-дюймовый вращающийся надфиль с плоской головкой, чтобы увеличить проем кузова в нужном направлении.
  6. Затянуть винты фиксатора до нужного положения.
  7. Замечания по установке
    Момент затяжки
    24 Н•м (18 lb-ft)


UAA9P050
Показать иллюстрациюПеревод текста в иллюстрациях


ЗАМОК ПЕРЕДНЕЙ/ЗАДНЕЙ ДВЕРИ

Процедура снятия и установки

  1. Отсоедините провод от отрицательного вывода аккумуляторной батареи.
  2. Снять декоративную накладку уплотнителя. См. "Декоративная накладка уплотнителя двери" в этом разделе.
  3. Удалить болты.
  4. Замечания по установке
    Момент затяжки
    8 Н•м (71 lb-in)

    Примечание: Непосредственный контакт разнородных металлов может привести к быстрой коррозии. Во избежание преждевременной коррозии используйте надлежащий крепеж.



    UAA9P060
    Показать иллюстрациюПеревод текста в иллюстрациях


  5. Отсоединить стержни замка.
  6. Отсоединить электрический разъем.
  7. Снять замок двери в сборе.
  8. Установка производится в порядке, обратном снятию.


D18B401B
Показать иллюстрациюПеревод текста в иллюстрациях


ВНУТРЕННЯЯ РУЧКА ДВЕРИ

Процедура снятия и установки

  1. Снять декоративную накладку уплотнителя двери. См. "Декоративная накладка уплотнителя двери"в этом разделе.
  2. Снять винт, крепящий дверную ручку к двери.
  3. Подвинуть ручку вперед и снять ее с двери.
  4. Отсоединить внутреннюю ручку двери и тяги замка.
  5. Установка производится в порядке, обратном снятию.


UAA9P080
Показать иллюстрациюПеревод текста в иллюстрациях


НАРУЖНАЯ РУЧКА ДВЕРИ

Процедура снятия и установки

  1. Полностью поднять стекло окна.
  2. Снять декоративную накладку уплотнителя двери. См. "Декоративная накладка уплотнителя двери"в этом разделе.
  3. Удалить болты.
  4. Замечания по установке
    Момент затяжки
    4 Н•м (35 lb-in)

    Примечание: Непосредственный контакт разнородных металлов может привести к быстрой коррозии. Во избежание преждевременной коррозии используйте надлежащий крепеж.

  5. Отсоединить наружную ручку двери и тяги замка.
  6. Установка производится в порядке, обратном снятию.


UAA9P090
Показать иллюстрациюПеревод текста в иллюстрациях


ЦИЛИНДР ЗАМКА ДВЕРИ

Процедура снятия и установки

  1. Снять декоративную накладку уплотнителя двери. См. "Декоративная накладка уплотнителя двери"в этом разделе.
  2. Отсоединить тягу замка наружной ручки двери.
  3. Снять фиксатор и цилиндр замка.
  4. Установка производится в порядке, обратном снятию.


UAA9P100
Показать иллюстрациюПеревод текста в иллюстрациях


ЭЛЕКТРИЧЕСКИЙ СТЕКЛОПОДЪЕМНИК ПЕРЕДНЕЙ/ЗАДНЕЙ ДВЕРИ

Процедура снятия и установки

  1. Отсоедините провод от отрицательного вывода аккумуляторной батареи.
  2. Снять стекло двери. См. раздел 9L, Стекла и зеркала.
  3. Отсоединить электрический разъем.
  4. Удалить гайки и болты.
  5. Снять стеклоподъемник.


  6. UAA9P110
    Показать иллюстрациюПеревод текста в иллюстрациях


  7. Снять винты.
  8. Снять электродвигатель стеклоподъемника.
  9. Установка производится в порядке, обратном снятию.


UAA9P210
Показать иллюстрациюПеревод текста в иллюстрациях


ЗАДНИЙ МЕХАНИЧЕСКИЙ СТЕКЛОПОДЪЕМНИК

Процедура снятия и установки

  1. Снять ручку стеклоподъемника. См. "Рукоятка заднего механического стеклоподъемника" в этом разделе.
  2. Снять стекло задней двери. См. раздел 9L, Стекла и зеркала.
  3. Снять гайки и стеклоподъемник.
  4. Установка производится в порядке, обратном снятию.


UAA9P010
Показать иллюстрациюПеревод текста в иллюстрациях


РУКОЯТКА ЗАДНЕГО МЕХАНИЧЕСКОГО СТЕКЛОПОДЪЕМНИКА

Процедура снятия и установки

  1. Сдвинуть пластиковое кольцо за рукояткой стеклоподъемника, чтобы открыть доступ к разрезному кольцу.
  2. Снять разрезное кольцо.
  3. Снять ручку стеклоподъемника и пластиковое кольцо.
  4. Установка производится в порядке, обратном снятию.


UAA9P120
Показать иллюстрациюПеревод текста в иллюстрациях


ПЕРЕДНЯЯ/ЗАДНЯЯ ДВЕРЬ В СБОРЕ

Процедура снятия и установки

  1. Отсоедините провод от отрицательного вывода аккумуляторной батареи.
  2. Снять болты и фиксатор открытого положения двери с кузова.
  3. С помощью другого механика снять болты петель двери и переднюю дверь.
  4. Замечания по установке
    Момент затяжки
    25 Н•м (225 lb-in)

    Примечание: Непосредственный контакт разнородных металлов может привести к быстрой коррозии. Во избежание преждевременной коррозии используйте надлежащий крепеж.

  5. Отсоединить резиновую втулку между кузовом и дверью и электрический разъем.
  6. Установка производится в порядке, обратном снятию.


UAA9P130
Показать иллюстрациюПеревод текста в иллюстрациях


ФИКСАТОР ОТКРЫТОГО ПОЛОЖЕНИЯ ДВЕРИ

Процедура снятия и установки

  1. Снять декоративную накладку уплотнителя двери. См. "Декоративная накладка уплотнителя двери" в этом разделе.
  2. Удалить болт на кузове.
  3. Замечания по установке
    Момент затяжки
    25 Н•м (18 lb-ft)
  4. Удалить болты на двери.
  5. Замечания по установке
    Момент затяжки
    6 Н•м (53 lb-in)

    Примечание: Непосредственный контакт разнородных металлов может привести к быстрой коррозии. Во избежание преждевременной коррозии используйте надлежащий крепеж.

  6. Снять фиксатор открытого положения двери.
  7. Установка производится в порядке, обратном снятию.


UAA9P140
Показать иллюстрациюПеревод текста в иллюстрациях


НАРУЖНЫЙ МОЛДИНГ ЖЕЛОБКА

Процедура снятия и установки

  1. Полностью опустить стекло.
  2. Снять внешний молдинг желобка с двери.
  3. Установка производится в порядке, обратном снятию.


UAA9P150
Показать иллюстрациюПеревод текста в иллюстрациях


УПЛОТНИТЕЛЬ ДВЕРИ

Процедура снятия и установки

  1. Снять болт крепления фиксатора открытого положения двери к кузову и фиксатор открытого положения двери .
  2. Снять уплотнитель двери.
  3. Установка производится в порядке, обратном снятию.


UAA9F020
Показать иллюстрациюПеревод текста в иллюстрациях


ДЕКОРАТИВНАЯ НАКЛАДКА УПЛОТНИТЕЛЯ ДВЕРИ

Процедура снятия и установки

  1. Снять панель обивки двери. См. Раздел 9G, Облицовка салона.
  2. Снять винты.
  3. Отсоединить электрический разъем.
  4. Снять динамик.


  5. UAA9P160
    Показать иллюстрациюПеревод текста в иллюстрациях


  6. Снять винты и кронштейн тяги двери.
  7. Снять декоративную накладку уплотнителя двери.
  8. Установка производится в порядке, обратном снятию.


UAA9P170
Показать иллюстрациюПеревод текста в иллюстрациях


УПЛОТНИТЕЛЬ ПРОЕМА ПЕРЕДНЕЙ ДВЕРИ.

Процедура снятия и установки

  1. Снять предохранительную пластинку, переднюю панель порога и нижнюю панель обивки средней стойки. См. Раздел 9G, Облицовка салона.
  2. Снять уплотнитель дверного проема.
  3. Установка производится в порядке, обратном снятию.


UAA9P180
Показать иллюстрациюПеревод текста в иллюстрациях


УПЛОТНИТЕЛЬ ПРОЕМА ЗАДНЕЙ ДВЕРИ.

Процедура снятия и установки

  1. Снять заднюю панель порога и нижнюю панель обивки средней стойки. См. Раздел 9G, Облицовка салона.
  2. Снять уплотнитель дверного проема.
  3. Установка производится в порядке, обратном снятию.

ТЕХНИЧЕСКИЕ ХАРАКТЕРИСТИКИ

МОМЕНТЫ ЗАТЯЖКИ РЕЗЬБОВЫХ СОЕДИНЕНИЙ

ПРОГРАММА
n•m
фунт-фут
фунт-дюйм
Болты петель двери
25
18
-
Болт крепления фиксатора открытого положения двери к кузову.
25
18
-
Болты фиксатора замка двери
24
18
-
Болты наружной ручки двери
4
-
35

ПРИНЦИПИАЛЬНЫЕ И МОНТАЖНЫЕ СХЕМЫ

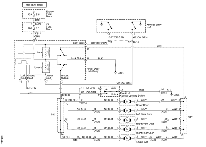
ДВЕРНЫЕ ЗАМКИ С ЭЛЕКТРОПРИВОДОМ.


USD19P01
Показать иллюстрациюПеревод текста в иллюстрациях


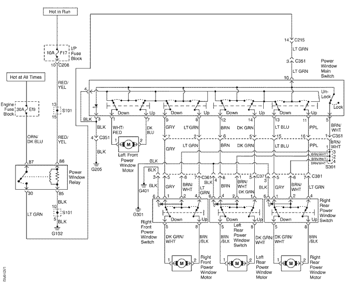
СХЕМА ЭЛЕКТРИЧЕСКИХ СТЕКЛОПОДЪЕМНИКОВ (ПЕРЕДНИЙ И ЗАДНИЙ СТЕКЛОПОДЪЕМНИК)


USD19P02
Показать иллюстрациюПеревод текста в иллюстрациях


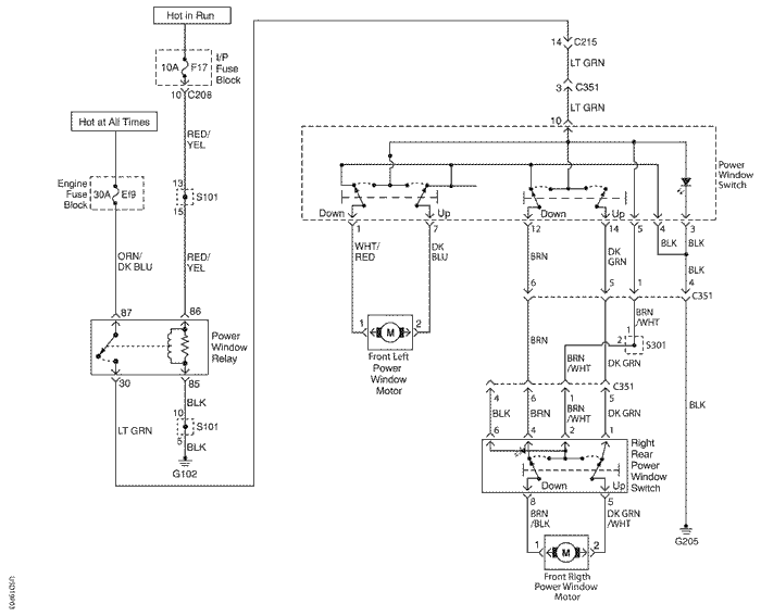
СХЕМА ЭЛЕКТРИЧЕСКИХ СТЕКЛОПОДЪЕМНИКОВ (ТОЛЬКО ПЕРЕДНИЙ СТЕКЛОПОДЪЕМНИК)


USD19P03
Показать иллюстрациюПеревод текста в иллюстрациях




На предыдущую страницуНа следующую страницу
https://vnx.su/ 🛠 Руководства по ремонту и эксплуатации для автомобилей

Поиск по сайту

Остались вопросы или пожелания? Пишите на почту: support@vnx.su

Карта Сайта