К началу документа
Tacuma
На предыдущую страницуНа следующую страницу
Главная страница GMDEЗагрузить нединамическое оглавлениеЗагрузить динамическое оглавлениеПомощь

РАЗДЕЛ 5A

АВТОМАТИЧЕСКАЯ КОРОБКА ПЕРЕДАЧ С ГЛАВНОЙ ПЕРЕДАЧЕЙ В СБОРЕ ZF 4 HP 16

Внимание! Необходимо отсоединять отрицательный провод аккумулятора перед снятием или установкой любого электрического устройства, а также в тех случаях, когда возможно соприкосновение инструмента или оборудования с открытыми электрическими контактами. Отсоединение этого провода поможет избежать несчастного случая, а также повреждения автомобиля. Необходимо также, чтобы зажигание находилось в положении LOCK, если не будет требоваться иное.

ВВЕДЕНИЕ

АВТОМАТИЧЕСКАЯ КОРОБКА ПЕРЕДАЧ С ГЛАВНОЙ ПЕРЕДАЧЕЙ В СБОРЕ zf 4 hp 16

ZF 4 HP 16 - это четырёхступенчатая коробка передач для переднеприводных автомобилей с поперечно установленным двигателем.
Коробка передач имеет в своем составе гидротрансформатор с блокировочной муфтой.
Планетарная зубчатая передача определяет механическое передаточное отношение. Передаточное число КПП может изменяться в зависимости от мощности двигателя веса автомобиля, на котором она установлена. Электрогидроуправление делает возможным контролируемое переключение передач при невыключенном сцеплении и применение различных программ переключения. Если рычаг переключения передач находится в положении "Р", происходит механическое блокирование вторичного вала. Особенностью данной коробки передач является, то, что она работает без муфты свободного хода. Переключение передач происходит посредством совмещения моментов включения и выключения сцепления.
Преимущество такого переключения заключается в следующем:
Однако переключение передач с совмещением моментов включения и выключения сцепления требует высокопроизводительного аппаратного и программного обеспечения, а также точных сигналов от двигателя.

КОМПОНЕНТ КОРОБКИ ПЕРЕДАЧ С ГЛАВНОЙ ПЕРЕДАЧЕЙ В СБОРЕ


UAA5A010
Показать иллюстрациюПеревод текста в иллюстрациях


ОПИСАНИЕ И ПРИНЦИП ДЕЙСТВИЯ

Автоматическая КПП ZF 4HP 16 состоит из следующих основных компонентов.

Механические компоненты

  1. Гидротрансформатор с блокировочной муфтой
  2. Механизм переключения
  3. Две многодисковые муфты: муфта В, Е
  4. Три многодисковых тормозных механизма: С, d, f
  5. Клапан блокировочной муфты
  6. Два планетарных механизма
  7. Один масляный насос
  8. Главная передача с дифференциалом

Электрические/электронные компоненты

  1. Два электромагнитных клапана переключения (1 и 2)
  2. Четыре электромагнитных клапана-регулятора давления (eds)
  3. Два датчика скорости; a/t iss и a/t oss
  4. Датчик температуры рабочей жидкости
  5. Контроллер АКПП
  6. Жгут проводов

МЕХАНИЧЕСКИЕ КОМПОНЕНТЫ

Гидротрансформатор

Основными элементами гидротрансформатора являются насосное колесо, колесо турбины, неподвижное колесо (реактор) и рабочая жидкость, передающая крутящий момент. Насосное колесо, приводимое в движение двигателем, заставляет жидкость в гидротрансформаторе циркулировать по кругу. Встречаясь с лопастями турбины, поток жидкости изменяет свое направление. Когда затем жидкость в районе втулки попадает обратно на насосное колесо, на пути она встречает неподвижные лопасти реактора, которые отбрасывают поток на лопасти насосного колеса уже под другим углом.
Реверсивный эффект создает плечо силы реактора, реактивный крутящий момент которого усиливает крутящий момент турбины
Соотношение моментов на турбинном и насосном колесе называется коэффициентом трансформации.
Чем выше разница скоростей насосного и турбинного колеса, тем больше коэффициент трансформации. При неподвижной турбине коэффициент трансформации является максимальным. При возрастании скорости турбинного колеса коэффициент трансформации уменьшается.
Когда скорость турбинного колеса достигает примерно 85% насосного колеса, коэффициент трансформации = 1, т.е. момент на турбинном колесе равен моменту на насосном колесе.
Ротор, соединенный с корпусом гидротрансформатора через муфту свободного хода, также вращается в потоке жидкости. С этого момента гидротрансформатор работает как обычная гидродинамическая муфта.

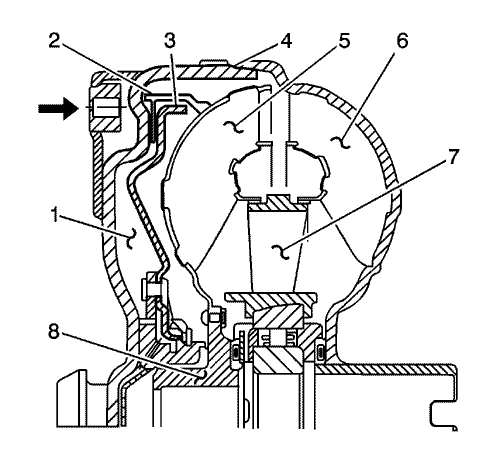
UAA5A020
Показать иллюстрациюПеревод текста в иллюстрациях


Пространство за блокировочной муфтой

  1. Фрикционная накладка
  2. Блокировочная муфта
  3. Корпус гидротрансформатора
  4. Турбинное колесо
  5. Насосное колесо
  6. Ротор
  7. Ступица турбины
  8. Ступица насосного колеса

Блокирующая муфта (luc)

Блокировочная муфта позволяет устранить проскальзывание турбины относительно насоса и, тем самым, улучшить топливную экономичность.
Ранее использовавшийся принцип управления блокировочной муфтой был изменен в коробке 4 HP 16. Включение и выключение муфты является контролируемым. Во время управляемой фазы наблюдается незначительная разница скоростей турбины и насоса. Это помогает предотвратить передачу крутильных колебаний карданного вала на первичный вал КПП. В результате достигается плавность переключения передач.
Электронный клапан регулировки давления регулирует давление на поршне блокировочной муфты гидротрансформатора.
При разомкнутой муфте (коэффициент трансформации больше 1) давление жидкости в пространстве за блокировочной муфтой равно давлению в области турбины. Поток проходит к камере турбины через вал турбины и свободное пространство позади поршня.

UAA5A030
Показать иллюстрациюПеревод текста в иллюстрациях


Чтобы включить блокировочную муфту, клапан в гидравлическом блоке управления изменяет направление потока. Одновременно с этим понижается давление жидкости в пространстве за муфтой. Давление жидкости передается от камеры турбины на муфту, прижимая ее к корпусу гидротрансформатора. Турбина, таким образом, блокируется за счет сцепления между муфтой и корпусом, обеспечиваемого фрикционной накладкой, в результате чего возникает жесткая механическая связь коленчатого вала двигателя с первичным валом КПП без какого-то ни было проскальзывания (либо с незначительным проскальзыванием в управляемом режиме).

UAA5A040
Показать иллюстрациюПеревод текста в иллюстрациях


Масляный насос

Масляный насос расположен между гидротрансформатором и картером КПП и приводится в движение непосредственно гидротрансформатором. Насос засасывает жидкость через фильтр и перекачивает к главному клапану-регулятору давления гидравлической системы управления. Излишняя жидкость возвращается в насос. Масляный насос выполняет следующие функции:
  1. Создание давления в гидравлических каналах.
  2. Подача жидкости под давлением в гидротрансформатор, что помогает предотвратить образование в ней воздушных пузырей.
  3. Организация циркуляции жидкости через гидротрансформатор, за счет чего снижается ее нагревание.
  4. Сообщение давления на гидравлическую систему управления.
  5. Сообщение давления на механизм переключения.
  6. Смазка КПП жидкостью трансформатора.

UAA5A050
Показать иллюстрациюПеревод текста в иллюстрациях


Корпус масляного насоса

  1. Диск
  2. Уплотнительное кольцо вала
  3. Вал ротора
  4. Насосное колесо
  5. Зубчатый венец насоса
  6. Штифт

Планетарный механизм

Планетарный механизм автоматической КПП ZF 4HP 16 состоит из одного солнечного колеса, четырех сателлитов, водила и эпициклического колеса.
Все шестерни расположены друг за другом и соединены вместе. Другими словами, эпициклическое колесо переднего планетарного ряда жестко связано с водилом заднего, а водило переднего ряда - с эпициклическим колесом заднего.
Переключение передач осуществляется установлением кинематических связей между различными колесами планетарного механизма, для чего используются фрикционные муфты и тормозные механизмы.
На 4HP 16 поток мощности передается на планетарный механизм через водило или солнечное колесо заднего планетарного ряда, либо одновременно и через водило и через солнечное колесо, в зависимости от передачи. На главную передачу мощность всегда передается через водило переднего планетарного ряда.

UAA5A060
Показать иллюстрациюПеревод текста в иллюстрациях


Элементы механизма переключения: многодисковые муфты и тормоза

Назначение элементов механизма переключения заключается в переключении передач под нагрузкой, т.е. без разрыва потока мощности.
Механизм переключения состоит из следующих элементов:
  1. Упорное кольцо
  2. Стальной диск
  3. Фрикционный диск
  4. Тарельчатая пружина
  5. Щит
  6. Ведомый барабан
  7. Первичный вал
  8. Канал подачи масла на уравнитель динамического давления
  9. Канал подачи масла на фрикционную муфту
  10. Цилиндр
  11. Поршень
  12. Пружинный диск
Приведение в зацепление элементов механизма переключения осуществляется гидравлическими силами. Масло под давлением подается в цилиндр и выталкивает поршень, который сжимает фрикционные диски.
Фрикционная муфта/тормоз включаются. Когда давление масла падает, под действием тарельчатой пружины поршень возвращается в исходное положение. Фрикционная муфта/тормоз выключаются.
В зависимости от выбранной передачи крутящий момент передается от двигателя через многодисковые фрикционные муфты B и E на планетарный механизм и через многодисковые тормоза C, D и А на картер.
Динамическое давление на фрикционных муфтах B и E одинаково, т.е. на поршень с обеих сторон воздействует одинаковое динамическое давление. Это достигается следующим образом.
Пространство между щитом и поршнем заполнено маслом без давления. С ростом оборотов двигателя возрастает и динамическое давление. При этом растет и давление в пространстве за поршнем. При этом продолжает действовать и статическое давление, которое и приводит в действие фрикционную муфту. При снятии статического давления тарельчатая пружина возвращает поршень в исходное положение. Преимущества динамического выравнивания давления:
  1. надежное расцепление фрикционной муфты во всех диапазонах скоростей,
  2. плавность переключения передач.

Парковочная блокировка

При переключении рычага выбора передач в положение P (парковка) включается механизм блокировки. Этот механизм обеспечивает механическое торможение автомобиля на стоянке.
Стопорная пластина приводится от вала переключения передач, который постоянно связан с рычагом переключения передач тросом. Упор парковочной блокировки в положении парковки, который приварен к поперечному валу коробки передач.
Ведомые колеса блокируются.

UAA5A080
Показать иллюстрациюПеревод текста в иллюстрациях


  1. Упор
  2. Болт
  3. Пружина

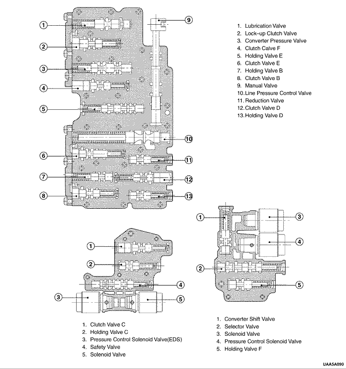
Клапанный механизм

Клапанный механизм выполняет следующие функции:
  1. Создание давления в линиях гидропривода механизма переключения.
  2. Привод отдельных элементов механизма переключения через клапаны.
  3. Обеспечение работы АКПП в аварийном режиме в случае выхода из строя электроники.
  4. Привод блокировочной муфты.
  5. Создание давления в каналах подачи масла к элементам КПП.

UAA5A090
Показать иллюстрациюПеревод текста в иллюстрациях


ЭЛЕКТРОННЫЕ КОМПОНЕНТЫ

Рычаг выбора передач/переключатель программ

Водитель может выбрать один из режимов работы КПП с помощью рычага:
P : Парковка
R : Задний ход
N : Нейтраль
D : Передние скорости

Переключатель положения парковка/нейтраль

Датчик положения рычага выбора передач расположен на валу рычага. Он сообщает контроллеру КПП, в каком положении находится рычаг: P–R–N–D–3–2–1.
Положение рычага переключения передач передаётся контроллеру КПП в кодированной форме по четырём каналам. Подаваемая по соединительному проводу кодировка распознаётся аналогично кодировке неисправностей.
Датчик положения рычага выбора передач расположен на валу рычага, который связан с рычагом переключения передач тросом. Датчик положения рычага также управляет приводом стартера, включением огней заднего хода и контрольной лампы положения рычага выбора передач на панели приборов.

Комбинация сигналов

.
l1
l2
l3
l4
. p
0
0
12
0
. r
0
0
0
12
. n
0
12
0
0
. d
12
12
12
0
. 3
12
12
0
12
. 2
12
0
12
12
. 1
0
12
12
12

UAA5A100
Показать иллюстрациюПеревод текста в иллюстрациях


Датчик скорости вторичного вала АКПП.

Датчик выходной частоты вращения на автомобилях с автоматической коробкой передач представляет собой магнитно-индукционный чувствительный элемент, подающий контроллеру КПП информацию о частоте вращения коленчатого вала.
Контроллер использует полученные данные для своевременного переключения передач, изменения давления в линиях гидропривода и включения/выключения блокировочной муфты.
Выходной датчик частоты вращения коленчатого вала монтируется на корпусе ведущего колеса датчика частоты вращения, надетого на прямозубое цилиндрическое зубчатое колесо. Между датчиком и зубьями прямозубого цилиндрического зубчатого колеса сохраняется зазор величиной 0,1~1,3 мм (0,004~0,05 дюйма). Датчик состоит из постоянного магнита, окруженного проволочной катушкой.
При вращении дифференциала импульс переменного тока инициирует процесс измерения датчиком частоты и напряжения. Сопротивление датчика должно быть в пределах ∞ом при температуре 20 °С (68°F). Измерения датчика могут быть между 20~8000 Гц.

UAA5A110
Показать иллюстрациюПеревод текста в иллюстрациях


Датчик скорости первичного вала АКПП.

Датчик скорости первичного вала АКПП магнитно-индукционного типа передает информацию о скорости вращения первичного вала в контроллер КПП.
Контроллер КПП использует данные входной частоты вращения для управления давлением в трубопроводе, включения/выключения блокировочной муфты и схем переключения передач. Данная информация также используется для вычисления соответствующего передаточного отношения и проскальзывания блокирующей муфты гидротрансформатора.
Датчик скорости первичного вала крепится на поршне В, расположенном внутри клапанного механизма.
Зазор величиной 1,8~2,2 мм (0,07~0,086 дюйма) сохраняется между датчиком и поршнем В.
Датчик состоит из постоянного магнита, окруженного проволочной катушкой. Движение поршня B, приводимого от вала турбины, генерирует в датчике скорости первичного вала КПП сигнал переменного тока.
Высокая частота вращения способствует измерению датчиком высокой частоты и напряжения.
Сопротивление датчика должно быть в пределах 825~835 ом при температуре 20 °С (68°F). Измерения датчика могут быть между 1000~8000 Гц.

UAA5A120
Показать иллюстрациюПеревод текста в иллюстрациях


Электромагнитный клапан переключения: клапан 1 и 2

Переключающие соленоиды - это два идентичных, нормально открытых электронных выпускных клапана, контролирующих включение повышающей и понижающей передачи переднего хода. Эти соленоиды работают совместно в комбинации включение/выключение и изменяют давление в линиях гидропривода механизма переключения (фрикционных муфт и тормозов).
Соленоид 1 контролирует высокое и низкое давление в трубопроводе (поток к каждому клапану муфты) операцией включения/выключения, т.е. если соленоид 1 включен, давление в трубопроводе низкое (6~8 бар), если соленоид 1 выключен, давление в трубопроводе высокое (16~18 бар).
Клапан 2 управляет давлением на клапане муфты E, или блокировочной муфты.
Контроллер КПП отслеживает состояние нескольких входных сигналов и включает или выключает электромагнитные клапаны и выбирает передачи в соответствии с режимом движения автомобиля.
Передача
Соленоид 1
Соленоид 2
Парковка, Нейтраль
ВКЛ.
ВКЛ.
Первая
вкл/выкл
ВКЛ.
Вторая
вкл/выкл
ВЫКЛ.
Третья
вкл/выкл
ВЫКЛ.
Четвёртая
вкл/выкл
ВЫКЛ.
Задняя
вкл/выкл
ВКЛ.
.
Давление в трубопроводе
Сопротивление
Клапан 1 / Клапан 2
ВКЛ. (низкое) : 6,2~6,8 бар
ВЫКЛ. (высокое) 15,3~17,4 бар
26,5 ± 0,5 Ом

UAA5A130
Показать иллюстрациюПеревод текста в иллюстрациях


Электромагнитный клапан-регулятор давления (Клапан eds 3, 4, 5, 6)

Клапан давления (клапан EDS 3,4,5,6) представляет собой прецизионный электронный регулятор давления, управляющий работой всех муфт, тормозов, блокировочной муфты.
Клапан уменьшает давление в системе, которое подаётся на электромагнитный клапан нагнетательного потока и электрические клапаны регулировки давления. В результате можно использовать меньшие электромагнитные клапаны. EDS требует постоянного входного давления.

UAA5A140
Показать иллюстрациюПеревод текста в иллюстрациях


Датчик температуры рабочей жидкости

Датчик TFT является терморезистором с положительным температурным коэффициентом сопротивления (термочувствительный резистор), обеспечивающим контроллер КПП информацией о температуре жидкости в коробке передач. Датчик температуры расположен в клапанном механизме. Вычисляемая температура является коэффициентом, используемым для определения времени переключения и времени задержки переключения.
Внутреннее электрическое сопротивление датчика изменяется в зависимости от температуры рабочей жидкости (см. график).

UAA5A150
Показать иллюстрациюПеревод текста в иллюстрациях


Контроллер КПП посылает датчику температуры импульс напряжением 5 Вольт и измеряет повышение напряжения в электрической цепи. Чем выше температура жидкости, тем выше сопротивление датчика и ниже напряжение его сигнала.

UAA5A160
Показать иллюстрациюПеревод текста в иллюстрациях


Контроллер КПП измеряет эта напряжение как входной сигнал, помогающий управлять давлением в трубопроводе, моментами переключения и включения блокировочной муфты гидротрансформатора. Когда жидкость коробки передач достигает температуры 140°С (284°F) контроллер КПП переключается в "режим перегрева". Выше этой температуры контроллер КПП изменяет точки переключения передач и переключения блокировочной муфты таким образом, чтобы уменьшить температуру жидкости, сокращая тепловыделение коробки передач. В режиме перегрева контроллер КПП всегда переключает блокировочную муфту в четырех передачах. Контроллер КПП также раньше осуществляет переключение передач 2-3 и 3-4, чтобы снизить температуру жидкости. В некоторых исполнениях режим перегрева не предусмотрен.
Датчик коробки передач -
Зависимость сопротивления от температуры (ориентировочно)
°c
Высокое сопротивление, Ом
Низкое сопротивление, Ом
°c
Высокое сопротивление, Ом
Низкое сопротивление, Ом
-40
586
556
50
1,206
1,173
-30
641
611
60
1,295
1,256
-20
699
670
70
1,388
1,341
-10
760
732
80
1,485
1,430
0
825
799
90
1,585
1,522
10
893
868
100
1,690
1,617
20
963
942
110
1,798
1,715
25
1,000
980
120
1,910
1,816
30
1,039
1,017
130
2,025
1,920
.
.
.
140
2,145
2,027

Электрический разъем

Электрический разъем является очень важным элементом системы. Любая неисправность электрического разъема может привести к занесению диагностического кода и снижению эффективности работы КПП.
На надежность электрического соединения могут повлиять следующие неисправности:
  1. Согнутый контакт в колодке разъема (возникает при неаккуратном расчленении и сочленении разъема).
  2. Неплотное соединение провода с контактом (внутреннего или внешнего жгута).
  3. Загрязнение колодок электрического разъема.
  4. Смещение контактов со своих мест в колодке (возникает при неаккуратном расчленении и сочленении разъема).
  5. Попадание рабочей жидкости в разъем, просачивание ее в жгут и разъедание изоляции.
  6. Попадание влаги внутрь разъема.
  7. Разбалтывание контактов в колодках (возникает при частом расчленении и сочленении разъема).
  8. Коррозия контактов.
  9. Повреждение, растрескивание колодок разъема.
  10. О чем следует помнить при работе с электрическими разъемами.
  11. Чтобы расчленить электрический разъем необходимо нажать на замки и выдернуть колодку (как показано на иллюстрации).

UAA5A170
Показать иллюстрациюПеревод текста в иллюстрациях


Старайтесь чрезмерно не выкручивать и не покачивать колодку при расчленении разъема. Это может привести к изгибанию контактов.
ЗАПРЕЩАЕТСЯ использовать для расчленения разъема отвертку и другие инструменты.
Для сочленения разъема внешнего жгута необходимо сначала выровнять колодки по стрелкам.
Надавите на колодку вдоль оси соединения, стараясь не выкручивать и не наклонять ее.
Разъем должен вставать на место с характерным звуком щелчка.

Контроллер КПП

Контроллер КПП является электронным устройством, который обрабатывает поступающие к нему сигналы датчиков и управляет работой КПП по специальному алгоритму. Основываясь на поступающей информации контроллер КПП управляет различными функциями и устройствами коробки передач.

Колодка диагностики

Колодка диагностики представляет собой многоконтактный электрический разъем. Она обеспечивает доступ к памяти контроллера для проведения диагностики трансмиссии. Колодка диагностики позволяет механику использовать для диагностики различных систем и отображения кодов неисправности диагностический прибор. Колодка диагностики находится в салоне автомобиля непосредственно под рулевой колодкой.

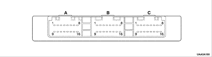
Назначение контактов диагностического разъема (шина can), двигатель 2,0 л с двумя распредвалами верхнего расположения (delphi, 32 бита)


UAA5A180
Показать иллюстрациюПеревод текста в иллюстрациях


.
Разъем a (синий)
Разъем b (зеленый)
Разъем c (серый)
1
Соленоид 2
Заземление датчика температуры рабочей жидкости КПП
Цепь l1 рычага переключения передач
2
Индикатор режима power/ Аварийная сигнальная лампа автоматической коробки передач
Датчик скорости первичного вала (+)
Не используется
3
eds 4
Бат +
Не используется
4
Датчик температуры рабочей жидкости КПП
Датчик скорости первичного вала (-)
Датчик режима hold
5
Выключатель тормоза
Датчик выходной частоты вращения (-)
Не используется
6
Контрольная лампа hold
Цепь l3 рычага переключения передач
Питание eds
7
Диагностика (dlc)
Заземление датчика скорости первичного вала КПП
Питание eds
8
Высокий уровень сигнала can
Тахометр
Питание электромагнитного клапана
9
Соленоид 1
Переключатель режима power
Не используется
10
Электромагнитный клапан контроля давления (eds 5)
Датчик выходной частоты вращения (+)
Не используется
11
Электромагнитный клапан контроля давления (eds3)
Цепь l4 рычага переключения передач
Не используется
12
Электромагнитный клапан контроля давления (eds 6)
Заземление
Не используется
13
Не используется
Заземление
Сигнал pnp (tcm→ecu)
14
Не используется
Не используется
Не используется
15
Не используется
Цепь l2 рычага переключения передач
Зажигание вкл.
16
Низкий уровень сигнала can
Не используется
Зажигание вкл.

ВХОДНЫЕ СИГНАЛЫ КОНТРОЛЛЕРА КПП, ВОЗДЕЙСТВУЮЩИЕ НА КОРОБКУ ПЕРЕДАЧ 4hp 16

Датчик положения дроссельной заслонки (ДПДЗ)

Датчик скорости вторичного вала АКПП

  1. Передает на контроллер данные о скорости вторичного вала, используемые для расчета схем переключения передач, включения/выключения блокировочной муфты и расчета передаточных чисел.
  2. Ошибки датчика скорости вторичного вала АКПП могут привести к неправильному переключению передач, снижению плавности переключения или несвоевременному срабатыванию блокировочной муфты.

Датчик скорости первичного вала АКПП

  1. Передает на контроллер данные о скорости первичного вала, используемые для расчета схем переключения передач, включения/выключения блокировочной муфты и расчета передаточных чисел.

Датчик температуры охлаждающей жидкости (ДТОЖ)

  1. Передает на контроллер данные о температуре в системе охлаждения двигателя, используемые для первичного включения блокировочной муфты.
  2. Ошибка сигнала ДТОЖ может привести к несвоевременному включению блокировочной муфты.

Сигнал частоты вращения коленчатого вала

  1. Модуль зажигания передает на контроллер КПП данные о частоте вращения коленчатого вала.
  2. Контроллер использует полученные данные для управления переключением передач и клапаном включения блокировочной муфты при полностью открытой дроссельной заслонке.

Выключатель тормоза

  1. Передает на контроллер данные о включении тормоза, используемые для включения/выключения блокировочной муфты.
  2. Ошибка сигнала тормоза блокировочной муфты может привести к неправильному включению или отключению блокировочной муфты.

Датчик температуры рабочей жидкости

  1. Передает на контроллер данные о температуре рабочей жидкости КПП, используемые для корректировки схем переключения передач и включения/выключения блокировочной муфты при повышенных температурах (в режиме перегрева).
  2. Ошибка сигнала датчика температуры рабочей жидкости может привести к неправильному переключению передач, снижению плавности переключения или несвоевременному срабатыванию блокировочной муфты.

РАСПОЛОЖЕНИЕ КОМПОНЕНТОВ

ТЕХНИЧЕСКИЕ ДАННЫЕ КОРОБКИ ПЕРЕДАЧ С ГЛАВНОЙ ПЕРЕДАЧЕЙ В СБОРЕ

  1. Номер детали
  2. Серийный номер
  3. Код модели
  4. Страна и наименование производителя

ГИДРОТРАНСФОРМАТОР


UAA5A200
Показать иллюстрациюПеревод текста в иллюстрациях


  1. Корпус гидротрансформатора
  2. Гидротрансформатор
  3. Прокладка гидротрансформатора
  4. Стальная прокладка
  5. Пластина маслоотражателя
  6. Болт
  7. Магнит
  8. Масляный фильтр
  9. Уплотнительное кольцо
  10. Болт
  11. Герметичная пробка
  12. Герметичная пробка
  13. Пробка отверстия для слива масла
  14. Пробка отверстия для проверки уровня масла
  15. Болт
  16. Болт
  17. Болт

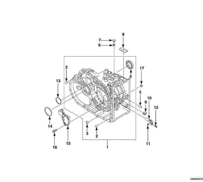
КАРТЕР КОРОБКИ ПЕРЕДАЧ


UAA5A210
Показать иллюстрациюПеревод текста в иллюстрациях


  1. Картер коробки передач
  2. Втулка
  3. Уплотнительное кольцо вала
  4. Уплотнение полуоси
  5. Уплотняющая втулка
  6. Трубка сапуна
  7. Защита втулки
  8. Типовая табличка
  9. Концевая кабельная муфта
  10. Датчик скорости вторичного вала
  11. Шайба
  12. Болт
  13. Регулировочная прокладка
  14. Регулировочная прокладка
  15. Переключатель положения парковка/нейтраль
  16. Болт
  17. Уплотняющая втулка

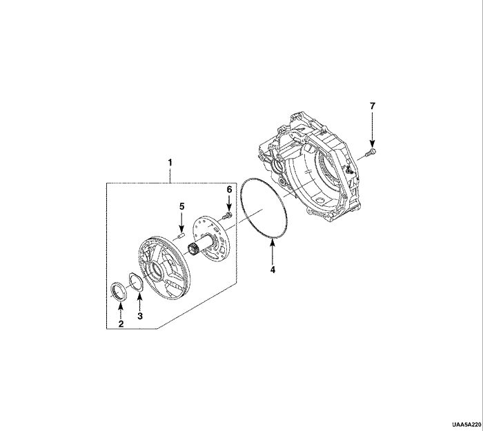
МАСЛЯНЫЙ НАСОС


UAA5A220
Показать иллюстрациюПеревод текста в иллюстрациях


  1. Масляный насос
  2. Уплотнение масляного насоса
  3. Шайба
  4. Уплотнительное кольцо
  5. Установочный штифт
  6. Болт
  7. Болт

ЗАДНЯЯ КРЫШКА И КОЖУХ МАСЛЯНОГО ПОДДОНА


UAA5A230
Показать иллюстрациюПеревод текста в иллюстрациях


  1. Задняя крышка
  2. Уплотнительное кольцо
  3. Уплотнительное кольцо
  4. Игольчатый подшипник
  5. Регулировочная прокладка
  6. Резьбовая пробка
  7. Болт
  8. Масляный поддон
  9. Прокладка масляного поддона
  10. Кронштейн масляного поддона
  11. Болт

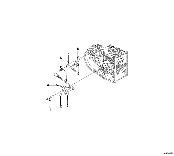
РЫЧАГ СТОЯНОЧНОГО ТОРМОЗА


UAA5A240
Показать иллюстрациюПеревод текста в иллюстрациях


  1. Стержень рычага переключения передач
  2. Стопорная втулка
  3. Стопорный диск
  4. Зажимная втулка
  5. Соединительный стержень
  6. Пружина
  7. Упор
  8. Штифт
  9. Опорный стержень

ПЕРВИЧНЫЙ ВАЛ И МЕХАНИЗМ ПЕРЕКЛЮЧЕНИЯ ПЕРЕДАЧ


UAA5A250
Показать иллюстрациюПеревод текста в иллюстрациях


  1. Внутреннее водило диска f
  2. Пластина тормоза f
  3. Фрикционный диск тормоза f
  4. Внешний диск тормоза f
  5. Пружинный диск
  6. Стопорное кольцо
  7. Тарельчатая пружина
  8. Уплотнительное кольцо
  9. Уплотнительное кольцо
  10. Поршень d
  11. Корончатая гайка
  12. Роликовый подшипник
  13. Регулировочное кольцо
  14. Упорная пластина
  15. Роликовый подшипник
  16. Цилиндрическая прямозубая шестерня
  17. Поршень d
  18. Пружинный диск
  19. Упорное кольцо
  20. Пластина тормоза d
  21. Тарельчатая пружина
  22. Фрикционный диск тормоза d
  23. Пружинный диск
  24. Водило диска c/d
  25. Вкладыш
  26. Фрикционный диск тормоза c
  27. Внешний диск тормоза c
  28. Тарельчатая пружина
  29. Фрикционный диск тормоза c
  30. Упорное кольцо
  31. Поршень С
  32. Цилиндр С
  33. Упорное кольцо
  34. Эпициклическое колесо переднего планетарного ряда
  35. Масляный поддон
  36. Передний ряд планетарного механизма
  37. Солнечное колесо переднего планетарного ряда
  38. Упорное кольцо
  39. Игольчатый подшипник
  40. Задний ряд планетарного механизма
  41. Упорное кольцо
  42. Солнечное колесо заднего планетарного ряда
  43. Игольчатый подшипник
  44. Упорное кольцо
  45. Поршень В
  46. Пластина фрикционной муфты b
  47. Внешний диск фрикционной муфты b
  48. Фрикционный диск муфты b
  49. Пружинный диск
  50. Уплотнительное кольцо
  51. Внутреннее водило диска Е
  52. Игольчатый подшипник
  53. Упорное кольцо
  54. Пластина фрикционной муфты e
  55. Фрикционный диск муфты e
  56. Внешний диск фрикционной муфты e
  57. Пружинный диск
  58. Стопорное кольцо
  59. Уплотнительное кольцо
  60. Сальник
  61. Тарельчатая пружина
  62. Уплотнительное кольцо
  63. Поршень Е
  64. Уплотнительное кольцо
  65. Первичный вал
  66. Уплотнительное кольцо
  67. Уплотнительное кольцо
  68. Поршень
  69. Сальник
  70. Уплотнительное кольцо
  71. Тарельчатая пружина
  72. Стопорное кольцо
  73. Регулировочная прокладка
  74. Игольчатый подшипник
  75. Уплотнительное кольцо
  76. Уплотнительное кольцо
  77. Задняя крышка

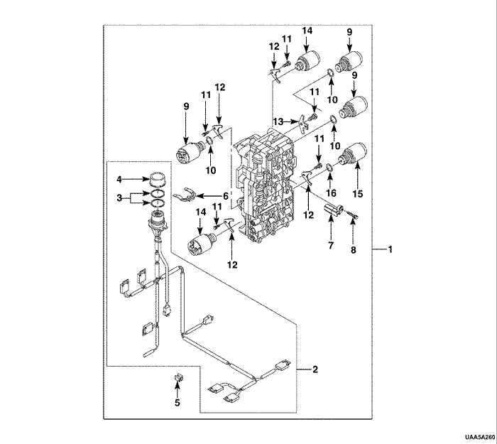
КЛАПАННЫЙ МЕХАНИЗМ


UAA5A260
Показать иллюстрациюПеревод текста в иллюстрациях


  1. Клапанный механизм
  2. Жгут проводов клапанного механизма
  3. Уплотнительное кольцо
  4. Пробка
  5. Концевая кабельная муфта
  6. Стопорный зажим
  7. Датчик скорости первичного вала
  8. Винт с головкой
  9. Клапан давления (клапан eds)
  10. Винт с головкой
  11. Стопорная пластина
  12. Стопорная пластина
  13. Винт с головкой
  14. Клапан давления (клапан eds)
  15. Электромагнитный клапан

УПРАВЛЕНИЕ ПЕРЕКЛЮЧЕНИЕМ ПЕРЕДАЧ


UAA5A270
Показать иллюстрациюПеревод текста в иллюстрациях


  1. Рычаг переключения передач
  2. Ручка рычага переключения передач
  3. Пружина
  4. Кнопка рычага переключения передач
  5. Болт
  6. Стержень рычага переключения передач
  7. Пружинная шайба
  8. Гайка
  9. Болт
  10. Промежуточный рычаг выбора передач
  11. Основание
  12. Изолирующая втулка рычага переключения передач
  13. Гайка
  14. Крепежная пластина
  15. Втулка
  16. Зажим рычага переключения передач
  17. Трос рычага переключения передач
  18. Стопорная скоба
  19. Крепление троса
  20. Болт
  21. Рычаг коробки передач с главной передачей в сборе
  22. Установочная пружина
  23. Прокладочное кольцо
  24. Втулка
  25. Соленоид btsi


На предыдущую страницуНа следующую страницу
https://vnx.su/ 🛠 Руководства по ремонту и эксплуатации для автомобилей

Поиск по сайту

Остались вопросы или пожелания? Пишите на почту: support@vnx.su

Карта Сайта