К началу документа
Tacuma
На предыдущую страницуНа следующую страницу
Главная страница GMDEЗагрузить нединамическое оглавлениеЗагрузить динамическое оглавлениеПомощь

РАЗДЕЛ 1E

ЭЛЕКТРООБОРУДОВАНИЕ ДВИГАТЕЛЯ

Внимание! Отключите отрицательный кабель батаре перед снятием или установкой любых электрических узлов или при возможном контакте инструментов или оборудования с оголенными электрическими клеммами. Отключение кабеля поможет избежать травм и механических поврежений. Зажигание должно быть заблокировано, если не указано иное.

ОПИСАНИЕ И УПРАВЛЕНИЕ

АККУМУЛЯТОР

На всех автомобилях аккумуляторные батареи стандартно загерметизированы. В крышке вентиляционных заглушек нет. Батарея целиком герметична, за исключением двух небольших вентиляцонных отверстий по сторонам. Эти вентиляционные отверстия служат для отвода газов аккумуляторной батареи. Аккумуляторная батарея имеет следующие преимущества перед обычными:
Аккумуляторная батарея выполняет три основные функции в электрической системе. В первую очередь аккумуляторная батарея представляет собой источник энергии для запуска двигателя. Затем, аккумуляторная батарея выступает стабилизатором напряжения для электрической системы. И кроме этого, на ограниченное время аккумуляторная батарея дает энергию, если производительность генератора становится недостаточной.

НОМИНАЛЬНЫЕ ПАРАМЕТРЫ

Аккумуляторная батарея имеет два номинальных параметра: (1) параметр резервной мощности при 27°С(80°F), при котором полностью заряженная батарея дает 25 ампер электрического тока при 10.5 вольт или выше; (2) параметр мощности проворачивания коленвала непрогре того двигателя, определенный при испытаниях при температуре −18°С (0°F), который показывает нагружающую способность проворачивания.

РЕЗЕРВНАЯ ЕМКОСТЬ

Резервная емкость (RC) - это максимальное время для поездки ночью с миниальной электрической нагрузкой и отсутствующей выходной мощностью генератора. Выражаясь в минутах, параметр RC - это время, необходимое для полностью заряженной батареи при температуре 27°С(80°F)и разрядке при токе 25 ампер, чтобы достичь напряжения на хажимах 10.5 вольт.

СИЛА ТОКА ПРИ ХОЛОДНОМ ПУСКЕ

Проверка силы тока при холодном пуске выражается при температуре аккумуляторной батареи -18°С (0°F). Номинальный параметр тока - это минимальная сила тока, которую должна дать аккумуляторная батарея на 30 секунд при заданной температуре, соответствуя минимальным требованиям по напряжению - 7,2 В. Этот параметр - измерение мощности холодного пуска.
Аккумуляторная батарея не предназначена для вечной эксплуатации. Однако, при правильном обслуживании, аккумуляторная батарея будет служить много лет.
Если аккумуляторная батарея проходит проверку, но функционирует по непонятным причинам недостаточно хорошо, то в основе этого могут лежать следующие факторы:

ВСТРОЕННЫЙ АРЕОМЕТР

Герметичная аккумуляторная батарея имеет встроенный, скомпенсированный по температуре ареометр на верху аккумуляторной батареи. Ареометр используется для следующей диагностической процедуры:
  1. Осматривая аккумуляторную батарею, убедитесь, что она имеет чистый верх.
  2. При нормальном режиме работы видно два индикатора:
  3. Иногда видна другая индикация:

ПРОЦЕДУРА ЗАРЯДКИ

  1. Батареи с видимой зеленой точкой не требуют зарядки, если только они просто не были разряжены, например при проворачивании коленвала автомобиля.
  2. При зарядке батарей с герметизированными контактами вне автомобиля установить комплект адаптеров. Убедитесь, что все зарядные контакты чисты и плотно затянуты. Лучшие результаты достигаются, когда электролит и пластины имеют комнатную температуру. Чрезмерно холодная аккумуляторная батарея может не воспринимать ток зарядки в течение нескольких часов.
  3. Заряжайте аккумуляторную батарею до появления зеленой точки. Во время зарядки проверяйте аккумуляторную батарею каждые пол-часа. Для появления зеленой точки может потребоваться наклонить или встряхнуть аккумуляторную батарею.
  4. После зарядки аккумуляторная батарея должна пройти проверку с нагрузкой. Следуйте пункту "Стартер" в этом разделе.

ТРЕБУЕМОЕ ВРЕМЯ ЗАРЯДКИ

Время, необходимое для зарядки аккумуляторной батареи, зависит от следующих факторов:

ЗАРЯДКА ПОЛНОСТЬЮ РАЗРЯЖЕННОЙ АККУМУЛЯТОРНОЙ БАТАРЕИ

Если не следовать данной процедуре, то можно без надобности заменить абсолютно хорошую батарею.
Следующая процедура применяется для зарядки полностью разряженной аккумуляторной батареи:
  1. Измерьте напряжение на клеммах аккумуляторной батареи точным вольтметром. Если показания меньше 10 В, ток зарядки будет очень низким, и потребуется некоторое время, чтобы аккумуляторная батарея начала потреблять ток в несколько миллиампер. См "ТРЕБУЕМОЕ ВРЕМЯ ЗАРЯДКИ"в этом разделе, в котором описываются факторы, влияющие на время, требуемое для зарядки. Такие низкие токи считываются не всеми амперметрами.
  2. Установите высокий уровень на зарядном устройстве.

Важно: Некоторые зарядные устройства имеют защиту от переполюсовки, которая предупреждает неправильное подключение клемм аккумуляторной батареи. Полностью разряженная аккумуляторная батарея может иметь недостаточно напряжения, чтобы активировать защитную схему, даже если кабель подключен правильно. Это может быть вызвано тем, что аккумуляторная батарея не потребляет ток зарядки. Следуйте указаниям изготовителя, чтобы обойти схему защиты, чтобы включить зарядное устройство и провести зарядку аккумуляторной батареи со слабым напряжением.

  1. Продолжайте зарядку до тех пор, пока не станет возможным измерить ток зарядки. Зарядные устройства отличаются по напряжению и силе тока. Время, требуемое аккумуляторной батарее для принятия измеряемого тока зарядного устройства при различных напряжениях, может быть таким:
Напряжение
Часы
16,0 или больше
До 4 часов
14.0-15.9
До 8 часов
13.9 или меньше
До 16 часов

Важно: Важно помнить, что полностью разряженная аккумуляторная батарея должна быть заряжена до достаточного количества ампер-часов (а/ч), чтобы восстановить ее до приемлемого состояния. В целом достаточно зарядки до параметров резервной емкости (RC), чтобы на ареометре появилась зеленая точка.

ПРОЦЕДУРА ЗАПУСКА ДВИГАТЕЛЯ ОТ ПОСТОРОННЕГО ИСТОЧНИКА ТОКА

  1. Поместите автомобиль с заряженной батареей таким образом, чтобы кабельные перемычки доставали от заряженной батареи до батареи, требующей зарядки.
  2. Выключите зажигание, все фары и всю электрическую нагрузку в обоих автомобилях.
  3. Установите сигнальные огни, если того требует транспортная обстановка, а также освещение для рабочей зоны.
  4. Жестко поставить стояночный тормоз в обоих автомобилях.

Примечание: Чтобы предотвратить повреждение автомобиля, проверьте, не находятся ли кабели на или рядом со шкивами,вентиляторами или другими деталями, которые становятся подвижными при запуске двигателя.

  1. Переключите автоматическую коробку передач в положение Стояночный (PARK) или механическую коробку передач в положение Нейтральное (NEUTRAL)

Внимание! Во избежание несчастных случаев не пользуйтесь кабелями с поврежденной или отсутствующей изоляцией.

  1. Присоедините один конец первой кабельной перемычки к положительной клемме аккумуляторной батареи усилителя. Убедитесь, что он не соприкасается с другими металлическими частями.
  2. Присоедините другой конец кабеля на положительную клемму разряженной аккумуляторной батареи. Не присоединяйте другой конец отрицательной клеммы разряженной аккумуляторной батареи.

Внимание! Не присоединять кабель напрямую к отрицательной клемме разряженной аккумуляторной батареи. В этом случае могут возникнуть искры и батарея может взорваться.

  1. Присоедините один конец второго кабеля к отрицательной клемме пусковой аккумуляторной батареи.
  2. Окончательное подключение выполните к массе двигателя (например, к опорному кронштейну) не менее чем в 450 мм (18 дюймов) от разряженной батареи.
  3. Запустите двигатель на автомобиле с хорошей аккумуляторной батареей. Дайте двигателю поработать несколько минут на средней скорости.
  4. Затем запустите двигатель автомобиля с разряженной батареей.
  5. Снять кабельные перемычки, повторив вышесказанное в обратном порядке, сняв для начала отрицательный кабель с автомобиля с разряженной батареей. Снимая каждый зажим, убедитесь, что он не касается других металлических частей, в то время, когда другой конец остается присоединенным.

ГЕНЕРАТОР

Имеется ряд моделей зарядной системы Delco-Remy CS , включая CS-128D. Цифра обозначает наружный диаметр пластины статора в мм
Генераторы CS оснащены внутренними регуляторами.
В отличие от трех-проводных генераторов генератор CS-128D может использоваться только с двумя соединениями: положительная клемма батареи и клемма "L" к лампочке индикатора зарядки.
Как и в других системах зарядки контрольная лампа зарядки горит, когда выключатель зажигания находится в положении RUN и выключается, когда двигатель работает. Если контрольная лампа зарядки горит при работающем двигателе, это говорит о неисправности системы зарядки. Контрольная лампа горит ярко при разных типах неисправности, а также тогда, когда системное напряжение слишком высоко или слишком низко.
Настройка напряжения регулятора меняется с температурой и ограничивает напряжение в системе, управляя током ротора. Путем изменения времени вкл-выкл. достичь нужного среднего тока возбуждения для надлежащего контроля напряжения в системе. На высоких скоростях генератор может быть включен на 10 процентов и выключен на 90 процентов времени. На низких скоростях, с высокой электрической нагрузкой время включения может составлять 90 процентов, а время выключения - 10 процентов .

СИСТЕМА ЗАРЯДКИ

Генераторы CS используют новый тип регулятора с тремя диодами Статор Delta, мостовой выпрямитель, и ротор с контактными кольцами и щетками имеют схожую электрическую схему с предыдущими генераторами. Используются обычный шкив и вентилятор. Проверочного отверстия нет.

СТАРТЕР

Двигатели стартера с катушкой возбуждения имеют полюсовые накладки вокруг якоря, которые возбуждаются от катушек.
Роторные двигатели с пусковыми рычагами в оболочке имеют механизм пуска и подвижную катушку в корпусе привода, который защищает их от воздействия грязи, мороза и брызг.
В главном контуре обмотки электромагнитного реле возбуждаются при закрытом выключателе. Движение подвижной катушки и пускового рычага заставляют шестерню зайти в маховик двигателя. Главные контакты электромагнитного реле закрываются. Происходит пуск двигателя.
После запуска двигателя обгонная муфта шестерни защищает якорь от повышенных оборотов до отключения выключателя, когда возратная пружина заставляет шестерню отойти назад. Чтобы избежать излишнего перебега, выключатель следует отключить сразу после запуска двигателя.

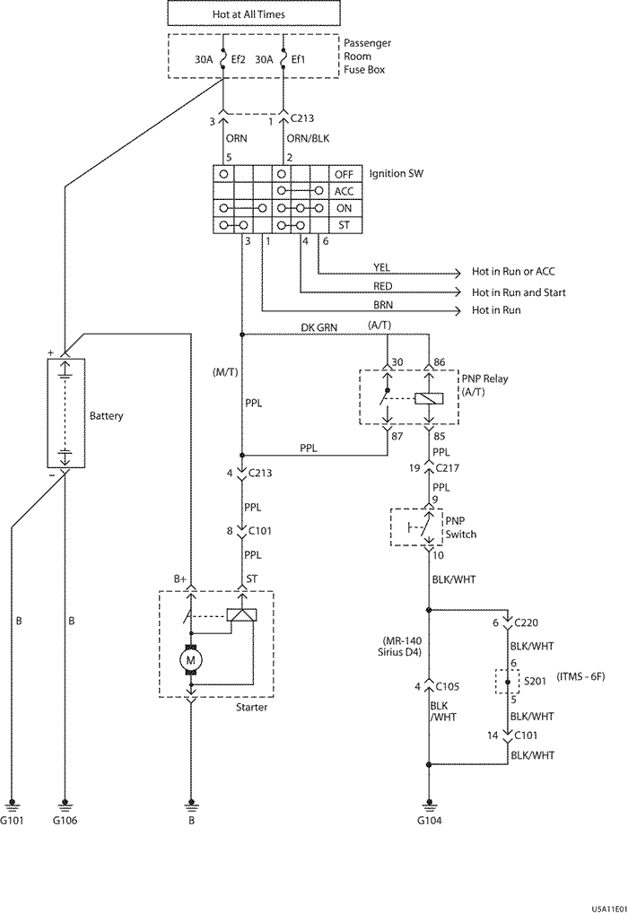
СТАРТЕРНАЯ СИСТЕМА

Электрооборудование двигателя включает в себя аккумуляторную батарею, зажигание, стартер, генератор и всю соответствующую проводку. Таблицы диагностики помогут найти и устранить неисправности. Если неисправность касается конкретного компонента, следуйте к разделу руководства по обслуживанию этого компонента.
Система пуска двигателявключает в себя аккумуляторную батарею, стартер, выключатель зажигания и всю соответствующую проводку. Все эти компоненты имеют электрическое соединение.

ДИАГНОСТИКА: ОСНОВНЫЕ СВЕДЕНИЯ И ВЫПОЛНЕНИЕ

СТАРТЕР НЕ ПРОВОРАЧИВАЕТ ДВИГАТЕЛЬ

ШагОперацияЗначенияДаНет
1
  1. Включите фары.
  2. Включите освещение салона.
  3. Включите зажигание на СТАРТ.
Лампы темнеют или выключаются?
-
Перейти к операции 2
Перейти к операции 8
2
Проверьте зарядку аккумуляторной батареи.
Видна ли зеленая точка на встроенном ареометре?
-
Перейти к операции 3
3
  1. Присоедините положительный провод вольтметра к положительной клемме аккумулятора.
  2. Присоедините отрицательный провод вольтметра к отрицательной клемме аккумулятора.
  3. Включите зажигание на СТАРТ.
Вольтметр показывает заданное значение?
< 9,6 В
Перейти к операции 4
4
  1. Присоедините отрицательный провод вольтметра к отрицательной клемме аккумулятора.
  2. Присоедините положительный провод вольтметра к блоку цилиндров.
Вольтметр показывает заданное значение?
> 0,5 В
Перейти к операции 5
Перейти к операции 6
5
Почистите, затяните или замените отрицательный провод аккумулятора.
Закончен ли ремонт?
-
Система в норме
-
6
  1. Присоедините положительный провод вольтметра к клемме "В+".
  2. Присоедините отрицательный провод вольтметра к отрицательной клемме аккумулятора.
Вольтметр показывает заданное значение?
< 9 В
Перейти к операции 7
Перейти к операции 13
7
Почистите, затяните или замените положительный провод аккумулятора.
Закончен ли ремонт?
-
Система в норме
-
8
Проверьте предохранитель ef1 блока предохранителей двигателя.
Предохранитель в норме?
-
Перейти к операции 10
Перейти к операции 9
9
Заменить предохранитель ef1.
Закончен ли ремонт?
-
Система в норме
-
10
Проверьте соединение на клемме стартера "SТ".
Соединение в норме?
-
Перейти к операции 12
Перейти к операции 11
11
Почистите или затяните соединение, если необходимо.
Закончен ли ремонт?
-
Система в норме
-
12
  1. Присоедините положительный провод вольтметра к клемме стартера "SТ".
  2. Присоедините отрицательный провод вольтметра к отрицательной клемме аккумулятора.
  3. Включите зажигание на СТАРТ.
Вольтметр показывает заданное значение?
> 7 В
Перейти к операции 13
Перейти к операции 14
13
Отремонтируйте или замените стартер, если необходимо.
Закончен ли ремонт?
-
Система в норме
-
14
Определите тип коробки передач с главной передачей в сборе.
Оснащен ли автомобиль автоматической коробкой передач?
-
Перейти к операции 15
Перейти к операции 32
15
  1. Отсоединить реле переключателя p/n (Парковка/Нейтральное).
  2. Присоединить отрицательный провод вольтметра к соединительной клемме 86 реле p/n.
  3. Присоедините положительный провод вольтметра к положительной клемме аккумулятора.
Вольтметр показывает заданное значение?
11-14 В
Перейти к операции 20
Перейти к операции 16
16
  1. Отсоединить переключатель p/n.
  2. Присоединить отрицательный провод вольтметра к соединительной клемме 4 переключателя p/n .
  3. Присоедините положительный провод вольтметра к положительной клемме аккумулятора.
Вольтметр показывает заданное значение?
11-14 В
Перейти к операции 17
Перейти к операции 25
17
  1. Соединить перемычкой соединительные клеммы 3 и 4 переключателя p/n.
  2. Присоединить отрицательный провод вольтметра к соединительной клемме 86 реле p/n.
  3. Присоедините положительный провод вольтметра к положительной клемме аккумулятора.
Вольтметр показывает заданное значение?
11-14 в
Перейти к операции 18
Перейти к операции 19
18
Замените нейтральный предохранительный резерный выключатель (Рnp).
Закончен ли ремонт?
-
Система в норме
-
19
Отремонтировать открытый провод между клеммой 3 переключателя p/n и клеммой 86 реле резервной защиты p/n.
Закончен ли ремонт?
-
Система в норме
-
20
  1. Присоединить положительный провод вольтметра к клемме 30 реле резервной защиты.
  2. Присоедините отрицательный провод вольтметра к массе.
  3. Включите зажигание на СТАРТ.
Вольтметр показывает заданное значение?
11-14 В
Перейти к операции 21
Перейти к операции 27
21
  1. Соединить положительный провод вольтметра с клеммой 85 реле p/n.
  2. Присоедините отрицательный провод вольтметра к массе.
  3. Включите зажигание на СТАРТ.
Вольтметр показывает заданное значение?
11-14 в
Перейти к операции 22
Перейти к операции 26
22
  1. Соединить перемычкой клеммы 30 и 87 реле p/n.
  2. Включите зажигание на СТАРТ.
Запускается ли стартер?
-
Перейти к операции 31
Перейти к операции 23
23
Пороверить, не разомкнут ли провод между клеммой 87 реле p/n и клеммой стартера "ST".
Проблема обнаружена?
-
Перейти к операции 24
Перейти к операции 13
24
Отремонтируйте провод, если необходимо.
Закончен ли ремонт?
-
Система в норме
-
25
Отремонтировать разомкнутый провод между клеммой 4 переключателя p/n и массой.
Закончен ли ремонт?
-
Система в норме
-
26
Отремонтировать разомкнутый провод между клеммой 85 реле p/n и клеммой 3 переключателя зажигания.
Закончен ли ремонт?
-
Система в норме
-
27
  1. Присоединить положительный провод вольтметра к клемме 5 выключателя зажигания путем обратной связи с разъемом.
  2. Присоедините отрицательный провод вольтметра к массе.
Вольтметр показывает заданное значение?
11-14 в
Перейти к операции 29
Перейти к операции 28
28
Устраните обрыв провода между предохранителем ef1 блока предохранителей и клеммой 5 выключателя зажигания.
Закончен ли ремонт?
-
Система в норме
-
29
  1. Присоедините положительный провод вольтметра к клемме 3 выключателя зажигания.
  2. Присоедините отрицательный провод вольтметра к массе.
  3. Включите зажигание на СТАРТ.
Вольтметр показывает заданное значение?
11-14 В
Перейти к операции 30
Перейти к операции 35
30
Устранить обрыв провода между клеммой 3 выключателя зажигания и клеммой 30 реле p/n.
Закончен ли ремонт?
-
Система в норме
-
31
Заменить реле p/n.
Закончен ли ремонт?
-
Система в норме
-
32
  1. Присоединить положительный провод вольтметра к клемме 5 выключателя зажигания путем обратной связи с разъемом.
  2. Присоедините отрицательный провод вольтметра к массе.
Вольтметр показывает заданное значение?
11-14 В
Перейти к операции 34
Перейти к операции 33
33
Устраните обрыв провода между предохранителем ef1 блока предохранителей и клеммой 5 выключателя зажигания.
Закончен ли ремонт?
-
Система в норме
-
34
  1. Присоедините положительный провод вольтметра к клемме 3 выключателя зажигания.
  2. Присоедините отрицательный провод вольтметра к массе.
  3. Включите зажигание на СТАРТ.
Вольтметр показывает заданное значение?
11-14 в
-
Перейти к операции 36
35
Устраните обрыв провода между клеммой 3 выключателя зажигания клеммой стартера "SТ".
Закончен ли ремонт?
-
Система в норме
-
36
Замените выключатель зажигания.
Закончен ли ремонт?
-
Система в норме
-

ШУМ СТАРТЕРА

Чтобы устранить шум стартера при запуски, выполните следующие шаги:
Пункты проверки
Операция
Обратите внимание на воющий шум коленчатого вала перед запуском двигателя. Коленчатый вал двигателя проворачивается и запускается нормально.
Слишком большое расстояние между шестернями стартера и маховиком. Необходимо придвинуть стартер к маховику при помощи компенсационной шайбы.
Проверьте наличие воющего шума после запуска двигателя и отпускания ключа зажигания. Коленчатый вал двигателя проворачивается и запускается нормально. Периодически возникающий шум часто диагностируется как "залипание стартера" или "ослабленное тяговое реле".
Слишком малое расстояние между шестернями стартера и маховиком. Необходимо отодвинуть стартер от маховика при помощи компенсационной шайбы.
Обратите внимание на громкий шум после запуска двигателя и при включенном стартере. Звук похож на сирену, когда при включенном стартере подается газ.
Возможной причиной является неисправное сцепление. Новое сцепление часто помогает решить эту проблему.
Обратите внимание на "гул", "грохот" или в тяжелых случаях "стучание", когда стартер после запуска двигателя останавливается.
Возможной причиной является погнутый или несбалансированный якорь стартера. Новый якорь часто помогает решить эту проблему.
Шумы могут быть устранены подбором исправной компенсационной шайбы.
  1. Обратите внимание на изогнутый или изношенный маховик.
  2. Запустите двигатель и осторожно пометьте вращающийся диск маховика мелом или цветным карандашом, чтобы отметить наибольший зазор между зубьями. Остановите двигатель и поверните маховик так, чтобы помеченные зубья оказались в зоне шестерни стартера.
  3. Отсоединить отрицательный кабель аккумулятора, чтобы предотвратить проворачивание коленчатого вала двигателя.
  4. Проверить зазор между шестерней и маховиком с помощью проволочного калибра толщиной или диаметром 0.5 мм (0.02 дюйма) мин. Центровать зуб шестерни между двумя зубьями маховика и калибром. Не измеряйте в углах, так как размер там может быть ошибочно более значительным. Если зазор составляет менее этого минимального значения, то отодвиньте стартер от маховика.
  5. Если зазор близок к 1.5 мм (0.06 дюйма) или более, то придвиньте стартер к маховику с помощью компенсационной шайбы. Это обычно является причиной повреждения зубьев маховика или корпуса стартера. Придвиньте стартер к маховику при помощи компенсационной шайбы на опорной пластине маховика. Компенсационная шайба толщиной 0,40 мм (0.016 inch) в этом месте уменьшит зазор примерно на 0,30 мм (0.012 in.). Если нет компенсационных шайб, используйте обыкновенные подкладные шайбы или другой подходящий материал.

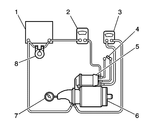
ПРОВЕРКА АККУМУЛЯТОРНОЙ БАТАРЕИ ПОД НАГРУЗКОЙ

  1. Проверьте аккумуляторную батарею на видимые повреждения, такие как сломанный корпус или крышка, которые могут вызвать потерю электролита. Если имеются видимые повреждения, замените аккумуляторную батарею.

Внимание! Не заряжайте аккумуляторную батарею, если ареометр прозрачный или светло-желтый. Вместо этого замените аккумуляторную батарею. Если батарея горячая на ощупь и через вентиляционное отверстие выходит газ или кислота, прервите зарядку или уменьшите ток зарядки во избежание травм.

Важно: Температуру аккумуляторной батареи нужно проверять рукой, принимая во внимание температуру окружающей среды, в которой батарея находилась до этого в течение нескольких часов.

  1. Проверьте ареометр. Если видна зеленая точка, перейдите к процедуре проверки с нагрузкой. Если индикатор темный, но зеленого цвета не видно, зарядите батарею. Для зарядки снятой аккумуляторной батареи следуйте пункту "Зарядка полностью разряженной аккумуляторной батареи" в этом разделе.
  2. Присоедините вольтметр и устройство проверки аккумуляторной батареи под нагрузкой к клеммам батареи.
  3. Подайте ток 300 А на 15 секунд, чтобы снять напряжение на поверхности аккумуляторной батареи.
  4. Уберите нагрузку.
  5. Подождать 15 секунд, чтобы дать батарее восстановиться.
  6. Применить нагрузку 270 ампер.
  7. Если напряжение не падает ниже заданного минимума, батарея в норме и может быть установлена на место. Если напряжение ниже заданного минимума, замените аккумуляторную батарею. Следуйте пункту "Технические характеристики аккумуляторной батареи" в этом разделе.

Проверка выходной мощности генератора.

  1. Выполните проверку систем генератора. Следуйте пункту "Проверка систем генератора" в этом разделе.
  2. Замените генератор, если он не прошел проверку. Следуйте пункту "Генератор" в части Обслуживание автомобиля этого раздела.
  3. Если генератор прошел проверку, то выполнить следующую проверку выходной мощности генератора в автомобиле.

Важно: Всегда проверяйте выходную мощность генератора, прежде чем предположить поломку генератора от замыкания на массу клеммы "L".

  1. Присоедините к автомобилю цифровой мультеметр, амперметр и углеродистый пленочный резистор.

Важно: Убедитесь, что аккумуляторная батарея полностью заряжена и углеродистый пленочный резистор отключен.

  1. При выключенном выключателе зажигания проверьте и запишите напряжение аккумуляторной батареи.
  2. При выключенном выключателе зажигания проверьте и запишите напряжение аккумуляторной батареи.
  3. Снимите разъем жгута проводов с генератора.
  4. Снимите разъем жгута проводов с генератора.
  5. Поставить выключатель зажигания в положение RUN (Работа) при выключенном двигателе.
  6. Поставить выключатель зажигания в положение run (Работа) при выключенном двигателе.
  7. Используйте цифровой мультиметр для проверки напряжения на клемме "L" разъема кабельного жгута. Показания должны быть примерно равны заданному напряжению 12 В аккумуляторной батареи.
  8. Используйте цифровой мультиметр для проверки напряжения на клемме "L" разъема кабельного жгута. Показания должны быть примерно равны заданному напряжению 12 В аккумуляторной батареи.
  9. Если напряжение слишком мало, проверьте цепь клеммы "L" на замыкание на корпус и обрыв цепи, которые могут вызвать падение напряжения. Исправьте обрывы провода, подключения клемм и т.д., если необходимо. Следуйте пункту "Система зарядки" в этом разделе.
  10. Если напряжение слишком мало, проверьте цепь клеммы "L" на замыкание на корпус и обрыв цепи, которые могут вызвать падение напряжения. Исправьте обрывы провода, подключения клемм и т.д., если необходимо. Следуйте пункту "Система зарядки" в этом разделе.
  11. Присоедините разъем жгута проводов генератора.
  12. Присоедините разъем жгута проводов генератора.
  13. Запустите двигатель на среднем холостом ходу и измерьте напряжение между клеммами аккумуляторной батареи. Показания должны быть больше, чем записанные в операции 15, но меньше, чем 16 В. Если показания выше 16 В или меньше прежде зафиксированных, замените генератор. Следуйте пункту "Генератор" в части Обслуживание автомобиля этого раздела.
  14. Запустите двигатель на среднем холостом ходу и измерьте напряжение между клеммами аккумуляторной батареи. Показания должны быть больше, чем записанные в операции 15, но меньше, чем 16 В. Если показания выше 16 В или меньше прежде зафиксированных, замените генератор. Следуйте пункту "Генератор" в части Обслуживание автомобиля этого раздела.
  15. Запустите двигатель на среднем холостом ходу и измерьте выходной ток генератора.
  16. Запустите двигатель на среднем холостом ходу и измерьте выходной ток генератора.
  17. Включите углеродистый пленочный резистор и отрегулируйте его, чтобы получить максимальный ток при напряжении аккумуляторной батареи выше 13 В. Если показания в пределах 15 А, помеченных на генераторе, генератор в порядке. Если нет, замените генератор. Следуйте пункту "Генератор" в части Обслуживание автомобиля этого раздела.
  18. Включите углеродистый пленочный резистор и отрегулируйте его, чтобы получить максимальный ток при напряжении аккумуляторной батареи выше 13 В. Если показания в пределах 15 А, помеченных на генераторе, генератор в порядке. Если нет, замените генератор. Следуйте пункту "Генератор" в части Обслуживание автомобиля этого раздела.
  19. На генераторе, работающем с максимальной выходной мощностью, измерьте напряжение между корпусом генератора и отрицательной клеммой аккумуляторной батареи. Падение напряжения должно составлять 0,5 В или меньше. Если падение напряжение больше 0,5 В, проверьте соединение между корпусом генератора и отрицательным проводом аккумуляторной батареи.
  20. На генераторе, работающем с максимальной выходной мощностью, измерьте напряжение между корпусом генератора и отрицательной клеммой аккумуляторной батареи. Падение напряжения должно составлять 0,5 В или меньше. Если падение напряжение больше 0,5 В, проверьте соединение между корпусом генератора и отрицательным проводом аккумуляторной батареи.
  21. Проверьте, почистите, затяните и перепроверьте все соединения на массу.
  22. Проверьте, почистите, затяните и перепроверьте все соединения на массу.

C102E009
Показать иллюстрациюПеревод текста в иллюстрациях


ПРОВЕРКА СИСТЕМ ГЕНЕРАТОРА

При нормальной работе контрольная лампа генератора включается, когда выключатель зажигания находится в положении RUN, и выключается при запуске двигателя. Если лампа работает не нормально или аккумуляторная батарея перезаряжена или разряжена, используйте следующую процедуру для диагностики системы зарядки. Помните, что разряженная аккумуляторная батарея бывает следствием не выключенных на ночь приборов, неисправных выключателей ламп, крышки багажника или вещевого ящика.
Проведите проверку генератора следующим образом:
  1. Осмотрите ремень и проводку.
  2. При выключателе зажигания в положении run и при остановленном двигателе контрольная лампочка зарядки должна светиться. Если это не так, отсоедините жгут проводов от генератора и подключите к массе клемму "L" через 5-амперную плавкую перемычку.
  3. При включенном зажигании и двигателе, работающем на средних оборотах, контрольная лампа зарядки не должна гореть. Если это не так, отсоедините жгут проводов от генератора.

Важно: Всегда проверяйте выходную мощность генератора, прежде чем предположить поломку генератора от замыкания на массу клеммы "L". См. "Генератор"в пункте "Ремонт узла" данного раздела.

ТЕХНИЧЕСКОЕ ОБСЛУЖИВАНИЕ И РЕМОНТ

ОБСЛУЖИВАНИЕ АВТОМОБИЛЯ



UAA1E070
Показать иллюстрациюПеревод текста в иллюстрациях


ГЕНЕРАТОР

Процедура снятия

  1. Отсоедините отрицательный кабель аккумулятора.
  2. Снять винты корпуса воздушного фильтра и винты корпуса подвода воздуха.
  3. Снимите трубку впуска воздуха с корпуса дроссельной заслонки.


  4. UAA1C140
    Показать иллюстрациюПеревод текста в иллюстрациях


  5. Снимите изгибающийся вспомогательный приводной ремень. Следуйте разделу 6В, Насос рулевого управления с усилителем.
  6. Отсоединить жгутовый разъем от задней части генератора.
  7. Снять винт кронштейна с нагнетального маслопровода рулевого привода с усилителем.
  8. Указания по установке
    Момент затяжки
    12 Н•м (106 lb-ft)
  9. Снять винт опорного кронштейна.
  10. Указания по установке
    Момент затяжки
    20 Н•м (15 lb-ft)
  11. Удалить винты патрубка впуска воздуха и сам патрубок впуска воздуха
  12. Указания по установке
    Момент затяжки
    20 Н•м (15 lb-ft)


    UAA1E080
    Показать иллюстрациюПеревод текста в иллюстрациях


  13. Снять гайку и шайбу жгутового разъема аккумуляторной батареи с генератора.
  14. Указания по установке
    Момент затяжки
    12 Н•м (106 lb-in)
  15. Снять гайку и шайбы, которые удерживают генератор в положении ниже винта, соединяющего кронштейн с генератором.
  16. Указания по установке
    Момент затяжки
    20 Н•м (15 lb-ft)
  17. Осторожно снять генератор.
  18. Установку производить в порядке, обратном порядку снятия деталей.


UAA1E050
Показать иллюстрациюПеревод текста в иллюстрациях


СТАРТЕР

Процедура снятия

  1. Отсоедините отрицательный кабель аккумулятора.
  2. Убрать гайку, которая крепит заземляющий провод стартера к штырю нижней подвески.
  3. Отсоединить заземляющий провод.
  4. Убрать гайку соленоида стартера.
  5. Указания по установке
    Момент затяжки
    12 Н•м (106 lb-in)
  6. Отсоединить клеммы ,соединяющие соленоид стартера и кабель аккумуляторной батареи.
  7. Отсоединить разъем клеммы st от соленоида стартера.


  8. UAA1E060
    Показать иллюстрациюПеревод текста в иллюстрациях


  9. Снять крепежный болт стартера к коробке пердач.
  10. Указания по установке
    Момент затяжки
    23 Н•м (17 lb-ft)
  11. Снять крепежный винт, соединяющий стартер с блоком цилиндров двигателя.
  12. Указания по установке
    Момент затяжки
    23 Н•м (17 lb-ft)
  13. Снимите узел стартера.
  14. Установку производить в порядке, обратном порядку снятия деталей.


UAA1E030
Показать иллюстрациюПеревод текста в иллюстрациях


АККУМУЛЯТОРНАЯ БАТАРЕЯ И ПОЛКА АККУМУЛЯТОРНОЙ БАТАРЕИ

Порядок снятия

  1. Убрать гайки кабеля аккмуляторной батареи.
  2. Указания по установке
    Момент затяжки
    15 Н•м (11 lb-ft)
  3. Отсоедините отрицательный кабель аккумулятора, а затем - положительный кабель аккумулятора.
  4. Снять гайки зажима стержней аккумуляторной батареи.
  5. Снять стержни батареи и зажим.
  6. Снимите аккумуляторную батарею.


  7. UAA1E040
    Показать иллюстрациюПеревод текста в иллюстрациях


  8. Снять бак с жидкостью рулевого управления с усилителем. Смотрите раздел 6А, Система рулевого привода с усилителем.
  9. Снимите катушку электронной системы зажигания. Следуйте разделу 1F, Управление двигателя.
  10. Снять винты/гайку полки батареи.
  11. Указания по установке
    Момент затяжки
    20 Н•м (15 lb-ft)
  12. Снимите полку аккумуляторной батареи.
  13. Установку производить в порядке, обратном порядку снятия деталей.

РЕМОНТ АГРЕГАТА



A102E239
Показать иллюстрациюПеревод текста в иллюстрациях


СТАРТЕР

Процедура разборки

  1. Снимите стартер. Следуйте пункту "Стартер" в этом разделе.
  2. Снимите сквозные винты стартера.


  3. A102E215
    Показать иллюстрациюПеревод текста в иллюстрациях


  4. Снимите держатель рамы/щетки коммутационного штекера.
  5. Проверьте щетки, выступающие пружины и держатели щеток на износ и повреждения. Заменить узел, если нужно.


  6. A102E218
    Показать иллюстрациюПеревод текста в иллюстрациях


  7. Проверьте якорь на свободный ход. Если якорь не вращается свободно, разберите узел, начиная с шага 12. В противном случае проведите проверку якоря без нагрузки.


  8. A102E219
    Показать иллюстрациюПеревод текста в иллюстрациях


    Примечание: Завершить испытание в минимально возможное время, чтобы избежать перегрева соленоида.

    Важно: Если номинальное потребление тока не включает в себя электромагнитное реле, вычесть номинальное потребление тока из значения обмотки самоблокировки.

  9. Чтобы начать проверку без нагрузки, закройте выключатель и сравните число оборотов и напряжение с техническими характеристиками. Следуйте пункту "Технические характеристики стартера" в этом разделе. Отсоединение производить только при открытом выключателе. Результаты проверки используйте следующим образом:
  10. 6.1. Если потребление тока и обороты без нагрузки соответствуют номинальным значениям, то стартер в норме.
    6.2 Низкая свободная скорость и высокое потребление тока говорит о слишком большом трении (туго затянутые, грязные или изношенные подшипники или погнутый вал якоря), закороченном якоре или обмотках.
    6.3 Неподвижность стартера при высоком потреблении тока может быть вызвана замыканием на массу клемм или обмоток или "заевшими" подшипниками.
    6.4 Неподвижность стартера при отсутствии потребления тока может быть вызвана обрывом цепи в обмотках якоря, сломанными или изношенными пружинами щеток, высоким сопротивлением между ламелями коллектора или другими причинами, препятствующими хорошему контакту между щетками и коллектором.
    6.5 Низкие обороты без нагрузки и низкий ток свидетельствуют о высоком внутреннем сопротивлении и высоком потреблении ток, которые вызваны, как правило, замкнутыми катушками возбуждения.


    A102E226
    Показать иллюстрациюПеревод текста в иллюстрациях


  11. Снимите винты электромагнитного реле.


  12. A102E243
    Показать иллюстрациюПеревод текста в иллюстрациях


  13. Снимите гайку разъема катушки возбуждения. Отсоедините разъем катушки возбуждения.


  14. A102E247
    Показать иллюстрациюПеревод текста в иллюстрациях


  15. Поверните реле на 90 градусов и снимите его вместе с возвратной пружиной плунжера.


  16. A102E221
    Показать иллюстрациюПеревод текста в иллюстрациях


    Важно: Если электромагнитное реле не снято с двигателя стартера, необходимо снять клемму соединителя с клеммы электромагнитного реле, прежде чем выполнять эту проверку.

  17. Проверьте катушки электромагнитного реле, измерив потребляемый ток.
  18. 10.1. Проверьте обмотки самоблокировки, подключив амперметр последовательно к 12-вольтовой аккумуляторной батарее, выключателю и массе.
    10.2 Подключить углеродистый пленочный резистор к аккумуляторной батарее.
    10.3 Отрегулировать напряжение до 12.2 В. Показания амперметра должны составлять от 12 до 20 А.

    Важно: Ток будет падать при нагревании обмоток. Потребляемый ток ниже технических характеристик свидетельствует о коротком замыкании или замыкании на массу обмотки электромагнитного реле. И то и другое требует замены электромагнитного реле. Потребляемый ток выше технических характеристик свидетельствует о повышенном сопротивлении. Отстутствие тока свидетельствует об обрыве цепи.



    A102E221
    Показать иллюстрациюПеревод текста в иллюстрациях


  19. Проверьте обе обмотки, присоединив их согласно предыдущей проверке.
  20. 11.1 Присоединить на массу клемму электромагнитного реле.
    11.2 Отрегулировать напряжение до 12.2 В. Показания амперметра должны составлять от 60 до 90 ампер.
    11.3 Проверить соединения и заменить электромагнитное реле, если необходимо.


    A102E222
    Показать иллюстрациюПеревод текста в иллюстрациях


  21. Снимите статор с якорем с узля стартера.
  22. Снимите крышку.


  23. A102E242
    Показать иллюстрациюПеревод текста в иллюстрациях


  24. Снимите статор с якоря.


  25. A102E223
    Показать иллюстрациюПеревод текста в иллюстрациях


  26. Проверить вал, подшипник и шестерню на изменение цвета, поломки или износ. Замените, если необходимо.
  27. Проверьте места, где провода якоря соприкасаются с ламелями коллектора. Убедитесь в хорошем контакте. Обожженые ламели коллектора свидетельствуют о плохом контакте.
  28. Если имеется проверочное оборудование, проверьте якорь на короткое замыкание, установив его на прибор для проверки и держа полотно пилы на сердечнике якоря и вращая якорь. Если полотно пилы вибрирует, замените якорь.
  29. После очистки еще раз проверить пространство между ламелями коллектора. Если полотно пилы вибрирует, замените якорь.


  30. A202E006
    Показать иллюстрациюПеревод текста в иллюстрациях


  31. Снять шестерни, втулку и шайбу.
  32. Снять подкладку и ведущий вал с корпуса стартера.


  33. A102E220
    Показать иллюстрациюПеревод текста в иллюстрациях


  34. Разобрать узел ведущего вала, отделив сначала втулку от вала.
  35. Вытащить манжету и блокирующее кольцо из канавки в ведущем вале.


  36. A102E248
    Показать иллюстрациюПеревод текста в иллюстрациях


  37. Снимите упорное кольцо и шестерню с вала.


  38. A202E006
    Показать иллюстрациюПеревод текста в иллюстрациях


  39. Снять опору шестерни с ведущего вала.


  40. A102E226
    Показать иллюстрациюПеревод текста в иллюстрациях


  41. Если это не сделано на предышущих шагах, снимите винты, крепящие электромагнитное реле к корпусу и снимите гайку с разъема катушки возбуждения.


  42. A102E247
    Показать иллюстрациюПеревод текста в иллюстрациях


  43. Поверните реле на 90 градусов и снимите его вместе с возвратной пружиной.


  44. A302E007
    Показать иллюстрациюПеревод текста в иллюстрациях


  45. Снимите поршень с защитной крышкой и пусковой рычаг.


  46. A102E237
    Показать иллюстрациюПеревод текста в иллюстрациях


    Примечание: Зазор шестерни должен быть нормальным, чтобы выступы на хомуте пускового рычага не ударялись по соединительному фланцу во время запуска.

  47. После разборки стартера и замены электромагнитного реле необходимо проверить зазор шестерни.


  48. A102E227
    Показать иллюстрациюПеревод текста в иллюстрациях


  49. Отсоедините разъем катушки возбуждения от клеммы электромагнитного реле и аккуратно заизолируйте разъем.
  50. Присоедините один 12-вольтовый провод к клемме электромагнитного реле и другой к корпусу стартера.
  51. При помощи замыкающего провода установите короткий контакт между разъемом электромагнитного клапана и корпусом стартера так, чтобы шестерня попала в позицию запуска и оставалась там до отключения аккумуляторной батареи.
  52. Важно: Средств для регулировки зазора шестерни на стартере не имеется. Если зазор выходит за установленные пределы, проверьте правильность монтажа и замените изношенные детали.

  53. Отодвиньте шестерью как можно дальше назад, чтобы воспринять любое движение и проверьте зазор щупом. Зазор должен составлять от 0,25 до 3,56 мм (от 0,01 до 0,14 дюймов).


C302E016
Показать иллюстрациюПеревод текста в иллюстрациях


Процедура сборки

  1. Очистить все части двигателя стартера, но при этом не пользоваться растворителями жиров для очистки якоря и обмоток возбуждения.
  2. Смазать шестерни смазкой. (Начать с п.7, если вы выполняете только разборку электромагнитного реле.)
  3. Если была выполнена полная разборка стартера и электромагнитного реле, то начать разборку, поместив опору шестерни и манжету на ведущий вал.


  4. A102E248
    Показать иллюстрациюПеревод текста в иллюстрациях


  5. Установите упорное кольцо и шестерню на вал.


  6. A102E220
    Показать иллюстрациюПеревод текста в иллюстрациях


  7. Установите стопорное кольцо на канавку вала и вставьте фланец.
  8. Установить втулку.


  9. A302E007
    Показать иллюстрациюПеревод текста в иллюстрациях


  10. Установить рычаг переключения передач в сборе с плунжером и защитной крышкой.


  11. A102E224
    Показать иллюстрациюПеревод текста в иллюстрациях


  12. Смазать шестерни смазкой и установить узел ведещего вала с втулкой и шайбой на конце шестерни.
  13. установить подкладку и шестерни.


  14. A102E223
    Показать иллюстрациюПеревод текста в иллюстрациях


  15. Смазать ведущий конец вала якоря смазкой и установить новую шестерню и подшипник, если необходимо.


  16. A102E247
    Показать иллюстрациюПеревод текста в иллюстрациях


  17. Поставить узел электромагнитного реле и возвратную пружину против плунжера, нанося уплотнитель (герметик) на фланец электромагнитного реле.


  18. A102E226
    Показать иллюстрациюПеревод текста в иллюстрациях


  19. Затяните электромагнитное реле винтами.
  20. Указания по установке
    Момент затяжки
    8 Н•м (71 фунто-дюйма)
  21. Установите разъем катушки возбуждения на клемму стартера. Установите гайку.
  22. Указания по установке
    Момент затяжки
    8 Н•м (71 фунто-дюйма)


    A102E222
    Показать иллюстрациюПеревод текста в иллюстрациях


  23. Установите якорь в статоре.
  24. Установите крышку на якорь и статор.
  25. Установите якорь и статор с крышкой в корпус стартера.


  26. A102E215
    Показать иллюстрациюПеревод текста в иллюстрациях


  27. Установите торцевую деталь коллектора и держатель щеток, совместив его отверстия со сквозными отверстиями в корпусе.


  28. A102E239
    Показать иллюстрациюПеревод текста в иллюстрациях


  29. Установить сквозные винты стартера.
  30. Установить стартер. Следуйте пункту "Стартер" в этом разделе.
  31. Указания по установке
    Момент затяжки
    6 Н•м (53 lb-in)


A102E201
Показать иллюстрациюПеревод текста в иллюстрациях


ГЕНЕРАТОР

Процедура разборки

  1. Снимите генератор. Следуйте пункту "Генератор" Обслуживание автомобиля этого раздела.
  2. Сделайте маркировку на торцевой стороне, чтобы облегчить последующую сбору.
  3. Снимите пластиковую крышку рычагом, освободив разъема статора.


  4. A102E258
    Показать иллюстрациюПеревод текста в иллюстрациях


    Примечание: Если разъемы стартера не сварены, расплавьте провода. Избегайте чрезмерного нагрева, это может повредить диоды в мостовом выпрямителе.

  5. Снять разъемы статора с клемм мостового выпрямителя,распаяв или отрезав провода.


  6. A102E203
    Показать иллюстрациюПеревод текста в иллюстрациях


  7. Снимите сквозные винты генератора.


  8. A102E251
    Показать иллюстрациюПеревод текста в иллюстрациях


    Важно: Усилие затяжки для этой гайки составляет 81Н•м (60 lb-ft), гайка обычно не может быть отвинчена вручную.

  9. Снимите гайку подшипника на приводном конце генератора.
  10. Снимите шкивы и фланцы.


  11. A102E252
    Показать иллюстрациюПеревод текста в иллюстрациях


  12. Проверьте ротор на обрыв цепи, используя омметр на торцевой детали с приводной стороны. Показания должны быть достаточно высокими, в противном случае замените ротор.


  13. A102E205
    Показать иллюстрациюПеревод текста в иллюстрациях


  14. Проверьте ротор на обрыв цепи и короткое замыкание. Показания должны составлять от 1,7 до 2,3 Ом, в противном случае замените ротор.


  15. A102E206
    Показать иллюстрациюПеревод текста в иллюстрациях


  16. Снимите торцевую деталь с вала.
  17. На автомобилях с внутренним вентилятором генератора, снимите торцевую деталь и вентилятор.


  18. A102E207
    Показать иллюстрациюПеревод текста в иллюстрациях


  19. Снимите ротор.


  20. A102E208
    Показать иллюстрациюПеревод текста в иллюстрациях


  21. Снимите статор.
  22. Проверьте статор на обрыв цепи, используя омметр.


  23. A102E256
    Показать иллюстрациюПеревод текста в иллюстрациях


  24. Снимите перегородку рычагом.
  25. Снимите винты выпрямителя/регулятора/держателя щеток.
  26. Снять держатель щеток и регулятор, обрезав клемму между регулятором и мостовым выпрямителем.
  27. Важно: Если щетку можно использовать повторно, подсоберите щетку с держателем стопорным штифтом, предварительно почистив ее мягкой, чистой ветошью.



    A102E211
    Показать иллюстрациюПеревод текста в иллюстрациях


  28. Проверить мостовой выпрямитель, соединив контакты омметра с выпрямителем и теплоотводом.


  29. A102E204
    Показать иллюстрациюПеревод текста в иллюстрациях


  30. Проверьте еще раз, присоединив контакты омметра в обратном порядке.


  31. A102E211
    Показать иллюстрациюПеревод текста в иллюстрациях


  32. Замените мостовой выпрямитель, если показания одинаковы.
  33. Проверьте два оставшихся диода после вышеописанной процедуры.
  34. Примечание: Некоторые виды омметров непригодны для проверки мостовых диодов. В этом случае проконсультируйтесь с изготовителем по проверке емкости.

  35. Проверить диоды,соединив контакты омметра с разъемом выпрямителя и опорной пластины. Замените мостовой выпрямитель, если показания одинаковы.


  36. A102E212
    Показать иллюстрациюПеревод текста в иллюстрациях


  37. Снимите кольцо на торцевой детали со стороны контактного кольца.


A102E257
Показать иллюстрациюПеревод текста в иллюстрациях


Процедура сборки

  1. Устновите новое кольцо в торцевую деталь со стороны контактного кольца.
  2. Втолкнуть наружную сшивку нового подшипника в нижнюю часть отливки торцевой рамы.


  3. A102E256
    Показать иллюстрациюПеревод текста в иллюстрациях


  4. Приварить клемму держателя щеток к клемме регулятора, если она была снята.
  5. Зафиксировать держатель щеток стопорным штырьком и приварить клемму регулятора/держателя щеток к клемме выпрямителя.
  6. Нанесите силиконовую смазку между мостовым выпрямителем и торцевой деталью для отвода тепла.
  7. Затяните винты, удерживающие регулятор выпрямителя/держатель щеток на торцевой детали.
  8. Забейте в щетку защитную крышку при помощи штырька.


  9. A102E213
    Показать иллюстрациюПеревод текста в иллюстрациях


  10. Установите статор.


  11. A102E202
    Показать иллюстрациюПеревод текста в иллюстрациях


    Примечание: При сварке или пайке позаботьтесь о защите диода в мостовом выпрямителе от действия слишком высоких температур.

  12. Припаять или приварить разъемы мостового выпрямителя.


  13. A102E201
    Показать иллюстрациюПеревод текста в иллюстрациях


  14. Установить наружную крышку.


  15. A102E203
    Показать иллюстрациюПеревод текста в иллюстрациях


  16. Поставить вал ротора с рамой ведущего хвостовика в токосъемник так, чтобы расстояние между наружной сшивкой (ремнем) и отливкой концевой рамы составляло 1.9 мм (0.075 дюйма).
  17. Установить сквозные винты генератора.
  18. Указания по установке
    Момент затяжки
    10 Н•м (89 lb-in)


    A102E251
    Показать иллюстрациюПеревод текста в иллюстрациях


  19. Установите вентилятор, фланцы и шкив на валу ротора и закрепите их гайкой.
  20. Указания по установке
    Момент затяжки
    81 Н•м (60 lb-ft)
  21. Установите генератор. Следуйте пункту "Генератор" Обслуживание автомобиля этого раздела.

ТЕХНИЧЕСКИЕ ХАРАКТЕРИСТИКИ

ТЕХНИЧЕСКИЕ ХАРАКТЕРИСТИКИ СТАРТЕРА

Описание
Агрегат
1,6 л двойной верх. распредвал
2,0 л двойной верх. распредвал
Тип
-
шестеренчатый редуктор с постоянным магнитом
шестеренчатый редуктор с постоянным магнитом
Производительность (емкость)
кВт
1,2
1,4
Проверка без нагрузки 12 В обороты приводного ремня
количество оборотов в минуту
90 макс.
2,600 мин.
85 макс.
2,550 мин.
Длина щеток
мм (in.)
8.25
7.3

ТЕХНИЧЕСКИЕ ХАРАКТЕРИСТИКИ ГЕНЕРАТОРА

Описание
Агрегат
1,6 л двойной верх. распредвал
2,0 л двойной верх. распредвал
Тип
-
cs121d
cs121d
Напряжение регулятора
В
14,6
14,6
Длина щеток
мм (in.)
25
25
Производительность (емкость)
-
85(a)
85(a)

ТЕХНИЧЕСКИЕ ХАРАКТЕРИСТИКИ АККУМУЛЯТОРНОЙ БАТАРЕИ

Описание
Агрегат
1,6 л двойной верх. распредвал
2,0 л двойной верх. распредвал
Вместимость
а/ч
55
66
Сила тока при холодном пуске
cca
850
610
Резервная емкость, мин.
мин.
110
Проверка с нагрузкой
А
300
Минимальное напряжение:
9,6
9,5
9,4
9,3
9,1
8,9
8,7
8,5
В
В
В
В
В
В
В
В
70°f (21°c) и выше
60°f(15.6°C)
50°f (10°c)
40°f(4.4°C)
30°f(-1.1°C)
20°f (-6.7°C)
10°f (-12.2°C)
0°f (-17.8°C)

МОМЕНТЫ ЗАТЯЖКИ РЕЗЬБОВЫХ СОЕДИНЕНИЙ

ПРОГРАММА
Н•м
lb-ft
lb-in
Гайки проводов аккумуляторной батареи
5
-
44
Нижние винты полки аккумуляторной батареи.
10
-
89
Верхние винты полки аккмуляторной батареи.
20
15
-
Гайки крепления скоб аккумуляторной батареи
4
-
35
Винт разъема аккумуляторной батареи.
20
15
-
Гайка провода, соединяющего батарею с генератором.
12
-
106
Гайка ведущего вала генератора.
100
74
-
Винты соединения нижнего кронштейна генератора с блоком цилиндров двигателя.
30
22
-
Гайка соединения нижнего кронштейна генератора с генератором.
20
15
-
Сквозные винты генератора
25
18
-
Винт соединения генератора с опорным кронштейном головки цилиндров.
20
15
-
Винты впускного патрубка генератора и опорного кронштейна головки цилиндров
35
26
-
Винт кронштейна хомута генератора к впускному коллектору
20
15
-
Винты крепления впускного коллектора к кронштейну блока цилиндров двигателя (над стартером)
20
15
-
Гайка монтажного соединения стартера
6
-
53
Гайка для подключения провода батареи к электромагнитному реле стартера
12
-
106
Гайка для подключения зажигания к электромагнитному реле стартера
6
-
53
Сквозные винты стартера
6
-
53
Крепежный винт, соединяющий стартер с блоком цилиндров двигателя.
50
37
-
Крепежный болт стартера к коробке передач.
45
33
-

ПРИНЦИПИАЛЬНЫЕ И МОНТАЖНЫЕ СХЕМЫ

СТАРТЕРНАЯ СИСТЕМА


U5A11E01
Показать иллюстрациюПеревод текста в иллюстрациях


СИСТЕМА ЗАРЯДКИ


U5A11E02
Показать иллюстрациюПеревод текста в иллюстрациях




На предыдущую страницуНа следующую страницу
https://vnx.su/ 🛠 Руководства по ремонту и эксплуатации для автомобилей

Поиск по сайту

Остались вопросы или пожелания? Пишите на почту: support@vnx.su

Карта Сайта