К началу документа
Tacuma
На предыдущую страницуНа следующую страницу
Главная страница GMDEЗагрузить нединамическое оглавлениеЗагрузить динамическое оглавлениеПомощь

РАЗДЕЛ 9R

КУЗОВ И ДОПОЛНИТЕЛЬНОЕ ОБОРУДОВАНИЕ (ПЕРЕДНЯЯ ЧАСТЬ КУЗОВА)

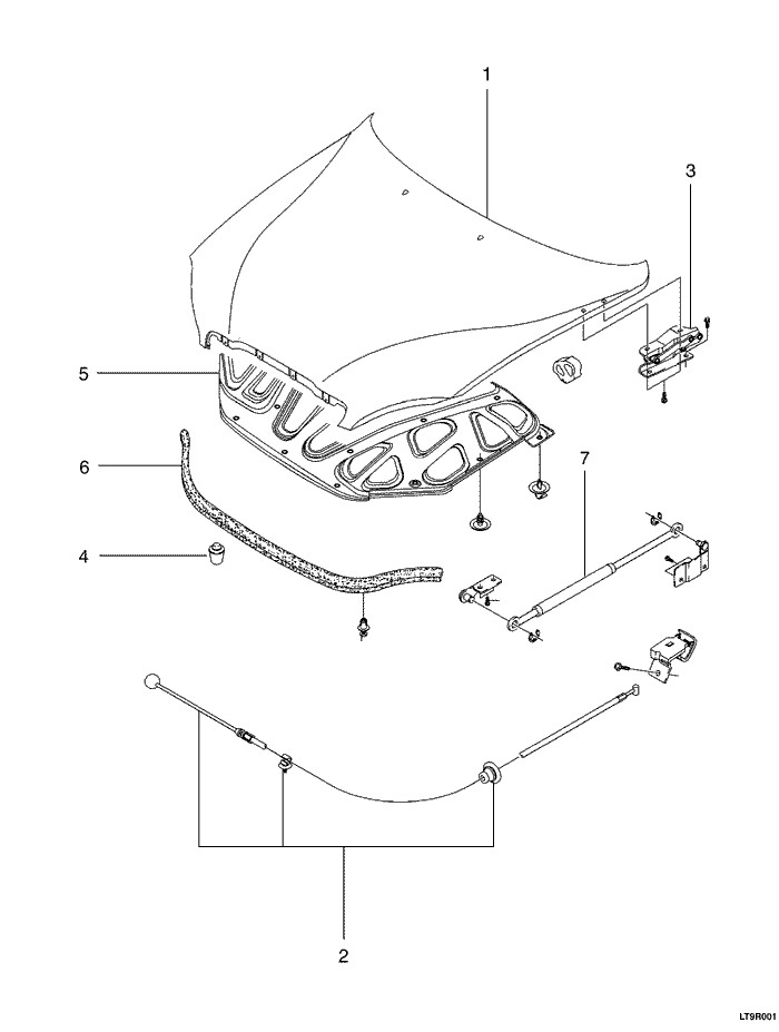
LT9R001
Показать иллюстрациюПеревод текста в иллюстрациях


ПЕРЕДНЯЯ ЧАСТЬ КУЗОВА - ПАНЕЛЬ КАПОТА (973)

ОПИСАНИЕ ОПЕРАЦИИ
КОД ОПЕРАЦИИ
МОДЕЛЬ
t
j
v
u
1
. ПАНЕЛЬ КАПОТА - ЗАМЕНА
9730100
0.4
0.4
0.5
0.4
. ПАНЕЛЬ КАПОТА - РЕГУЛИРОВКА ПОЛОЖЕНИЯ
9730300
0.3
0.3
0.3
0.3
2
. ТРОС, ЗАЩЕЛКА КАПОТА - ЗАМЕНА
9730500
0.7
0.3
0.3
0.5
3
. ПЕТЛЯ, КАПОТ - ЗАМЕНА
.
.
.
.
.
Правая
9731100
0.3
0.3
0.3
0.3
Левая
9731200
0.3
0.3
0.3
0.3
Оба
9731300
0.4
0.4
0.4
0.4
4
. БУФЕР, КАПОТ - ЗАМЕНА
9731500
0.2
0.2
0.2
0.2
5
. ИЗОЛЯЦИЯ, КАПОТ ДВИГАТЕЛЯ - ЗАМЕНА
9731700
-
0.2
0.2
0.3
6
. УПЛОТНЕНИЕ, КАПОТ - ЗАМЕНА
9731900
-
-
0.2
0.2
7
. ПРУЖИНА, ПНЕВМАТИЧЕСКАЯ КАПОТА - ЗАМЕНА
9732100
-
-
0.2
-
t : lanos, j : nubira, v : leganza, u : tacuma/rezzo

LT9R002
Показать иллюстрациюПеревод текста в иллюстрациях


ПЕРЕДНЯЯ ЧАСТЬ КУЗОВА - ПЕРЕДНЯЯ ПАНЕЛЬ (974)

ОПИСАНИЕ ОПЕРАЦИИ
КОД ОПЕРАЦИИ
МОДЕЛЬ
t
j
v
u
1
. ЗАЩЕЛКА, КАПОТ - ЗАМЕНА И ПЕРЕУСТАНОВКА ИЛИ ЗАМЕНА
9740100
0.3
0.3
0.3
0.4
2
. РУЧКА, ОТКРЫВАНИЕ ЗАЩЕЛКИ КАПОТА - ЗАМЕНА
9740200
0.2
0.2
0.2
0.2
3
. СТОЙКА, КАПОТА ОПОРНАЯ - ЗАМЕНА
9740300
0.2
0.2
0.2
0.2
4
. БУФЕРЫ, КАПОТ - ЗАМЕНА
9740500
0.2
0.2
0.2
0.2
5
. ВОЗДУШНОЕ УПЛОТНЕНИЕ, ПЕРЕДНЕЕ - ЗАМЕНА
9740700
0.3
-
-
-
6
. ПОПЕРЕЧИНА, РАДИАТОР - ЗАМЕНА
9740900
2.0
2.0
1.8
2.0
7
. ПАНЕЛЬ, ПЕРЕДНЯЯ БОКОВАЯ - ЗАМЕНА
9741100
4.0
4.0
4.0
4.0
8
. ОПОРА, ПАНЕЛИ ПЕРЕДНЯЯ - ЗАМЕНА
9741300
3.0
3.0
3.0
0.8
t : lanos, j : nubira, v : leganza, u : tacuma/rezzo

LT9R003
Показать иллюстрациюПеревод текста в иллюстрациях


ПЕРЕДНЯЯ ЧАСТЬ КУЗОВА - ПАНЕЛЬ КРЫЛА (975)

ОПИСАНИЕ ОПЕРАЦИИ
КОД ОПЕРАЦИИ
МОДЕЛЬ
t
j
v
u
1
. БРЫЗГОВИК, ВНУТРЕННИЙ ПЕРЕДНЕГО КРЫЛА - ЗАМЕНА
.
.
.
.
.
Правая
9750100
0.6
0.6
0.6
0.5
Левая
9750200
0.6
0.6
0.6
0.5
2
. КРЫЛО, ПЕРЕДНЕЕ - ЗАМЕНА
.
.
.
.
.
Правая
9750400
0.8
0.8
0.8
1,4
Левая
9750500
0.8
0.8
0.8
1,4
. КРЫЛО, ПЕРЕДНЕЕ - РЕГУЛИРОВКА ПОЛОЖЕНИЯ
.
.
.
.
.
Правая
9750700
0.4
0.4
0.4
0.4
Левая
9750800
0.4
0.4
0.4
0.4
3
. ПОДДОН, АККУМУЛЯТОРНАЯ БАТАРЕЯ - ЗАМЕНА
9751100
0.4
0.4
0.4
0.6
А - с механической коробкой передач
975110a
0.1
0.1
0.1
0.1
4
. ПАНЕЛЬ, КОЛЕСНАЯ АРКА - ЗАМЕНА
.
.
.
.
.
Правая
9751300
5.0
5.0
5,5
5.0
Левая
9751400
5.0
5.0
5,5
5.0
5
. ЩИТОК, БРЫЗГОЗАЩИТНЫЙ - ЗАМЕНА
.
.
.
.
.
Правая
9751700
0.3
0.4
0.2
0.3
Левая
9751800
0.3
0.4
0.2
0.3
t : lanos, j : nubira, v : leganza, u : tacuma/rezzo

LT9R004
Показать иллюстрациюПеревод текста в иллюстрациях


ПЕРЕДНЯЯ ЧАСТЬ КУЗОВА - ЩИТОК ПЕРЕДКА И ОБЛИЦОВКА РАМЫ (976)

ОПИСАНИЕ ОПЕРАЦИИ
КОД ОПЕРАЦИИ
МОДЕЛЬ
t
j
v
u
1
. ЩИТ, ОБЛИЦОВКА РАМЫ ВЕТРОВОГО СТЕКЛА - ЗАМЕНА
9760100
0.3
0.4
0.4
0.4
2
. ЩИТОК, ПЕРЕДКА НИЖНИЙ - ЗАМЕНА
.
.
.
.
.
Верхний
9760300
3.0
3.0
3.0
3.0
Нижний
9760400
3.5
3.5
3.5
3.5
Оба
9760500
4,5
4,5
5.0
4,5
3
. УПЛОТНИТЕЛЬ, ОБЛИЦОВКА РАМЫ ВЕТРОВОГО СТЕКЛА - ЗАМЕНА
9760900
0.2
0.2
0.2
0.2
t : lanos, j : nubira, v : leganza, u : tacuma/rezzo

LT9R005
Показать иллюстрациюПеревод текста в иллюстрациях


ПЕРЕДНЯЯ ЧАСТЬ КУЗОВА - РЕШЕТКА (977)

ОПИСАНИЕ ОПЕРАЦИИ
КОД ОПЕРАЦИИ
МОДЕЛЬ
t
j
v
u
1
. РЕШЕТКА В СБОРЕ - ЗАМЕНА (ЦЕЛЬНАЯ)
9770100
0.2
0.3
0.3
0.4
2
. КРОНШТЕЙН, РЕШЕТКА РАДИАТОРА - ЗАМЕНА
9770300
-
-
0.2
-
t : lanos, j : nubira, v : leganza, u : tacuma/rezzo
На предыдущую страницуНа следующую страницу


https://vnx.su/ 🛠 Руководства по ремонту и эксплуатации для автомобилей

Поиск по сайту

Остались вопросы или пожелания? Пишите на почту: support@vnx.su

Карта Сайта