К началу документа
Tacuma
На предыдущую страницуНа следующую страницу
Главная страница GMDEЗагрузить нединамическое оглавлениеЗагрузить динамическое оглавлениеПомощь

РАЗДЕЛ 1E

ДВИГАТЕЛЬ (ЭЛЕКТРООБОРУДОВАНИЕ ДВИГАТЕЛЯ)

LT1E001
Показать иллюстрациюПеревод текста в иллюстрациях


ЭЛЕКТРООБОРУДОВАНИЕ ДВИГАТЕЛЯ - ПРОВОД ЗАЖИГАНИЯ (151)

ОПИСАНИЕ ОПЕРАЦИИ
КОД ОПЕРАЦИИ
МОДЕЛЬ
t
j
u
v
1
. ПРОВОДА, СВЕЧА ЗАЖИГАНИЯ - ЗАМЕНА (ОДНОЙ ИЛИ ДВУХ)
.
.
.
.
.
ОДИН РАСПРЕДЕЛИТЕЛЬНЫЙ ВАЛ ВЕРХНЕГО РАСПОЛОЖЕНИЯ
1510100
0.2
0.2
0.2
0.2
dohc
1510200
0.2
0.2
0.2
0.2
. ПРОВОДА, СВЕЧА ЗАЖИГАНИЯ - ЗАМЕНА (ВСЕХ)
.
.
.
.
.
ОДИН РАСПРЕДЕЛИТЕЛЬНЫЙ ВАЛ ВЕРХНЕГО РАСПОЛОЖЕНИЯ
1510400
0.2
0.2
0.2
0.2
dohc
1510500
0.2
0.2
0.2
0.2
2
. СВЕЧИ, ЗАЖИГАНИЯ - ЗАМЕНА (ОДНОЙ ИЛИ ДВУХ)
.
.
.
.
.
ОДИН РАСПРЕДЕЛИТЕЛЬНЫЙ ВАЛ ВЕРХНЕГО РАСПОЛОЖЕНИЯ
1510800
0.2
0.2
0.2
0.2
dohc
1510900
0.3
0.3
0.3
0.3
. СВЕЧИ, ЗАЖИГАНИЯ - ЗАМЕНА (ВСЕХ)
.
.
.
.
.
ОДИН РАСПРЕДЕЛИТЕЛЬНЫЙ ВАЛ ВЕРХНЕГО РАСПОЛОЖЕНИЯ
1511100
0.3
0.3
0.3
0.3
dohc
1511200
0.3
0.3
0.3
0.3
3
. КАТУШКА, ЭЛЕКТРОННОЕ УПРАВЛЕНИЕ ЗАЖИГАНИЕМ - ЗАМЕНА
.
.
.
.
.
ОДИН РАСПРЕДЕЛИТЕЛЬНЫЙ ВАЛ ВЕРХНЕГО РАСПОЛОЖЕНИЯ
1511300
0.2
0.3
0.3
0.3
dohc
1511400
0.2
0.3
0.3
0.3
4
. АДАПТЕР, КАТУШКА И/ИЛИ ПРОКЛАДКА - ЗАМЕНА
.
.
.
.
.
ОДИН РАСПРЕДЕЛИТЕЛЬНЫЙ ВАЛ ВЕРХНЕГО РАСПОЛОЖЕНИЯ
1511600
0.3
0.4
0.4
0.4
dohc
1511700
0.4
0.5
0.5
0.5
t : lanos, j : nubira, v : leganza, u : tacuma/rezzo

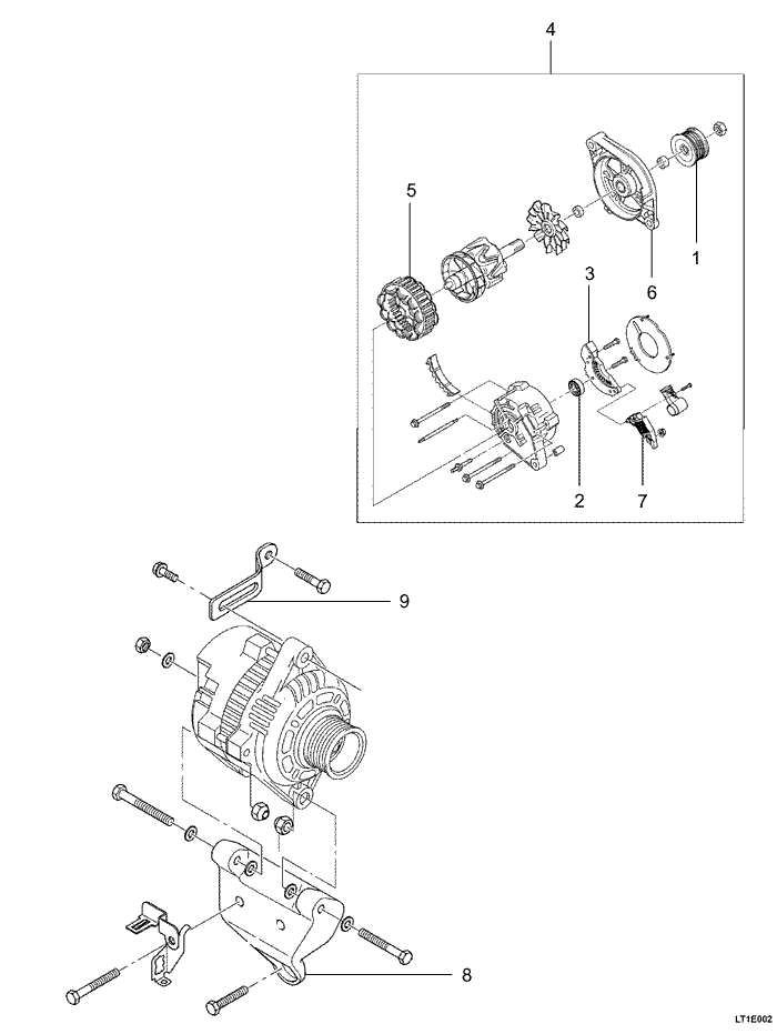
LT1E002
Показать иллюстрациюПеревод текста в иллюстрациях


ЭЛЕКТРООБОРУДОВАНИЕ ДВИГАТЕЛЯ - ГЕНЕРАТОР В СБОРЕ (154)

ОПИСАНИЕ ОПЕРАЦИИ
КОД ОПЕРАЦИИ
МОДЕЛЬ
t
j
u
v
1
. ШКИВ И/ИЛИ ВЕНТИЛЯТОР, ГЕНЕРАТОР - ЗАМЕНА
.
.
.
.
.
ОДИН РАСПРЕДЕЛИТЕЛЬНЫЙ ВАЛ ВЕРХНЕГО РАСПОЛОЖЕНИЯ
1540100
0.3
0.8
0.8
0.8
dohc
1540200
1.1
0.8
0.8
0.8
2
. ПОДШИПНИК, ЗАДНИЙ, ГЕНЕРАТОР - ЗАМЕНА
.
.
.
.
.
ОДИН РАСПРЕДЕЛИТЕЛЬНЫЙ ВАЛ ВЕРХНЕГО РАСПОЛОЖЕНИЯ
1540500
1,2
1,2
1.3
1.3
dohc
1540600
1.6
1,2
1.3
1.3
3
. ВЫПРЯМИТЕЛЬ, ГЕНЕРАТОР - ПРОВЕРКА И ЗАМЕНА
.
.
.
.
.
ОДИН РАСПРЕДЕЛИТЕЛЬНЫЙ ВАЛ ВЕРХНЕГО РАСПОЛОЖЕНИЯ
1541300
1,4
1.5
1.5
1.5
dohc
1541400
1.9
1.5
1.5
1.5
4
. ГЕНЕРАТОР В СБОРЕ - ЗАМЕНА
.
.
.
.
.
ОДИН РАСПРЕДЕЛИТЕЛЬНЫЙ ВАЛ ВЕРХНЕГО РАСПОЛОЖЕНИЯ
1541700
0.6
0.7
0.8
0.8
dohc
1541800
1.1
0.7
0.8
0.8
5
. СТАТОР, ГЕНЕРАТОР - ЗАМЕНА
.
.
.
.
.
ОДИН РАСПРЕДЕЛИТЕЛЬНЫЙ ВАЛ ВЕРХНЕГО РАСПОЛОЖЕНИЯ
1542100
1.3
1.3
1.3
1.3
dohc
1542200
1.3
1.3
1.3
1.3
6
. КАРКАС И ПОДШИПНИК - ЗАМЕНА
1542400
0.6
1.1
1.1
1.1
7
. РЕГУЛЯТОР, ГЕНЕРАТОР - ЗАМЕНА
.
.
.
.
.
ОДИН РАСПРЕДЕЛИТЕЛЬНЫЙ ВАЛ ВЕРХНЕГО РАСПОЛОЖЕНИЯ
1542600
1,4
1.5
1.6
1.6
dohc
1542700
1.9
1.5
1.6
1.6
8
. КРОНШТЕЙН, КРЕПЛЕНИЕ ГЕНЕРАТОРА - ЗАМЕНА
.
.
.
.
.
ОДИН РАСПРЕДЕЛИТЕЛЬНЫЙ ВАЛ ВЕРХНЕГО РАСПОЛОЖЕНИЯ
1544100
0.6
0.7
0.7
0.7
dohc
1544200
0.6
0.7
0.7
0.7
9
. СЕРЬГА, ГЕНЕРАТОР - ЗАМЕНА
.
.
.
.
.
ОДИН РАСПРЕДЕЛИТЕЛЬНЫЙ ВАЛ ВЕРХНЕГО РАСПОЛОЖЕНИЯ
1544500
0.3
0.4
0.4
0.4
dohc
1544600
0.3
0.4
0.4
0.4
t : lanos, j : nubira, v : leganza, u : tacuma/rezzo

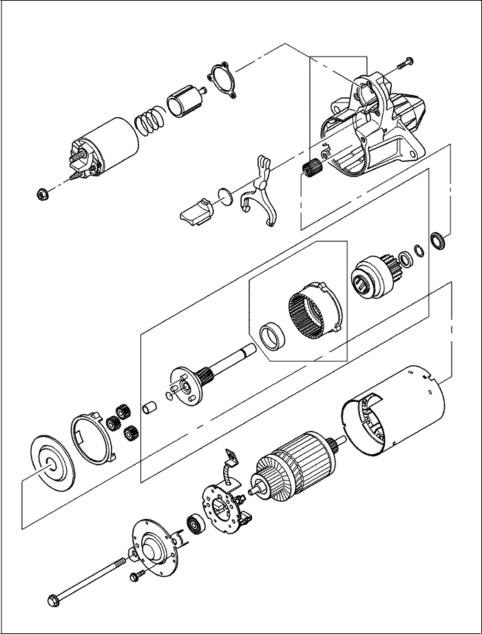
LT1E003
Показать иллюстрациюПеревод текста в иллюстрациях


ЭЛЕКТРООБОРУДОВАНИЕ ДВИГАТЕЛЯ - СТАРТЕР (156)

ОПИСАНИЕ ОПЕРАЦИИ
КОД ОПЕРАЦИИ
МОДЕЛЬ
t
j
u
v
1
. СОЛЕНОИД, СТАРТЕР - ЗАМЕНА
.
.
.
.
.
ОДИН РАСПРЕДЕЛИТЕЛЬНЫЙ ВАЛ ВЕРХНЕГО РАСПОЛОЖЕНИЯ
1560100
0,9
0.8
0.8
0.8
dohc
1560200
0,9
0.8
0.8
0.8
. СОЛЕНОИД, СТАРТЕР (ПРАВОСТОРОННЕЕ УПРАВЛЕНИЕ, АКПП) - ЗАМЕНА
.
.
.
.
.
dohc
1560300
-
2.0
-
-
2
. ПРИВОД В СБОРЕ, СТАРТЕР - ЗАМЕНА
.
.
.
.
.
ОДИН РАСПРЕДЕЛИТЕЛЬНЫЙ ВАЛ ВЕРХНЕГО РАСПОЛОЖЕНИЯ
1560400
0.7
0.6
0.6
0.6
dohc
1560500
0.7
0.6
0.6
0.6
. ПРИВОД В СБОРЕ, СТАРТЕР (ПРАВОСТОРОННЕЕ УПРАВЛЕНИЕ, АКПП) - ЗАМЕНА
.
.
.
.
.
dohc
1560600
-
1.8
-
-
3
. МОТОР В СБОРЕ, СТАРТЕР - ЗАМЕНА
.
.
.
.
.
ОДИН РАСПРЕДЕЛИТЕЛЬНЫЙ ВАЛ ВЕРХНЕГО РАСПОЛОЖЕНИЯ
1560800
0.6
0.5
0.5
0.5
dohc
1560900
0.6
0.5
0.5
0.5
. МОТОР В СБОРЕ, СТАРТЕР (ПРАВОСТОРОННЕЕ УПРАВЛЕНИЕ, АКПП) - ЗАМЕНА
.
.
.
.
.
dohc
1561100
-
1.7
-
-
t : lanos, j : nubira, v : leganza, u : tacuma/rezzo

LT1E004
Показать иллюстрациюПеревод текста в иллюстрациях


ЭЛЕКТРООБОРУДОВАНИЕ ДВИГАТЕЛЯ - АККУМУЛЯТОРНАЯ БАТАРЕЯ (157)

ОПИСАНИЕ ОПЕРАЦИИ
КОД ОПЕРАЦИИ
МОДЕЛЬ
t
j
u
v
1
. АККУМУЛЯТОР
.
.
.
.
.
Зарядка и проверка
1570200
0.3
0.3
0.3
0.3
Замена
1570300
0.3
0.2
0.2
0.2
2
. КРЕПЛЕНИЕ И/ИЛИ БОЛТЫ, АККУМУЛЯТОРНАЯ БАТАРЕЯ - ЗАМЕНА
1570500
0.2
0.2
0.2
0.2
3
. КРЫШКА, КЛЕММЫ АККУМУЛЯТОРНОЙ БАТАРЕИ (ОДНА ИЛИ ДВЕ) - ЗАМЕНА
1570900
0.2
0.2
0.2
0.2
4
. ОПОРА, АККУМУЛЯТОРНАЯ БАТАРЕЯ - ЗАМЕНА
1571100
0.3
0.3
0.3
0.3
t : lanos, j : nubira, v : leganza, u : tacuma/rezzo

LT1E005
Показать иллюстрациюПеревод текста в иллюстрациях


ЭЛЕКТРООБОРУДОВАНИЕ ДВИГАТЕЛЯ - ПРЕДОХРАНИТЕЛИ И РЕЛЕ (158)

ОПИСАНИЕ ОПЕРАЦИИ
КОД ОПЕРАЦИИ
МОДЕЛЬ
t
j
u
v
1
. РЕЛЕ - ЗАМЕНА
.
.
.
.
.
Вентилятор охлаждения двигателя
1580100
0.2
0.2
0.2
0.2
Противотуманная фара
1580200
0.2
0.2
0.2
0.2
Звуковой сигнал
1580300
0.2
0.2
0.2
0.2
Топливный насос
1580400
0.2
0.2
0.2
0.2
Включение (АБС)
1580500
0.2
0.2
0.2
0.2
Электровентилятор
1580600
0.2
0.2
0.2
0.2
Отключение компрессора
1580700
0.2
0.2
0.2
0.2
Электровентилятор конденсатора
1580800
0.2
0.2
0.2
0.2
Электромотор стеклоочистителей ветрового стекла, таймер
1580900
0.2
0.5
0.2
0.2
Фара
1581100
0.2
0.2
0.2
0.2
Обогрев заднего стекла
1581300
0.2
0.2
0.2
0.2
Прочие реле
1581500
0.2
0.2
0.2
0.2
2
. РЕЛЕ - ЗАМЕНА
.
.
.
.
.
Указатель поворота
1582100
0.2
0.2
0.2
0.2
3
. КРЫШКА, БЛОК ПРЕДОХРАНИТЕЛЕЙ - ЗАМЕНА
1582300
0.2
0.2
0.2
0.2
4
. КОРОБКА, РЕЛЕ И ПРЕДОХРАНИТЕЛИ - ЗАМЕНА
1582700
-
0.6
0.6
0.6
5
. ГЛАВНЫЙ ПРЕДОХРАНИТЕЛЬ - ЗАМЕНА
1583500
0.2
0.2
0.2
0.2
6
. ПРЕДОХРАНИТЕЛЬ - ЗАМЕНА
1583700
0.2
0.2
0.2
0.2
7
. АВТОМАТИЧЕСКИЙ ВЫКЛЮЧАТЕЛЬ - ЗАМЕНА
1583800
0.2
0.2
0.2
0.2
8
. ДИОД КОНДИЦИОНЕРА - ЗАМЕНА
1583900
0.2
0.2
0.2
0.2
9
. БЛОК, АВТОМАТИЧЕСКИЙ ДВЕРНОЙ ЗАМОК - ЗАМЕНА
1584200
0.3
0.3
0.3
0.3
10
. МОДУЛЬ, ЗВУКОВАЯ СИГНАЛИЗАЦИЯ - ЗАМЕНА
1584400
0.3
0.3
0.3
0.3
. МОДУЛЬ, ЛАМПЫ ДНЕВНОГО СВЕТА ФАР - ЗАМЕНА
1584500
0.3
0.6
0.6
0.6
a - my00 и последующие
158450a
-
0.2
-
-
11
. БЛОК, БЛОКИРОВКА КЛЮЧА - ЗАМЕНА
1584700
0.2
0.2
-
0.2
t : lanos, j : nubira, v : leganza, u : tacuma/rezzo
На предыдущую страницуНа следующую страницу


https://vnx.su/ 🛠 Руководства по ремонту и эксплуатации для автомобилей

Поиск по сайту

Остались вопросы или пожелания? Пишите на почту: support@vnx.su

Карта Сайта