К началу документа
MATIZ
На предыдущую страницуНа следующую страницу
Главная страница GMDEЗагрузить нединамическое оглавлениеЗагрузить динамическое оглавлениеПомощь



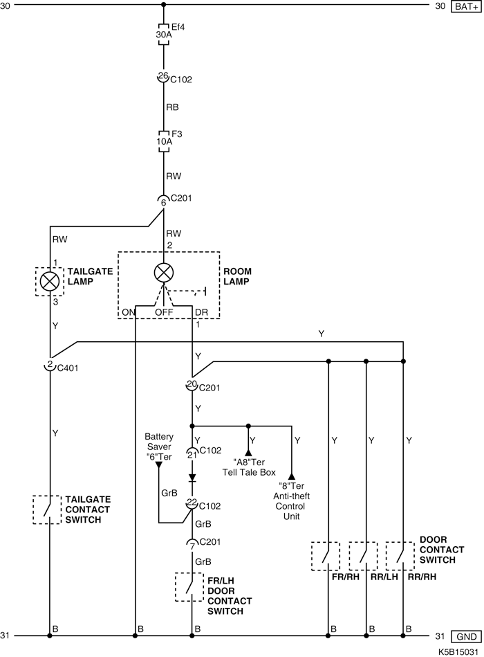
15. ЦЕПЬ ПЛАФОНА ОСВЕЩЕНИЯ САЛОНА И КОНТАКТНОГО ВЫКЛЮЧАТЕЛЯ

K5B15031.png
Показать иллюстрациюПеревод текста в иллюстрациях


а. ИНФОРМАЦИЯ О РАЗЪЁМЕ

№ РАЗЪЁМА
(№ И ЦВЕТ КОНТАКТА)
СОЕДИНИТЕЛЬНЫЙ ЖГУТ ПРОВОДОВПОЛОЖЕНИЕ РАЗЪЁМА
С102 (контакт 32, серый) Приборная панель - блок предохранителей в моторном отсеке Блок предохранителей в моторном отсеке
С201 (контакт 26, белый) Приборная панель - пол Левая часть пространства для ног водителя
С401 (контакт 6, белый) Задняя дверь - пол В задней части багажника с левой стороны

б. УСЛОВНОЕ ОБОЗНАЧЕНИЕ & И НАХОЖДЕНИЕ НОМЕРА КОНТАКТА

K5B1P031.png
Показать иллюстрациюПеревод текста в иллюстрациях


в. РАСПОЛОЖЕНИЕ РАЗЪЁМОВ И СОЕДИНЕНИЙ МАССЫ

K5B12009.png
Показать иллюстрациюПеревод текста в иллюстрациях


K5B12011.png
Показать иллюстрациюПеревод текста в иллюстрациях


K5B12017.png
Показать иллюстрациюПеревод текста в иллюстрациях


На предыдущую страницуНа следующую страницу


https://vnx.su/ 🛠 Руководства по ремонту и эксплуатации для автомобилей

Поиск по сайту

Остались вопросы или пожелания? Пишите на почту: support@vnx.su

Карта Сайта