К началу документа
MATIZ
На предыдущую страницуНа следующую страницу
Главная страница GMDEЗагрузить нединамическое оглавлениеЗагрузить динамическое оглавлениеПомощь



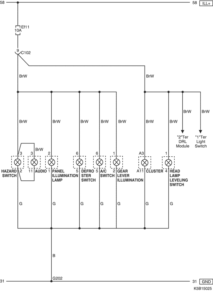
11. ЦЕПЬ ПОДСВЕТКИ

1) ЦЕПЬ ПОДСВЕТКИ

K5B15025.png
Показать иллюстрациюПеревод текста в иллюстрациях


а. ИНФОРМАЦИЯ О РАЗЪЁМЕ

№ РАЗЪЁМА
(№ И ЦВЕТ КОНТАКТА)
СОЕДИНИТЕЛЬНЫЙ ЖГУТ ПРОВОДОВПОЛОЖЕНИЕ РАЗЪЁМА
С102 (контакт 32, серый) Приборная панель - блок предохранителей в моторном отсеке Блок предохранителей в моторном отсеке
G202 Приборная панель Под напольной консолью

б. УСЛОВНОЕ ОБОЗНАЧЕНИЕ & И НАХОЖДЕНИЕ НОМЕРА КОНТАКТА

K5B1P025.png
Показать иллюстрациюПеревод текста в иллюстрациях


в. РАСПОЛОЖЕНИЕ РАЗЪЁМОВ И СОЕДИНЕНИЙ МАССЫ

K5B12009.png
Показать иллюстрациюПеревод текста в иллюстрациях


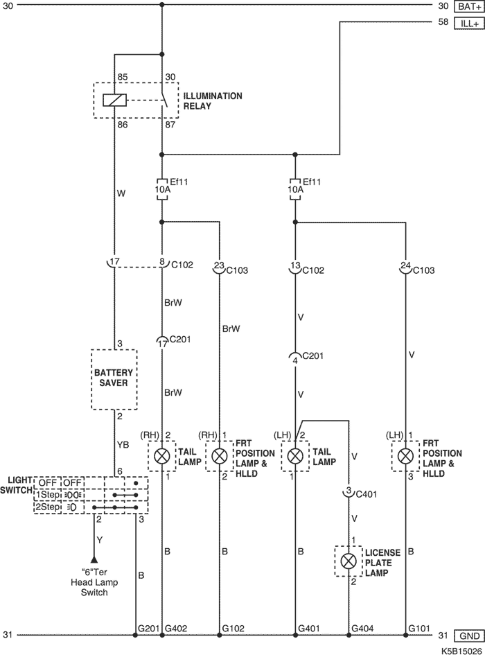
2) ЦЕПЬ ЛАМП (СТОЯНОЧНЫХ ОГНЕЙ, ЗАДНИХ ФОНАРЕЙ И ОСВЕЩЕНИЯ НОМЕРНОГО ЗНАКА)

K5B15026.png
Показать иллюстрациюПеревод текста в иллюстрациях


а. ИНФОРМАЦИЯ О РАЗЪЁМЕ

№ РАЗЪЁМА
(№ И ЦВЕТ КОНТАКТА)
СОЕДИНИТЕЛЬНЫЙ ЖГУТ ПРОВОДОВПОЛОЖЕНИЕ РАЗЪЁМА
С102 (контакт 32, серый) Приборная панель - блок предохранителей в моторном отсеке Блок предохранителей в моторном отсеке
C103 (контакт 32, коричневый) Передняя часть кузова - блок предохранителей в моторном отсеке Блок предохранителей в моторном отсеке
С201 (контакт 26, белый) Приборная панель - пол Левая часть пространства для ног водителя
С401 (контакт 6, белый) Задняя дверь - пол В задней части багажника с левой стороны
G101 ПЕРЕДНЯЯ ЧАСТЬ За левой фарой
G201 Приборная панель Под левой передней стойкой
G401 Пол Под левой задней стойкой
G402 Пол Под правой задней стойкой
G404 Задняя дверь Под двигателем заднего стеклоочистителя

б. УСЛОВНОЕ ОБОЗНАЧЕНИЕ & И НАХОЖДЕНИЕ НОМЕРА КОНТАКТА

K5B1P026.png
Показать иллюстрациюПеревод текста в иллюстрациях


в. РАСПОЛОЖЕНИЕ РАЗЪЁМОВ И СОЕДИНЕНИЙ МАССЫ

K5B12004.png
Показать иллюстрациюПеревод текста в иллюстрациях


K5B12009.png
Показать иллюстрациюПеревод текста в иллюстрациях


K5B12012.png
Показать иллюстрациюПеревод текста в иллюстрациях


На предыдущую страницуНа следующую страницу


https://vnx.su/ 🛠 Руководства по ремонту и эксплуатации для автомобилей

Поиск по сайту

Остались вопросы или пожелания? Пишите на почту: support@vnx.su

Карта Сайта