To the top of the document
Tacuma-Rezzo
To Previous PageTo Next Page
GMDE Start PageLoad static TOCLoad dynamic TOCHelp?

SECTION 2

position of connectors and grounds



1. CONNECTOR, GROUND AND SPLICE PACK INFORMATION

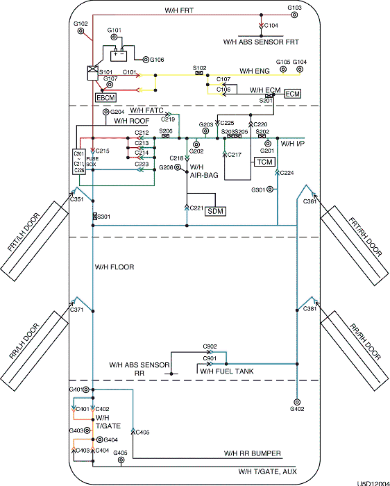
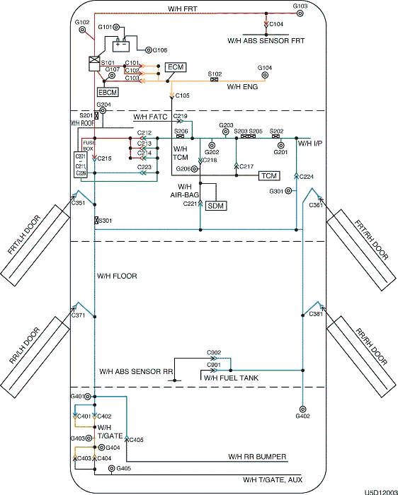
1) wiring harness, ground & splice pack location

U5D12003.png
Display graphicTranslations of text in graphics


U5D12004.png
Display graphicTranslations of text in graphics


2) connector information

connector number
terminal number
color
connecting wiring harness
connecting position
c101
15
black
engine - front
behind the left headlamp
c102
16
black
engine - front
behind the left headlamp (mr-140, sirius d4)
c103
6
gray
front - engine
upper the engine fuse block
(mr-140, sirius d4)
c103
2
gray
front - engine
left upper driver leg room (itms-6f)
c104
2
black
front abs sensor – front
under the resonator
c105
4
white
tcm – engine
rear intake manifold
c106
16
black
engine - ecm
right upper the driver leg room
c107
16
black
engine - ecm
right upper the driver leg room
c201
3
white
i/p fuse block – roof
front the i/p fuse block
c201
3
white
i/p fuse block – roof
front the i/p fuse block
c202
6
white
i/p fuse block – roof
front the i/p fuse block
c203
22
white
i/p fuse block – ip
front the i/p fuse block
c204
12
white
i/p fuse block – ip
front the i/p fuse block
c205
14
white
i/p fuse block – ip
front the i/p fuse block
c206
3
brown
i/p fuse block – ip
front the i/p fuse block
c207
22
white
i/p fuse block – front
behind the i/p fuse block
c208
14
white
i/p fuse block – front
behind the i/p fuse block
c209
1
colorless
i/p fuse block – front
behind the i/p fuse block
c210
18
white
i/p fuse block – floor
behind the i/p fuse block
c211
12
white
i/p fuse block – floor
behind the i/p fuse block
c212
18
blue
front – ip
left upper the driver leg room
c213
7
gray
front – ip
left upper the driver leg room
c214
26
yellow
front – ip
left upper the driver leg room
c215
16
white
floor – front
under the i/p fuse block
c217
22
white
ip – tcm
center upper the driver leg room
c218
4
white
air bag – ip
left upper the driver leg room
c219
15
white
ip – fatc
upper the evaporator housing
c220
6
white
ecm – tcm
right center the driver leg room (itms-6f)
c221
4 (12)
white
air bag – floor
under the console box
c223
10
white
floor – ip
under the i/p fuse block
c224
14
white
ip – floor
under the door lock unit
c225
8
white
ip – ecm
center upper the driver leg room
c226
4
white
front - roof
front the i/p fuse block
c351
29
white
floor – co-driver door
inside light 'a' pillar
c361
29
white
floor – driver door
inside right 'a' pillar
c371
11
white
floor – rear light door
inside light 'b' pillar
c381
11
white
floor – rear right door
inside right 'b' pillar
c401
10
white
tailgate – floor
behind the rear quarter glass
c402
6
white
tailgate – floor
behind the rear quarter glass
c403
4
colorless
tailgate – tailgate, aux
left under tailgate behind the tail lamp
c404
8
white
tailgate – tailgate, aux
left under tailgate behind the tail lamp
c405
2
black
floor – rear bumper
left the rear bumper under the tail lamp
c901
6
black
fuel tank – floor
behind the fuel tank
c902
4
black
abs rear sensor – floor
behind the fuel tank

3) ground position information

ground number
wiring harness
ground position
g101
battery
behind the battery
g102
front
behind the left headlamp
g103
front
behind the right headlamp
g104
engine
under the intake manifold
g105
engine
left the starter motor behind engine block
g106
battery
under the starter motor mounting bolt
g107
front
under rear engine fuse block
g201
ip
rear right instrument panel
g202
ip
rear right ashtray
g203
ip
under right ashtray
g204
roof
left upper 'a' pillar
g206
air bag
front right sdm
g301
floor
under the driver room floor
g401
floor
left the trunk room under the tail lamp
g402
floor
right the trunk room under the tail lamp
g403
tailgate
left under tailgate behine the tail lamp
g404
tailgate
left under tailgate behine rear window defogster
g405
tailgate, aux
under the rear wiper motor

4) splice pack information

splice pack number
color
wiring harness
ground position
s101
white
front
inside the engine fuse block
s102
black
engine
rear intake manifold
s201
colorless
ecm
left upper the driver leg room
s202
orange
ip
rear right instrument panel
s203
orange
ip
rear center instrument panel
s205
orange
ip
rear center instrument panel
s206
violet
ip
rear left instrument panel
s301
black
floor
under the driver crossmember panel



2. WIRING HARNESS & CONNECTOR & GROUND LOCATION

1) w/h instrument panel

U4D12024.png
Display graphicTranslations of text in graphics


2) w/h instrument panel in detail

U4D12004.png
Display graphicTranslations of text in graphics


U4D12005.png
Display graphicTranslations of text in graphics


U4D12006.png
Display graphicTranslations of text in graphics


U4D12007.png
Display graphicTranslations of text in graphics


3) w/h front

U4D12008.png
Display graphicTranslations of text in graphics


4) w/h tcm

U4D12009.png
Display graphicTranslations of text in graphics


5) w/h air-bag

U4D12026.png
Display graphicTranslations of text in graphics


6) w/h rear abs sensor

U4D12011.png
Display graphicTranslations of text in graphics


7) w/h roof

U4D12012.png
Display graphicTranslations of text in graphics


8) w/h rear bumper

U4D12013.png
Display graphicTranslations of text in graphics


9) w/h tail gate

U4D12014.png
Display graphicTranslations of text in graphics


10) w/h door

U4D12027.png
Display graphicTranslations of text in graphics


U4D12028.png
Display graphicTranslations of text in graphics


U4D12017.png
Display graphicTranslations of text in graphics


11) w/h fuel tank

U4D12018.png
Display graphicTranslations of text in graphics


12) w/h floor

U4D12029.png
Display graphicTranslations of text in graphics


13) w/h engine (2.0D)

U4D12020.png
Display graphicTranslations of text in graphics


14) w/h engine (1.6D)

U5D12005.png
Display graphicTranslations of text in graphics


15) splice pack

s101

U4D1S022.png
Display graphicTranslations of text in graphics


s102 (mr-140)

U5D1S012.png
Display graphicTranslations of text in graphics


s102 (sirius d4)

U4D1S004.png
Display graphicTranslations of text in graphics


s102 (itms-6f)

U5D1S013.png
Display graphicTranslations of text in graphics


s201 (mr-140)

U4D1S006.png
Display graphicTranslations of text in graphics


s201 (sirius d4)

U4D1S007.png
Display graphicTranslations of text in graphics


s201 (itms-6f)

U5D1S014.png
Display graphicTranslations of text in graphics


s202

U5D1S015.png
Display graphicTranslations of text in graphics


s203

U5D1S016.png
Display graphicTranslations of text in graphics


s205

U5D1S017.png
Display graphicTranslations of text in graphics


s206

U5D1S018.png
Display graphicTranslations of text in graphics


s301

U5D1S019.png
Display graphicTranslations of text in graphics


sm
To Previous PageTo Next Page


https://vnx.su/ 🛠 Руководства по ремонту и эксплуатации для автомобилей

Поиск по сайту

Остались вопросы или пожелания? Пишите на почту: support@vnx.su

Карта Сайта